製品概要
製品概要
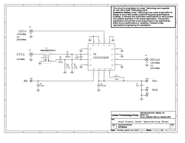
DC644A: Demo Board for the LT5520 1.3GHz to 2.3GHz High Linearity Upconverting Mixer.
対象となる製品
関連資料
-
DC644A - Schematic2009/09/24PDF69K
-
DC644A - Demo Manual2009/09/24PDF115K
-
DC644A - Design File2009/09/24ZIP425K
