LT3464

製造中

ThinSOT™ パッケージ、ショットキー・ダイオードおよび出力切断回路搭載のマイクロパワー昇圧コンバータ

利用上の注意

本データシートの英語以外の言語への翻訳はユーザの便宜のために提供されるものであり、リビジョンが古い場合があります。最新の内容については、必ず最新の英語版をご参照ください。

なお、日本語版のデータシートは基本的に「Rev.0」(リビジョン0)で作成されています。そのため、英語版が後に改訂され、複数製品のデータシートがひとつに統一された場合、同じ「Rev.0」の日本語版のデータシートが異なる製品のデータシートとして表示されることがあります。たとえば、「ADM3307E」の場合、日本語データシートをクリックすると「ADM3311E」が表示されます。これは、英語版のデータシートが複数の製品で共有できるように1本化され、「ADM3307E/ADM3310E/ADM3311E/ADM3312E/ADM3315E」(Rev.J)と改訂されたからで、決して誤ってリンクが張られているわけではありません。和文化されたデータシートを少しでも有効に活用していただくためにこのような方法をとっておりますので、ご了解ください。

アナログ・デバイセズ社は、提供する情報が正確で信頼できるものであることを期していますが、その情報の利用に関して、あるいはその利用によって生じる第三者の特許やその他の権利の侵害に関して一切の責任を負いません。また、アナログ・デバイセズ社の特許または特許の権利の使用を明示的または暗示的に許諾するものでもありません。仕様は予告なしに変更する場合があります。本紙記載の商標および登録商標は、各社の所有に属します。

Viewing:

製品情報

  •  小型ソリューション
  •  低消費電流
    • アクティブ・モード時25μA
    • シャットダウン・モード時0.5μA
  •  115mA、36Vスイッチ内蔵
  •  ショットキー・ダイオード内蔵
  •  短絡保護付きPNP出力切断回路内蔵
  •  リファレンス・オーバーライド・ピン内蔵
  •  3.6V入力から16V/8mA
  •  5V入力から12V/20mA
  •  入力範囲:2.3V~10V
  •  高出力電圧:最大34V
  •  高さの低い(1mm)SOT-23パッケージ

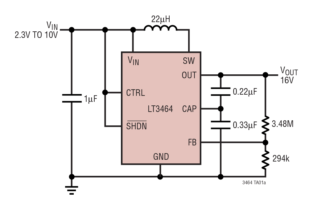
LT3464は、高さの低い(1mm)8ピンSOT-23パッケージにショットキー・ダイオードと出力切断回路を搭載したマイクロパワー昇圧DC/DCコンバータです。 小型パッケージ、高い集積度、小型SMT部品の使用により、40mm2以下のソリューション・サイズを実現します。標準電流制限が115mAで、高速スイッチングを行うので、チップ・インダクタと小型セラミック・コンデンサを使用可能です。内蔵PNPはシャットダウン時に出力負荷を入力から切り離すと同時に、出力の短絡保護も提供します。また、補助リファレンス入力により、ユーザが内蔵の1.25V帰還リファレンスをより小さな値でオーバーライドできるので、動作時に出力電圧を完全に制御可能です。LT3464の消費電流はわずか25μAで、シャットダウン時は0.5μA以下まで低減されます。電流制限付きの固定オフタイム制御方式によって動作電流を一定に保ち、広い動作電流範囲にわたって高効率を維持します。強靭な36Vスイッチと出力切断回路により、シンプルな昇圧方式で最大34Vの出力電圧を容易に生成可能です。


アプリケーション

  •  OELパネル・バイアス
  •  LCDバイアス
  •  ハンドヘルド・コンピュータ
  •  バッテリ・バックアップ
  •  デジタル・カメラ
  •  携帯電話

LT3464
ThinSOT™ パッケージ、ショットキー・ダイオードおよび出力切断回路搭載のマイクロパワー昇圧コンバータ
Efficiency Product Package 1
myAnalogに追加

myAnalogの製品セクション(通知受け取り)、既存/新規プロジェクトに製品を追加する。

新規プロジェクトを作成
質問する
サポート

アナログ・デバイセズのサポート・ページはアナログ・デバイセズへのあらゆるご質問にお答えするワンストップ・ポータルです。


ドキュメント

データシート

これは最新改訂バージョンのデータシートです。

さらに詳しく
myAnalogに追加

myAnalogのリソース・セクション、既存/新規プロジェクトにメディアを追加する。

新規プロジェクトを作成

ソフトウェア・リソース

必要なソフトウェア/ドライバが見つかりませんか?

ドライバ/ソフトウェアをリクエスト

ツールおよびシミュレーション

LTspice


下記製品はLTspiceで使用することが出来ます。:

  • LT3464
LTspice

LTspice®は、無料で提供される強力で高速な回路シミュレータと回路図入力、波形ビューワに改善を加え、アナログ回路のシミュレーションを容易にするためのモデルを搭載しています。

 


評価用キット

eval board
DC612A

LT3464ETS8 Demo Board | 2 Circuits, 2.3V ≤ VIN ≤ 10V, VOUT1 = 20V @ 3mA to 6mA, VOUT2 = 15V @ 9mA to 25mA

製品詳細

Demonstration circuit 612 features the LT3464ETS8 in two boost converter circuits, one configured for small size and the other for high performance. The input supply voltage range is 2.3V to 10V and the two circuit outputs are 20V at up to 6mA (small size circuit) and 15V at up to 25mA (high performance circuit). The small size circuit demonstrates the LT3464’s ability to operate with a small 10µH chip inductor and a 0.22µF output capacitor. The high performance circuit uses a 47µH inductor and 1.0µF output capacitor and provides higher output current and efficiency.

DC612A
LT3464ETS8 Demo Board | 2 Circuits, 2.3V ≤ VIN ≤ 10V, VOUT1 = 20V @ 3mA to 6mA, VOUT2 = 15V @ 9mA to 25mA
DC612A - Schematic

最新のディスカッション

最近表示した製品