LT1270

製造中

8Aおよび10A高効率スイッチング・レギュレータ

利用上の注意

本データシートの英語以外の言語への翻訳はユーザの便宜のために提供されるものであり、リビジョンが古い場合があります。最新の内容については、必ず最新の英語版をご参照ください。

なお、日本語版のデータシートは基本的に「Rev.0」(リビジョン0)で作成されています。そのため、英語版が後に改訂され、複数製品のデータシートがひとつに統一された場合、同じ「Rev.0」の日本語版のデータシートが異なる製品のデータシートとして表示されることがあります。たとえば、「ADM3307E」の場合、日本語データシートをクリックすると「ADM3311E」が表示されます。これは、英語版のデータシートが複数の製品で共有できるように1本化され、「ADM3307E/ADM3310E/ADM3311E/ADM3312E/ADM3315E」(Rev.J)と改訂されたからで、決して誤ってリンクが張られているわけではありません。和文化されたデータシートを少しでも有効に活用していただくためにこのような方法をとっておりますので、ご了解ください。

アナログ・デバイセズ社は、提供する情報が正確で信頼できるものであることを期していますが、その情報の利用に関して、あるいはその利用によって生じる第三者の特許やその他の権利の侵害に関して一切の責任を負いません。また、アナログ・デバイセズ社の特許または特許の権利の使用を明示的または暗示的に許諾するものでもありません。仕様は予告なしに変更する場合があります。本紙記載の商標および登録商標は、各社の所有に属します。

Viewing:

製品情報

  • 広い入力電圧範囲: 3.5V~30V
  • 低消費電流: 7mA
  • 8Aスイッチ内蔵(LT1270Aでは10A) 
  • 外付け部品はほとんど不要
  • 過負荷に対する自己保護
  • シャットダウン・モード時の消費電流: わずか100μA
  • フライバック安定化モードでは完全なフローティング出力が可能
  • 外部同期可能(LT1072のデータ・シート参照) 
  • 標準5ピンTO-220パッケージで供給

LT1270A/LT1270はモノリシックの高電力スイッチング・レギュレータです。これらのデバイスは、スイッチング周波数(60kHz)と高いスイッチ電流を除けば、普及型のLT1070と同一で、降圧、昇圧、フライバック、反転など、あらゆる標準スイッチング構成で使用できます。高電流、高効率のスイッチに加え、必要な発振器、制御回路、保護回路をすべて内蔵しています。LT1270A/LT1270はすべての機能を標準TO-220パワー・パッケージに集積しています。このため、非常に使いやすいデバイスとなっており、3ピン・リニア・レギュレータと同様の「バスト・プルーフ」動作も得られます。

LT1270A/LT1270は3.5V~30Vの電源電圧で動作し、消費電流はわずか7mAです。電流モードのスイッチング技術を利用して、優れたAC/DCロード・レギュレーションおよびライン・レギュレーションを実現しています。

LT1270A/LT1270は適応型のアンチ飽和スイッチを使用し、効率を損なうことなく幅広い負荷電流の供給が可能です。外部から操作できるシャットダウン・モードでは、スタンバイ動作で総電源電流を100μAに低減します。


アプリケーション

  • 高効率降圧コンバータ
  • 複数の出力を備えたPC電源
  • バッテリ・アップコンバータ
  • 負-正コンバータ

LT1270
8Aおよび10A高効率スイッチング・レギュレータ
High Efficiency†  Buck Converter Maximum Output Power* Product Package 1
myAnalogに追加

myAnalogの製品セクション(通知受け取り)、既存/新規プロジェクトに製品を追加する。

新規プロジェクトを作成
質問する
サポート

アナログ・デバイセズのサポート・ページはアナログ・デバイセズへのあらゆるご質問にお答えするワンストップ・ポータルです。


ドキュメント

データシート

これは最新改訂バージョンのデータシートです。

さらに詳しく
myAnalogに追加

myAnalogのリソース・セクション、既存/新規プロジェクトにメディアを追加する。

新規プロジェクトを作成

ソフトウェア・リソース

必要なソフトウェア/ドライバが見つかりませんか?

ドライバ/ソフトウェアをリクエスト

ツールおよびシミュレーション

LTspice


下記製品はLTspiceで使用することが出来ます。:

  • LT1270
  • LT1270A
LTspice

LTspice®は、無料で提供される強力で高速な回路シミュレータと回路図入力、波形ビューワに改善を加え、アナログ回路のシミュレーションを容易にするためのモデルを搭載しています。

 


評価用キット

eval board
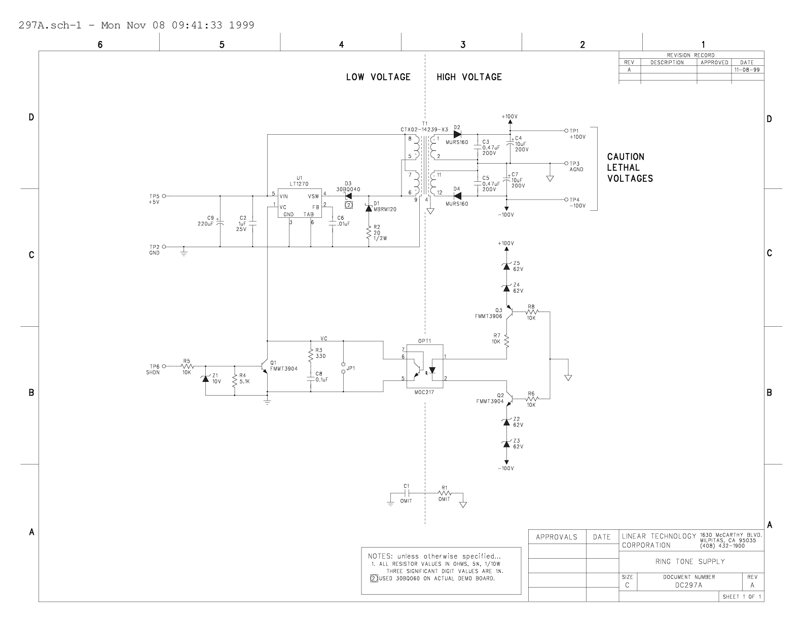
DC297A

LT1270CT | Ring Tone Power Supply with Shutdown, +5 VIN to Isolated +100V/-100 VOUT

製品詳細

DC297A: Demo Board for LT1270 8A and 10A High Efficiency Switching Regulators.

DC297A
LT1270CT | Ring Tone Power Supply with Shutdown, +5 VIN to Isolated +100V/-100 VOUT
DC297A - Schematic

最新のディスカッション

最近表示した製品