Viewing:

製品の詳細

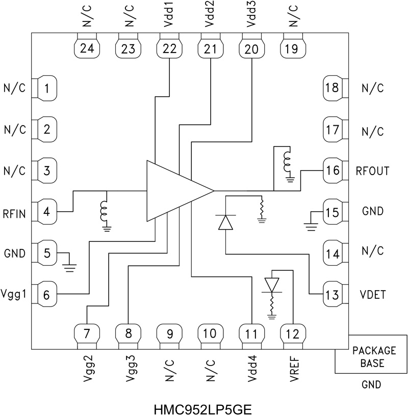
HMC952
HMC952_fbl HMC952LP5GE_fbl
myAnalogに追加

myAnalogの製品セクション(通知受け取り)、既存/新規プロジェクトに製品を追加する。

新規プロジェクトを作成
質問する
サポート

アナログ・デバイセズのサポート・ページはアナログ・デバイセズへのあらゆるご質問にお答えするワンストップ・ポータルです。


ドキュメント

さらに詳しく
myAnalogに追加

myAnalogのリソース・セクション、既存/新規プロジェクトにメディアを追加する。

新規プロジェクトを作成

ソフトウェア・リソース

必要なソフトウェア/ドライバが見つかりませんか?

ドライバ/ソフトウェアをリクエスト

ハードウェア・エコシステム

製品モデル 製品ライフサイクル 詳細
HMC952A 新規設計に推奨 パワー・ディテクタ付き GaAs pHEMT MMIC 2 W パワー・アンプ、8 GHz ~ 14 GHz
Modal heading
myAnalogに追加

myAnalogの製品セクション(通知受け取り)、既存/新規プロジェクトに製品を追加する。

新規プロジェクトを作成

最新のディスカッション

最近表示した製品