HMC877

最終販売

広帯域時間遅延&位相シフタSMT、8~23GHz

利用上の注意

本データシートの英語以外の言語への翻訳はユーザの便宜のために提供されるものであり、リビジョンが古い場合があります。最新の内容については、必ず最新の英語版をご参照ください。

なお、日本語版のデータシートは基本的に「Rev.0」(リビジョン0)で作成されています。そのため、英語版が後に改訂され、複数製品のデータシートがひとつに統一された場合、同じ「Rev.0」の日本語版のデータシートが異なる製品のデータシートとして表示されることがあります。たとえば、「ADM3307E」の場合、日本語データシートをクリックすると「ADM3311E」が表示されます。これは、英語版のデータシートが複数の製品で共有できるように1本化され、「ADM3307E/ADM3310E/ADM3311E/ADM3312E/ADM3315E」(Rev.J)と改訂されたからで、決して誤ってリンクが張られているわけではありません。和文化されたデータシートを少しでも有効に活用していただくためにこのような方法をとっておりますので、ご了解ください。

アナログ・デバイセズ社は、提供する情報が正確で信頼できるものであることを期していますが、その情報の利用に関して、あるいはその利用によって生じる第三者の特許やその他の権利の侵害に関して一切の責任を負いません。また、アナログ・デバイセズ社の特許または特許の権利の使用を明示的または暗示的に許諾するものでもありません。仕様は予告なしに変更する場合があります。本紙記載の商標および登録商標は、各社の所有に属します。

Viewing:

製品情報

  • 極めて広い帯域幅:8~23 GHz
  • 連続調整が可能な遅延範囲:500°(1.4ユニット・インターバル)
  • シングルエンドまたは差動動作
  • 調整式差動出力電圧スイング:500~950mVp-p @ 16GHz
  • 遅延制御変調帯域幅:2.5GHz
  • 単電源:+3.3V
  • 16ピン、セラミック3×3mm SMTパッケージ:9mm2

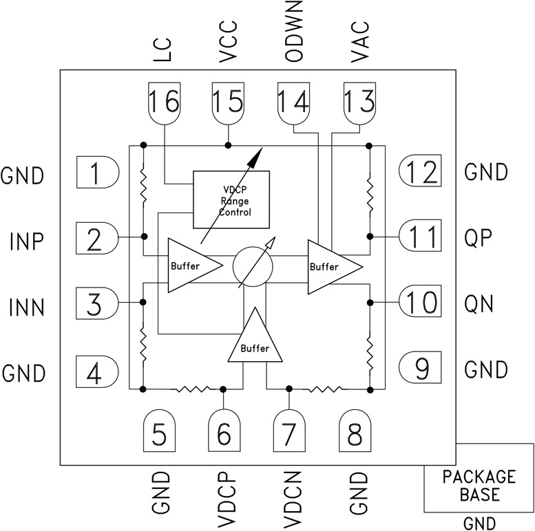
HMC877LC3は、シフト/遅延範囲を0~500°(1.4 UI)の範囲で連続調整できる位相シフタ/時間遅延デバイスです。差動制御電圧(VDCP、VDCN)に対し線形単調な遅延制御が可能で、制御入力の変調帯域幅は2.5GHzです。差動電圧に対し一定の振幅を加え、入力感度レベルを超えるシングルエンドまたは差動入力電圧を提供します。出力電圧スイングはVAC制御ピンを使って調整できます。

HMC877LC3には内部温度補正回路とバイアス回路があり、温度による遅延の変動を最小限に抑えます。また、遅延制御電圧範囲調整ピンLCもあります。HMC877LC3のすべてのRF入力とRF出力は、Vccに接続された50Ωの抵抗によって内部で終端されており、ACまたはDCカップリングが可能です。出力ピンは、Vcc接続の50Ω抵抗終端システムに直接接続できますが、Vcc以外のDC電圧に50Ω抵抗を接続する終端システム入力の場合はDCブロッキング・コンデンサを使用する必要があります。HMC877LC3は、ROHS準拠の3×3 mm SMTパッケージを採用しています。

 

アプリケーション
  • クロックとデータの同期
  • トランスポンダ設計
  • 広帯域試験および測定
  • RF ATEアプリケーション

HMC877
広帯域時間遅延&位相シフタSMT、8~23GHz
HMC877LC3 Functional Block Diagram
myAnalogに追加

myAnalogの製品セクション(通知受け取り)、既存/新規プロジェクトに製品を追加する。

新規プロジェクトを作成
質問する
サポート

アナログ・デバイセズのサポート・ページはアナログ・デバイセズへのあらゆるご質問にお答えするワンストップ・ポータルです。


ドキュメント

データシート 1

データシート

これは最新改訂バージョンのデータシートです。

さらに詳しく
myAnalogに追加

myAnalogのリソース・セクション、既存/新規プロジェクトにメディアを追加する。

新規プロジェクトを作成

ソフトウェア・リソース

必要なソフトウェア/ドライバが見つかりませんか?

ドライバ/ソフトウェアをリクエスト

評価用キット

EVAL-HMC877LC3
HMC877LC3 Evaluation Board

最新のディスカッション

最近表示した製品