Two engineers working in the lab

Save time and deliver your solutions faster with ADI’s new suite of precision technology signal chains. Align your applications ranging from Smart Industry to Instrumentation, Electrification to Digital Health, to exactly the right precision technology combinations.

Tailor your signal chain with confidence

HMC6282A

製造中止

Quad Optical Modulator Driver Module, 32 Gbps

利用上の注意

本データシートの英語以外の言語への翻訳はユーザの便宜のために提供されるものであり、リビジョンが古い場合があります。最新の内容については、必ず最新の英語版をご参照ください。

なお、日本語版のデータシートは基本的に「Rev.0」(リビジョン0)で作成されています。そのため、英語版が後に改訂され、複数製品のデータシートがひとつに統一された場合、同じ「Rev.0」の日本語版のデータシートが異なる製品のデータシートとして表示されることがあります。たとえば、「ADM3307E」の場合、日本語データシートをクリックすると「ADM3311E」が表示されます。これは、英語版のデータシートが複数の製品で共有できるように1本化され、「ADM3307E/ADM3310E/ADM3311E/ADM3312E/ADM3315E」(Rev.J)と改訂されたからで、決して誤ってリンクが張られているわけではありません。和文化されたデータシートを少しでも有効に活用していただくためにこのような方法をとっておりますので、ご了解ください。

アナログ・デバイセズ社は、提供する情報が正確で信頼できるものであることを期していますが、その情報の利用に関して、あるいはその利用によって生じる第三者の特許やその他の権利の侵害に関して一切の責任を負いません。また、アナログ・デバイセズ社の特許または特許の権利の使用を明示的または暗示的に許諾するものでもありません。仕様は予告なしに変更する場合があります。本紙記載の商標および登録商標は、各社の所有に属します。

Viewing:

製品情報

  • Operation up to 32 Gbps
  • 5.3 W Power Dissipation
  • Less than 250 fs Additive RMS Jitter
  • Fully Integrated Compact Module with GPPO Interface
  • Hermetically Sealed Module
  • Integrated Temperature Sensors
  • Module Size: 40 x 25 x 6.5 mm

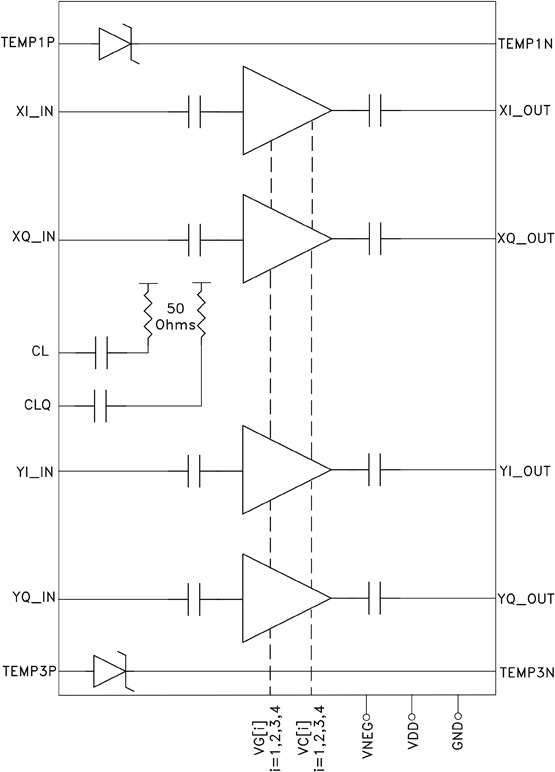
The HMC6282A is a four channel driver amplifier designed for 100 Gbps Mach-Zehnder (MZ) optical modulator driver applications. Four channel driver amplifiers are fully integrated in a compact connectorized hermetically sealed module where the input/output high-speed connectors are GPPO. The HMC6282A is fully compatible with the Optical Internetworking Forum’s (OIF) Integrated Polarization Multiplexed Quadrature Modulated Transmitters Implementation Agreement (OIF-PMQ-TX).

Features such as high gain across a wide frequency range, low jitter, excellent group delay flatness, low power dissipation, compact size, fully integrated bias-T inductors and DC blocks along with the temperature sensor function make the HMC6282A a bestin- class product.

The driver provides 8Vpp saturated output swing up to 32Gbps and features output swing cross point adjustment. There are only 4 DC control pairs required to tune the crossing and output RF amplitude individual for each channel.

HMC6282A requires single supply (VDD) and has a wide supply operating range from +5V to +8V. The RF I/Os are internally matched to 50 Ohms and the broadband DC blocks are integrated. HMC6282A provides Long Haul designers with scalable power dissipation for varying output drive requirements. (4.9W at Vout = 6.5Vpp and 6.5W at Vout = 7.5Vpp).

Applications

  • 100 Gbps DP-QPSK Transmitter
  • 400 Gbps Linear Transmitter

HMC6282A
Quad Optical Modulator Driver Module, 32 Gbps
hmc6282a_fbl
myAnalogに追加

myAnalogの製品セクション(通知受け取り)、既存/新規プロジェクトに製品を追加する。

新規プロジェクトを作成
質問する
サポート

アナログ・デバイセズのサポート・ページはアナログ・デバイセズへのあらゆるご質問にお答えするワンストップ・ポータルです。

さらに詳しく
myAnalogに追加

myAnalogのリソース・セクション、既存/新規プロジェクトにメディアを追加する。

新規プロジェクトを作成

ソフトウェア・リソース

必要なソフトウェア/ドライバが見つかりませんか?

ドライバ/ソフトウェアをリクエスト

評価用キット

EVAL-HMC6282A
HMC6282A Evaluation Board

最新のディスカッション

最近表示した製品