
Analog Devices RF and microwave components are available as drop-in X-MWblocks®
from Quantic™ X-Microwave.
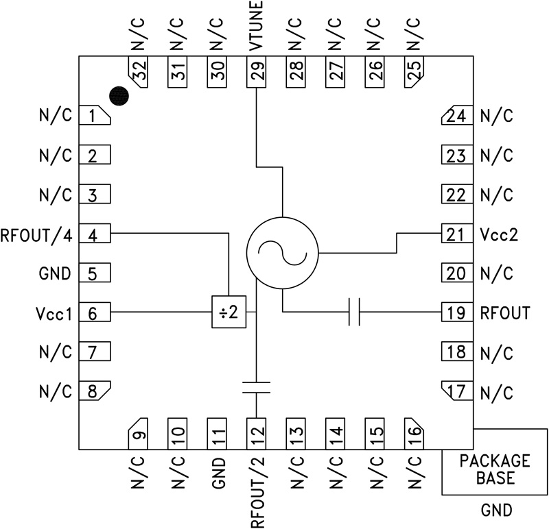
HMC529
新規設計に推奨VCO、SMT、Fo/2 および 1/4 分周器付き、12.4 GHz ~ 13.4 GHz
- 製品モデル
- 3
- 1Ku当たりの価格
- 価格は未定
製品の詳細
- デュアル出力:
Fo = 12.4 GHz ~ 13.4 GHz
Fo/2 = 6.2 GHz ~ 6.7 GHz - Pout: +8 dBm
- 位相ノイズ: 100 kHz で -110 dBc/Hz(代表値)
- 外付け共振器不要
- QFN リードレス SMT パッケージ、25 mm2
HMC529LP5(E) は、GaAs InGaP ベースのヘテロ接合バイポーラ・トランジスタ(HBT)MMIC を使用した VCO です。このデバイスは共振器、負性抵抗素子、バラクタ・ダイオードを内蔵し、1/2 および 1/4 の周波数を出力します。この VCO は、発振器がモノリシック構造であるため、位相ノイズ性能が温度、衝撃、製造工程に対して優れています。+5 V 電源電圧からの電力出力は +8 dBm(代表値)です。プリスケーラ機能が不要な場合、これを無効にすることにより電流を節約することができます。この電圧制御発振器は、5 mm×5 mm のリードレス QFN 表面実装パッケージを採用しており、外付けマッチング部品が不要です。
アプリケーション
- VSAT 無線
- ポイント to ポイントおよびマルチポイント無線
- 試験装置および工業用制御
- 防衛
ドキュメント
データシート 1
技術記事 1
品質関連資料 4
テープ&リール仕様 1
製品選択ガイド 1
製品モデル | ピン/パッケージ図 | 資料 | CADシンボル、フットプリント、および3Dモデル |
---|---|---|---|
HMC529LP5 | LFCSP:LEADFRM CHIP SCALE | ||
HMC529LP5E | LFCSP:LEADFRM CHIP SCALE | ||
HMC529LP5ETR | LFCSP:LEADFRM CHIP SCALE |
これは最新改訂バージョンのデータシートです。
ソフトウェア・リソース
必要なソフトウェア/ドライバが見つかりませんか?
ドライバ/ソフトウェアをリクエストツールおよびシミュレーション
ADIsimPLL™
ADIsimPLLは、アナログ・デバイセズの新しい高性能PLL製品の迅速で信頼性の高い評価を可能にします。これは、現在利用できる最も包括的なPLLシンセサイザ設計およびシミュレーション・ツールです。実施されるシミュレーションには、PLL性能に影響を与える重要な非線形効果がすべて含まれます。ADIsimPLLは、設計プロセスから1回以上の反復作業を削除し、設計から市場投入までの時間を短縮します。
ツールを開く