Quantic X-Microwave

Analog Devices RF and microwave components are available as drop-in X-MWblocks®
from Quantic X-Microwave.

Get the X-MWblock® drop-in module for this part.

HMC507

新規設計に推奨

VCO、SMT、Fo/2 付き、6.65 GHz ~ 7.65 GHz

利用上の注意

本データシートの英語以外の言語への翻訳はユーザの便宜のために提供されるものであり、リビジョンが古い場合があります。最新の内容については、必ず最新の英語版をご参照ください。

なお、日本語版のデータシートは基本的に「Rev.0」(リビジョン0)で作成されています。そのため、英語版が後に改訂され、複数製品のデータシートがひとつに統一された場合、同じ「Rev.0」の日本語版のデータシートが異なる製品のデータシートとして表示されることがあります。たとえば、「ADM3307E」の場合、日本語データシートをクリックすると「ADM3311E」が表示されます。これは、英語版のデータシートが複数の製品で共有できるように1本化され、「ADM3307E/ADM3310E/ADM3311E/ADM3312E/ADM3315E」(Rev.J)と改訂されたからで、決して誤ってリンクが張られているわけではありません。和文化されたデータシートを少しでも有効に活用していただくためにこのような方法をとっておりますので、ご了解ください。

アナログ・デバイセズ社は、提供する情報が正確で信頼できるものであることを期していますが、その情報の利用に関して、あるいはその利用によって生じる第三者の特許やその他の権利の侵害に関して一切の責任を負いません。また、アナログ・デバイセズ社の特許または特許の権利の使用を明示的または暗示的に許諾するものでもありません。仕様は予告なしに変更する場合があります。本紙記載の商標および登録商標は、各社の所有に属します。

Viewing:

製品情報

  • デュアル出力:
    Fo = 6.65 GHz ~ 7.65 GHz
    Fo/2 = 3.325 GHz ~ 3.825 GHz
  • Pout:+13.5 dBm
  • 位相ノイズ:100 kHzで-115 dBc/Hz(代表値)
  • 外付け共振器不要
  • QFNリードレスSMTパッケージ、25 mm2

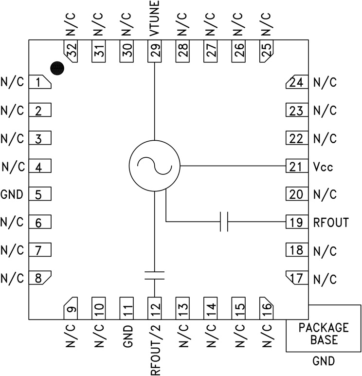
HMC507LP5(E)は、GaAs InGaPベースのヘテロ接合バイポーラ・トランジスタ(HBT)MMICを使用したVCOです。HMC507LP5(E)は共振器、負性抵抗素子、バラクタ・ダイオードを内蔵し、1/2の周波数を出力します。このVCOは、発振器がモノリシック構造であるため、温度、衝撃、製造工程に対して優れた位相ノイズ性能を発揮します。+5 V電源からの電力出力は+13.5 dBm(代表値)です。この電圧制御発振器は、5 mm×5 mmのリードレスQFN表面実装パッケージを採用しており、外付けマッチング部品が不要です。 

アプリケーション

  • VSAT無線
  • ポイントtoポイントおよびマルチポイント無線
  • 試験装置および工業用制御
  • 防衛

HMC507
VCO、SMT、Fo/2 付き、6.65 GHz ~ 7.65 GHz
HMC507 Functional Block Diagram
myAnalogに追加

myAnalogの製品セクション(通知受け取り)、既存/新規プロジェクトに製品を追加する。

新規プロジェクトを作成
質問する
サポート

アナログ・デバイセズのサポート・ページはアナログ・デバイセズへのあらゆるご質問にお答えするワンストップ・ポータルです。


ドキュメント

データシート 1

データシート

これは最新改訂バージョンのデータシートです。

さらに詳しく
myAnalogに追加

myAnalogのリソース・セクション、既存/新規プロジェクトにメディアを追加する。

新規プロジェクトを作成

ソフトウェア・リソース

必要なソフトウェア/ドライバが見つかりませんか?

ドライバ/ソフトウェアをリクエスト

ツールおよびシミュレーション

ADIsimPLL™

ADIsimPLLは、アナログ・デバイセズの新しい高性能PLL製品の迅速で信頼性の高い評価を可能にします。これは、現在利用できる最も包括的なPLLシンセサイザ設計およびシミュレーション・ツールです。実施されるシミュレーションには、PLL性能に影響を与える重要な非線形効果がすべて含まれます。ADIsimPLLは、設計プロセスから1回以上の反復作業を削除し、設計から市場投入までの時間を短縮します。

ツールを開く

評価用キット

EVAL-HMC507LP5
HMC507LP5 Evaluation Board
HMC507 Evaluation Board HMC507 Evaluation Board - Top View HMC507 Evaluation Board - Bottom View

最新のディスカッション

最近表示した製品