HMC265LM3

製造中

低調波ミキサー、SMT、20 GHz ~ 31 GHz

利用上の注意

本データシートの英語以外の言語への翻訳はユーザの便宜のために提供されるものであり、リビジョンが古い場合があります。最新の内容については、必ず最新の英語版をご参照ください。

なお、日本語版のデータシートは基本的に「Rev.0」(リビジョン0)で作成されています。そのため、英語版が後に改訂され、複数製品のデータシートがひとつに統一された場合、同じ「Rev.0」の日本語版のデータシートが異なる製品のデータシートとして表示されることがあります。たとえば、「ADM3307E」の場合、日本語データシートをクリックすると「ADM3311E」が表示されます。これは、英語版のデータシートが複数の製品で共有できるように1本化され、「ADM3307E/ADM3310E/ADM3311E/ADM3312E/ADM3315E」(Rev.J)と改訂されたからで、決して誤ってリンクが張られているわけではありません。和文化されたデータシートを少しでも有効に活用していただくためにこのような方法をとっておりますので、ご了解ください。

アナログ・デバイセズ社は、提供する情報が正確で信頼できるものであることを期していますが、その情報の利用に関して、あるいはその利用によって生じる第三者の特許やその他の権利の侵害に関して一切の責任を負いません。また、アナログ・デバイセズ社の特許または特許の権利の使用を明示的または暗示的に許諾するものでもありません。仕様は予告なしに変更する場合があります。本紙記載の商標および登録商標は、各社の所有に属します。

Viewing:

製品情報

  • LO アンプ内蔵: -4 dBm 入力
  • 低調波励起(2 逓倍)の LO
  • 高 2LO/RF アイソレーション: > 28 dB
  • LM3 SMT パッケージ

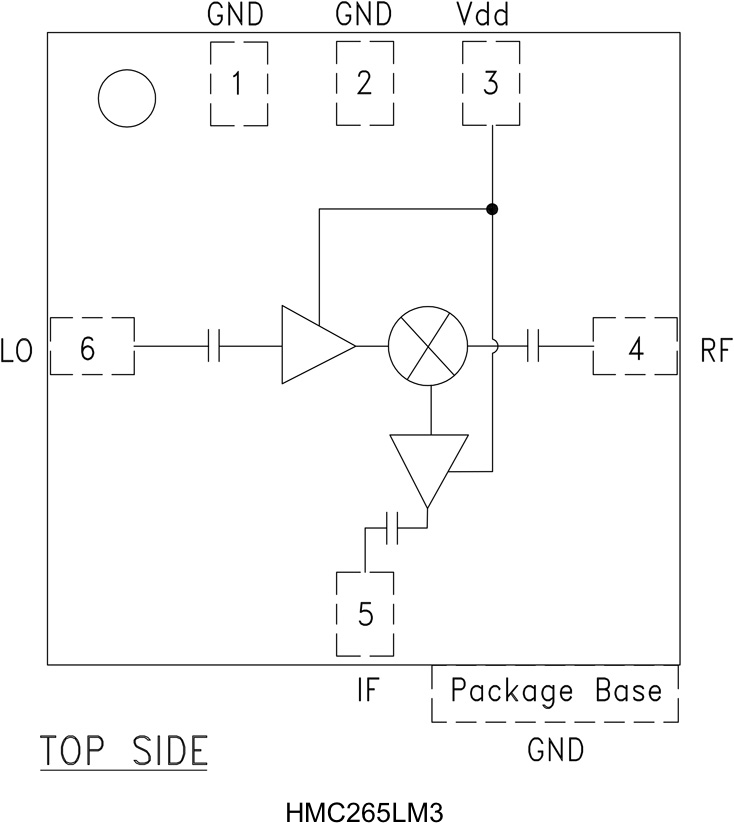
HMC265LM3 は、LO アンプと IF アンプを内蔵した 20 GHz ~ 31 GHz の表面実装低調波励起(2 逓倍) MMIC ミキサー・ダウンコンバータです。SMT リードレス・チップ・キャリア・パッケージを採用し、2LO-RF 間および 2LO-IF 間のアイソレーションが 28 dB ~ 47 dB と優れているため、フィルタ処理を追加する必要がありません。LO アンプはシングル・バイアス(+3 V ~ +4 V)の 2 段設計で、必要な駆動レベルはわずか -4 dBm です。全てのデータは、非ハーメチックのエポキシ密閉型 LM3 パッケージのデバイスを 50 Ω 試験装置に実装して測定したものです。HMC265LM3 を使用することによりワイヤ・ボンディングが不要になるので、安定した接続インターフェースが得られます。 

アプリケーション
  • 20 GHz ~ 31 GHz のマイクロ波無線
  • ポイント to ポイント無線用ダウンコンバータ
  • LMDS および SATCOM

HMC265LM3
低調波ミキサー、SMT、20 GHz ~ 31 GHz
HMC265LM3 Functional Block Diagram
myAnalogに追加

myAnalogの製品セクション(通知受け取り)、既存/新規プロジェクトに製品を追加する。

新規プロジェクトを作成
質問する
サポート

アナログ・デバイセズのサポート・ページはアナログ・デバイセズへのあらゆるご質問にお答えするワンストップ・ポータルです。


ドキュメント

データシート 1

データシート

これは最新改訂バージョンのデータシートです。

さらに詳しく
myAnalogに追加

myAnalogのリソース・セクション、既存/新規プロジェクトにメディアを追加する。

新規プロジェクトを作成

ソフトウェア・リソース

必要なソフトウェア/ドライバが見つかりませんか?

ドライバ/ソフトウェアをリクエスト

ツールおよびシミュレーション

Sパラメータ 1

ADIsimRF

ADIsimRFは使いやすいRFシグナル・チェーン計算ツールです。最大50段までのシグナル・チェーンについて、カスケード・ゲイン、ノイズ、歪み、消費電力を計算し、プロット、エクスポートが可能です。ADIsimRFには、アナログ・デバイセズのRFおよびミックスド・シグナル部品のデバイス・モデルの広範なデータ・ベースも含まれています。

ツールを開く

最新のディスカッション

HMC265LM3に関するディスカッションはまだありません。意見を投稿しますか?

EngineerZone®でディスカッションを始める

最近表示した製品