HMC265-Die

製造中

低調波ミキサー・チップ、20 GHz ~ 32 GHz

利用上の注意

本データシートの英語以外の言語への翻訳はユーザの便宜のために提供されるものであり、リビジョンが古い場合があります。最新の内容については、必ず最新の英語版をご参照ください。

なお、日本語版のデータシートは基本的に「Rev.0」(リビジョン0)で作成されています。そのため、英語版が後に改訂され、複数製品のデータシートがひとつに統一された場合、同じ「Rev.0」の日本語版のデータシートが異なる製品のデータシートとして表示されることがあります。たとえば、「ADM3307E」の場合、日本語データシートをクリックすると「ADM3311E」が表示されます。これは、英語版のデータシートが複数の製品で共有できるように1本化され、「ADM3307E/ADM3310E/ADM3311E/ADM3312E/ADM3315E」(Rev.J)と改訂されたからで、決して誤ってリンクが張られているわけではありません。和文化されたデータシートを少しでも有効に活用していただくためにこのような方法をとっておりますので、ご了解ください。

アナログ・デバイセズ社は、提供する情報が正確で信頼できるものであることを期していますが、その情報の利用に関して、あるいはその利用によって生じる第三者の特許やその他の権利の侵害に関して一切の責任を負いません。また、アナログ・デバイセズ社の特許または特許の権利の使用を明示的または暗示的に許諾するものでもありません。仕様は予告なしに変更する場合があります。本紙記載の商標および登録商標は、各社の所有に属します。

Viewing:

製品情報

  • LO アンプ内蔵: -4 dBm 入力
  • 低調波励起(2 逓倍)の LO
  • IF アンプ内蔵: 3 dB のゲイン
  • 小型: 1.32 mm x 1.32 mm x 0.1 mm

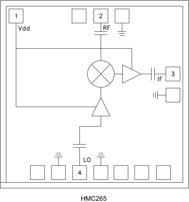
HMC265 チップは LO アンプと IF アンプを内蔵した低調波励起(2 逓倍)の MMICダウンコンバータです。このチップは GaAs PHEMT 技術を採用しているので、総チップ面積 1.74 mm² と小型化を実現しています。2LO-RF 間のアイソレーションが優れているため、フィルタ処理を追加する必要がありません。LO アンプはシングル・バイアス(+3 V ~ +4 V)の 2 段設計で、必要な駆動レベルはわずか -4 dBm(公称値)です。全てのデータは、直径 0.025 mm(1 mil)、最短 0.31 mm(12 mil)のワイヤ・ボンドを使用し、チップを 50 Ω 試験装置に接続して測定したものです。このダウンコンバータ IC は、ハイブリッド・ダイオードによるダウンコンバータ MMIC アセンブリに代わる、小型で高信頼性の優れたデバイスを提供します。 

アプリケーション
  • マイクロ波ポイント to ポイント無線
  • LMDS
  • SATCOM

HMC265-Die
低調波ミキサー・チップ、20 GHz ~ 32 GHz
HMC265 Functional Block Diagram
myAnalogに追加

myAnalogの製品セクション(通知受け取り)、既存/新規プロジェクトに製品を追加する。

新規プロジェクトを作成
質問する
サポート

アナログ・デバイセズのサポート・ページはアナログ・デバイセズへのあらゆるご質問にお答えするワンストップ・ポータルです。


ドキュメント

データシート 1

データシート

これは最新改訂バージョンのデータシートです。

さらに詳しく
myAnalogに追加

myAnalogのリソース・セクション、既存/新規プロジェクトにメディアを追加する。

新規プロジェクトを作成

ソフトウェア・リソース

必要なソフトウェア/ドライバが見つかりませんか?

ドライバ/ソフトウェアをリクエスト

ツールおよびシミュレーション

ADIsimRF

ADIsimRFは使いやすいRFシグナル・チェーン計算ツールです。最大50段までのシグナル・チェーンについて、カスケード・ゲイン、ノイズ、歪み、消費電力を計算し、プロット、エクスポートが可能です。ADIsimRFには、アナログ・デバイセズのRFおよびミックスド・シグナル部品のデバイス・モデルの広範なデータ・ベースも含まれています。

ツールを開く

Sパラメータ 1

最新のディスカッション

HMC265-DIEに関するディスカッションはまだありません。意見を投稿しますか?

EngineerZone®でディスカッションを始める

最近表示した製品