ADPD144RI
新規設計には非推奨Red/IRエミッタおよびAFE内蔵のPPG光センサーモジュール
- 製品モデル
- 2
- 1Ku当たりの価格
- 最低価格:$4.71
製品情報
- 
    光学部品を内蔵した2.8mm × 5.0mmモジュール
    - 660nm LED、880nm 赤外線LED、フォトダイオード
 
- AFE、ADC、LEDドライバ、タイミング・コアをすべて内蔵
- カスタムの光パッケージによりガラス窓の下で機能
- 2チャンネル、8.5mA~370mA LEDプログラマブル・ドライバ
- 外付けLEDエミッタの使用に対応
- 低消費電力
- 超低直接光反射対応の特別設計
- チャンネルごとに独立したAFE設定値
- I2Cデータおよび制御インターフェース
- サンプリング周期あたり20ビットのサンプリングを可能にするバースト・アキュムレータ
- サンプル間のアキュムレータにより、1回で最大27ビットのデータ読出しが可能
- チャンネルごとに16ビット/32ビット・レジスタまたはFIFO読み出し
ADPD144RIは、血液酸素化(SpO2)の光電式容積脈波記録法(PPG)検出用に最適化された高集積の測光用フロント・エンドで、赤色波長と赤外波長を同期検出します。同期測定により、DCとACの両方において、極めて低い消費電力でクラス最高の周辺光干渉の除去を実現します。
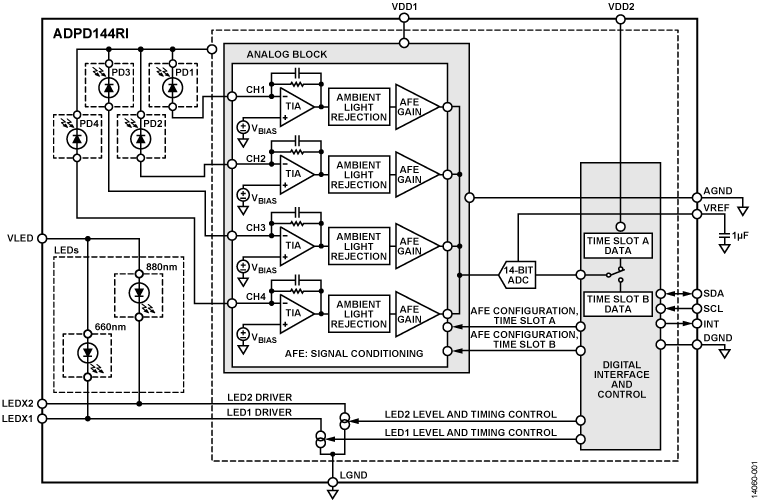
モジュールでは、高効率の発光ダイオード(LED)エミッタおよび高感度4チャンネル深拡散フォトダイオード(PD1~PD4)が、小型パッケージ内でカスタムASIC(特定用途向け集積回路)に組み合わされており、内蔵LEDエミッタと検出用フォトダイオード間の光学絶縁により、組織全体でS/N比(SNR)が向上します。
ASICは、異なるゲインとフィルタ設定値で個別に構成可能な2つのデータパスを持つ4チャンネルのアナログ・フロント・エンド(AFE)、バースト・アキュムレータを備えた14ビットA/Dコンバータ(ADC)、柔軟かつ個別に構成可能な2つのLEDドライバ、およびデジタル制御ブロックにより構成されています。デジタル制御ブロックはAFEおよびLEDタイミング、信号処理、通信を提供します。データ出力と機能設定は、1.8VのI2Cインターフェースを介して行われます。
アプリケーション
- 光学式心拍数モニタリング
- 反射SpO2の測定
アナログ・デバイセズのヘルスケア製品および関連情報については、www.analog.com/healthcareを参照してください。
ドキュメント
データシート 1
ユーザ・ガイド 1
技術記事 3
サードパーティ・ソリューション 1
| 製品モデル | ピン/パッケージ図 | 資料 | CADシンボル、フットプリント、および3Dモデル | 
|---|---|---|---|
| ADPD144RI-ACEZ-RL | 12-Lead LGA_CAV (2.8mm x 5mm x 1.35mm) | ||
| ADPD144RI-ACEZ-RL7 | 12-Lead LGA_CAV (2.8mm x 5mm x 1.35mm) | 
これは最新改訂バージョンのデータシートです。
 
                             
                                 
                                                