HMC815
HMC815
製造中止GaAs MMIC I/Q Upconverter, 21 - 27 GHz
- 製品モデル
- 3
- 1Ku当たりの価格
- 価格は未定
Viewing:
製品情報
- High Conversion Gain: 12 dB
- Sideband Rejection: -20 dBc
- 2 LO to RF Isolation: 10 dB
- Output IP3: +27 dBm
- 32 Lead Ceramic 5x5mm SMT Package: 25mm²
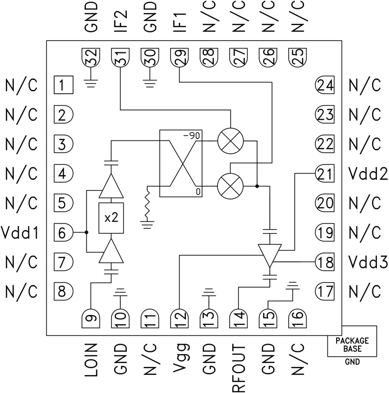
The HMC815LC5 is a compact GaAs MMIC I/Q upconverter in a leadless RoHS compliant SMT package. This device provides a small signal conversion gain of 12 dB with -20 dBc of sideband rejection. The HMC815LC5 utilizes a driver amplifier preceded by an I/Q mixer where the LO is driven by an active x2 multiplier. IF1 and IF2 mixer inputs are provided and an external 90° hybrid is needed to select the required sideband. The I/Q mixer topology reduces the need for filtering of the unwanted sideband. The HMC815LC5 is a much smaller alternative to hybrid style single sideband upconverter assemblies and it eliminates the need for wire bonding by allowing the use of surface mount manufacturing techniques.
Applications
- Point-to-Point and Point-to-Multi-Point Radio
- Military Radar, EW & ELINT
- Satellite Communications
- Sensors
推奨代替製品
21 GHz ~ 27 GHz、GaAs MMIC I/Q アップコンバータ
ドキュメント
製造中止品のデータシート 1
品質関連資料 2
テープ&リール仕様 1
| 製品モデル | ピン/パッケージ図 | 資料 | CADシンボル、フットプリント、および3Dモデル |
|---|---|---|---|
| HMC815LC5 | 32-Lead LFCSP_CAV (5mm x 5mm w/ EP) | ||
| HMC815LC5TR | 32-Lead LFCSP_CAV (5mm x 5mm w/ EP) | ||
| HMC815LC5TR-R5 | 32-Lead LFCSP_CAV (5mm x 5mm w/ EP) |
| 製品モデル | 製品ライフサイクル | PCN |
|---|---|---|
|
12 14, 2015 - 15_0026 Discontinuance of Select Hittite Microwave Products (HMC) from Analog Devices |
||
| HMC815LC5 | 製造中止 | |
| HMC815LC5TR | 製造中止 | |
これは最新改訂バージョンのデータシートです。
ソフトウェア・リソース
必要なソフトウェア/ドライバが見つかりませんか?
ドライバ/ソフトウェアをリクエストハードウェア・エコシステム
| 製品モデル | 製品ライフサイクル | 詳細 |
|---|---|---|
| HMC815B | 新規設計に推奨 | 21 GHz ~ 27 GHz、GaAs MMIC I/Q アップコンバータ |