HMC5929

製造中止

GaAs pHEMT MMIC 1 Watt Power Amplifier, 40 - 43.5 GHz

Viewing:

製品情報

  • Saturated Output Power:
    +30 dBm @ 15% PAE
  • Output IP3: +36 dBm
  • High Gain: 19 dB
  • DC Supply: +6V @ 900 mA
  • No External Matching Required
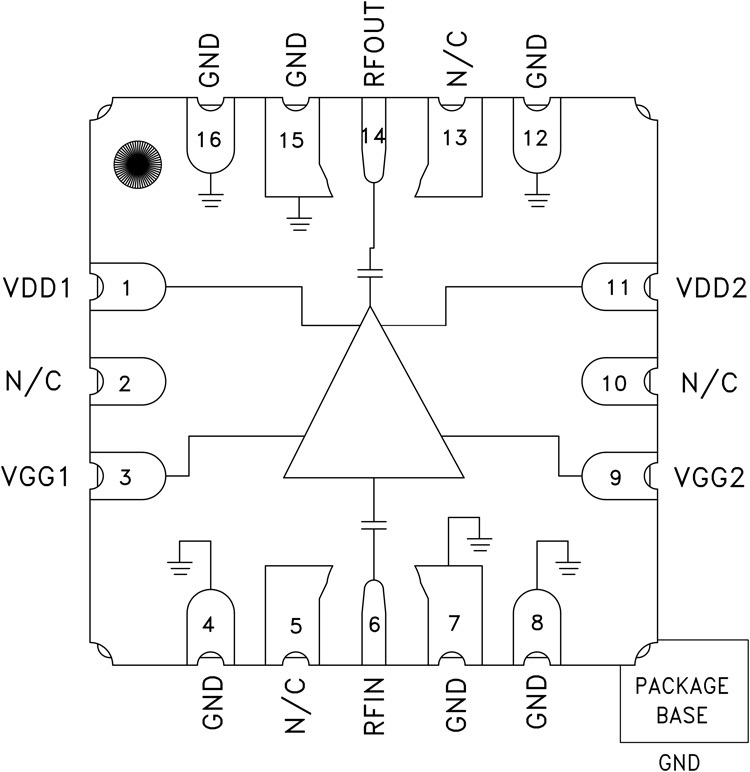
  • 16 Lead Ceramic 6x6 mm SMT Package

The HMC5929LS6 is a 4 stage GaAs pHEMT MMIC 1 Watt Power Amplifier which operates between 40 and 43.5 GHz. The amplifier provides 19 dB of gain, +30 dBm of saturated output power, and 15% PAE from a +6V supply. With an excellent IP3 of +36 dBm, the HMC5929LS6 is ideal for high linearity applications in military and space as well as point-to-point and point-to-multi-point radios. The HMC5929LS6 is housed in a ceramic air cavity package which exhibits low thermal resistance and is compatible with surface mount manufacturing techniques. The RF I/Os are internally matched and DC blocked for ease of integration into higher level assemblies.

Applications

  • Point-to-Point Radios
  • Point-to-Multi-Point Radios
  • VSAT & SATCOM
  • Military & Space

 

HMC5929
GaAs pHEMT MMIC 1 Watt Power Amplifier, 40 - 43.5 GHz
hmc5929ls6_fbl
myAnalogに追加

myAnalogの製品セクション(通知受け取り)、既存/新規プロジェクトに製品を追加する。

新規プロジェクトを作成
質問する
サポート

アナログ・デバイセズのサポート・ページはアナログ・デバイセズへのあらゆるご質問にお答えするワンストップ・ポータルです。


ドキュメント

データシート

これは最新改訂バージョンのデータシートです。

さらに詳しく
myAnalogに追加

myAnalogのリソース・セクション、既存/新規プロジェクトにメディアを追加する。

新規プロジェクトを作成

ソフトウェア・リソース

必要なソフトウェア/ドライバが見つかりませんか?

ドライバ/ソフトウェアをリクエスト

評価用キット

EVAL-HMC5929LS6
HMC5929LS6 Evaluation Board

最新のディスカッション

最近表示した製品