Overview
Product Details
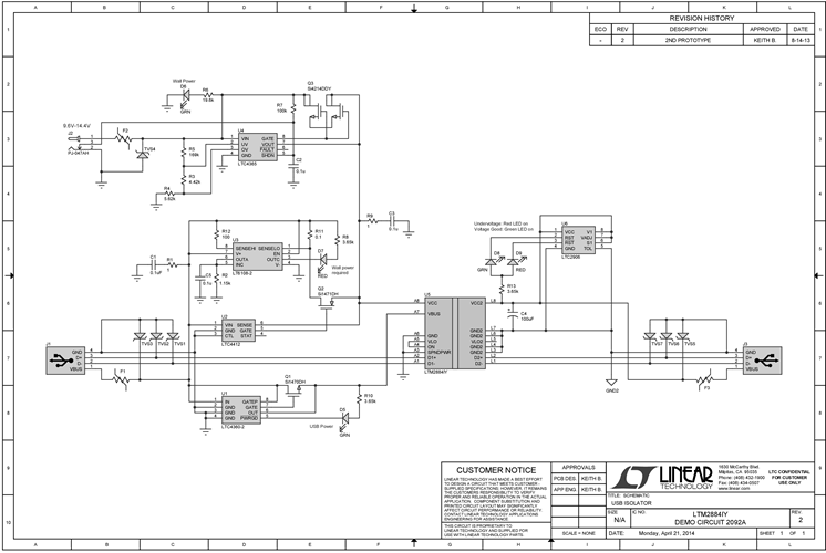
The LTP2884 is a complete USB isolator solution, ideal for any application requiring ground isolation, protection from large common mode voltage variations, or protection from spikes and surges. Built with convenience in mind, this robust isolator brings comprehensive protection to a wide variety of applications without the need for any configuration or additional software.
Markets and Technologies
Applicable Parts
Documentation & Resources
-
DC2092A - Schematic6/5/2014PDF62K
-
DC2092A - Demo Manual6/5/2014PDF456K
-
DC2092A - Design Files6/5/2014ZIP574K

