Overview
Product Details
DC590B - Demo Board
Applicable Parts
Documentation & Resources
-
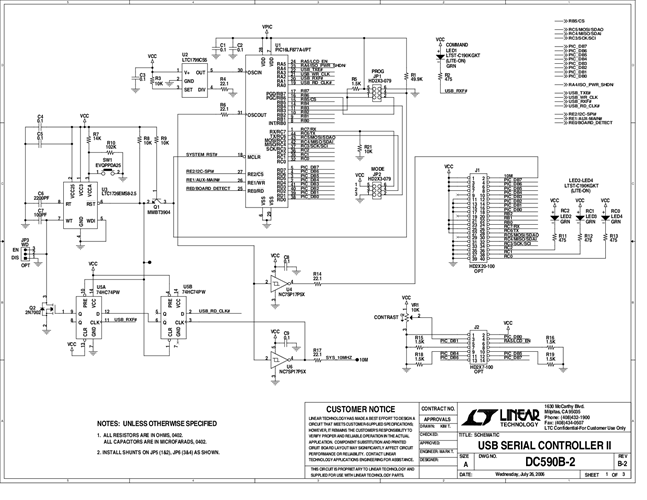
DC590B - Schematic9/24/2009PDF102K
-
DC590B - Demo Manual9/18/2012PDF391K
-
DC590B - Design File9/24/2009ZIP1M




