Overview
Product Details
This evaluation board is obsolete and no longer recommended. The replacement board is the DC2100B-D.
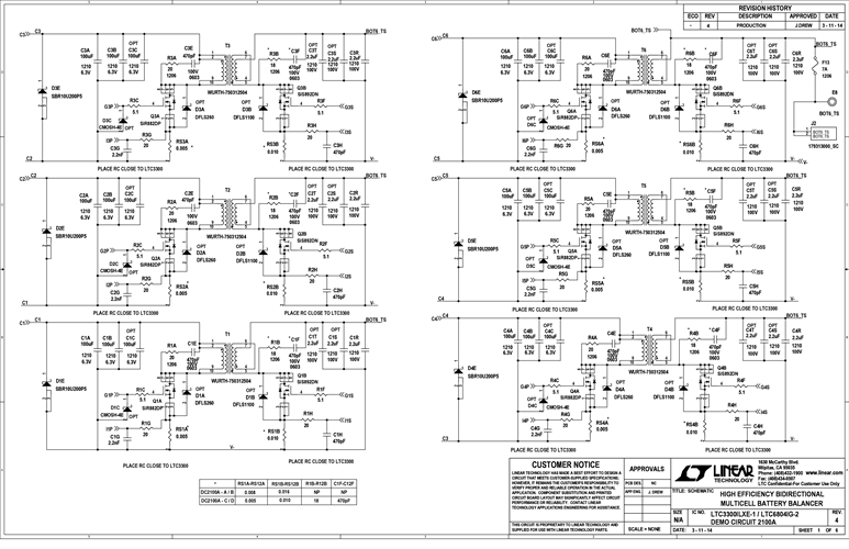
Demonstration Circuit DC2100A-D is a stackable, bidirectional cell balancer slave board using the LTC6804-2 and the LTC3300-1 ICs to achieve active balancing of up to 12 Li-Ion cells. It requires the DC2100A-C for proper operation. The DC2100B-D uses a single LTC6804-2 Multi-Cell Addressable Battery Stack Monitor IC to measure cell voltages and two LTC3300-1 Synchronous Flyback ICs to provide active cell balancing. The DC2100A-C controller board contains a PIC18F47J53 microcontroller, the LTM2884 isolated USB transceiver, the LTC6804-2, two LTC3300-1 ICs, and the LTC6820 isoSPI Interface IC to facilitate isolated communication. Up to seven DC2100A-D boards can be connected to a DC2100A-C to build a stacked system of eight total boards.
Markets and Technologies
Applicable Parts
Documentation & Resources
-
DC2100A - Schematic6/10/2014PDF319K
-
DC2100A - Demo Manual3/12/2015PDF4M
-
DC2100A-D - Design Files8/13/2014ZIP6M
