Overview
Product Details
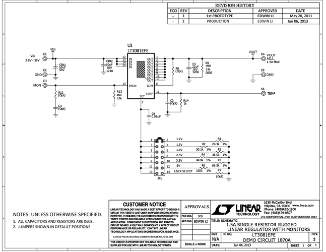
DC1870A is a 1.5A low dropout linear regulator featuring the LT3081. The device is designed for rugged industrial applications and can be paralleled for higher output current or heat spreading. Besides paralleling, the LT3081 also presents other features including adjustability to zero VOUT, reverse protection for input and output-to-input voltages, temperature monitor, output current monitor, etc. A key feature of the LT3081 is the extended safe operating area (SOA). With the precision zero TC 50μA reference current source, a single resistor programs the output voltage to any level between zero and 34.5V. Internal protection circuitry includes reverse-battery and reverse-current protection, current limiting and thermal limiting.
Markets and Technologies
Applicable Parts
Documentation & Resources
-
DC1870A - Schematic7/12/2013PDF70K
-
DC1870A - Demo Manual7/12/2013PDF281K
-
DC1870A - Design Files7/12/2013ZIP2M




