AN-1488: Precision, AC Reference Signal Attenuator Using the AD5546/AD5556 Multiplying DAC
Circuit Function and Benefits
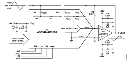
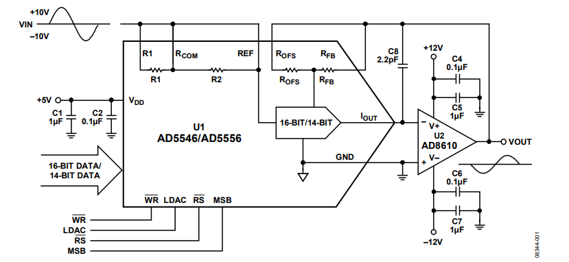
The circuit shown in Figure 1 provides precision, ac signal attenuation using the AD5546/AD5556 digital-to-analog converter (DAC) and the AD8610 precision operational amplifier (op amp).

This circuit provides accurate, low noise, high speed output voltage capability and is well suited for process control, automatic test equipment (ATE), and digital calibration applications.
Circuit Description
The AD5546/AD5556 are precision, 16-bit/14-bit, multiplying, low power, current output, parallel input DACs. They operate from a single 2.7 V to 5.5 V supply with ±10 V multiplying references for four-quadrant outputs. The multiplying bandwidth is 4 MHz. Built in four-quadrant resistors facilitate resistance matching and temperature tracking that minimize the number of components needed for multiquadrant applications. Besides handling digital waveforms decoded from parallel input data, the AD5546/ AD5556 handle low frequency ac reference signals for signal attenuation, channel equalization, and waveform generation applications.
An op amp is used in the current to voltage stage of this circuit. The bias current and offset voltage of an op amp are both important selection criteria for use with precision current output DACs. Therefore, this circuit employs the AD8610 op amp, which has ultralow offset voltage (100 µV maximum for the B grade) and bias current (10 pA maximum). The value of C8 for this circuit is 2.2 pF, which is optimized to compensate for the external output capacitance of the DAC.
References
Kester, Walt. 2005. Chapter 3 and Chapter 7. The Data Conversion Handbook. Analog Devices.
MT-015 Tutorial, Basic DAC Architectures II: Binary DACs. Analog Devices.
MT-031 Tutorial, Grounding Data Converters and Solving the Mystery of AGND and DGND. Analog Devices.