MX636

Obsolete

True RMS-to-DC Converters

Viewing:

Overview

  • True RMS-to-DC Conversion
  • Computes RMS of AC and DC Signals
  • Wide Response:
    • 2MHz Bandwidth for VRMS > 1V (MX536A)
    • 1MHz Bandwidth for VRMS > 100mV (MX636)
  • Auxiliary dB Output:
    • 60dB Range (MX536A)
    • 50dB Range (MX636)
  • Single- or Dual-Supply Operation
  • Low Power:
    • 1.2mA typ (MX536A)
    • 800µA typ (MX636)

The MX536A and MX636 are true RMS-to-DC converters. They feature low power and are designed to accept low-level input signals from 0 to 7VRMS for the MX536A and 0 to 200mVRMS for the MX636. Both devices accept complex input waveforms containing AC and DC components. They can be operated from either a single supply or dual supplies. Both devices draw less than 1mA of quiescent supply current, making them ideal for battery-powered applications.

Input and output offset, positive and negative waveform symmetry (DC reversal), and full-scale accuracy are laser trimmed, so that no external trims are required to achieve full rated accuracy.

Applications

  • Battery-Powered Applications
  • Digital Multimeters
  • Panel Meters
  • Process Control

MX636
True RMS-to-DC Converters
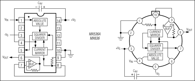
MX536A, MX636: Typical Operating Circuits
Add to myAnalog

Add product to the Products section of myAnalog (to receive notifications), to an existing project or to a new project.

Create New Project
Ask a Question

Documentation

Learn More
Add to myAnalog

Add media to the Resources section of myAnalog, to an existing project or to a new project.

Create New Project

Software Resources

Can't find the software or driver you need?

Request a Driver/Software

Latest Discussions

No discussions on MX636 yet. Have something to say?

Start a Discussion on EngineerZone®

Recently Viewed