MAX98500

Obsolete

Boosted 2.2W Class D Amplifier with Automatic Level Control

High-Efficiency Boosted Amplifier Makes Speakers Louder Without Collapsing the Battery

Viewing:

Overview

  • Boosted Class D Output
  • Integrated Automatic Level Control
  • Output Power
    • 2.2W into 8Ω, 10% THD+N
    • 1.7W into 8Ω, 1% THD+N
  • Wide 2.5V to 5.5V Supply Voltage Range
  • Undervoltage Lockout Protection
  • High Total Efficiency of 87%
  • High Step-Up Switching Frequency (2MHz)
  • Active Emission Limiting for Low EMI

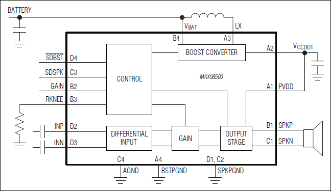
The MAX98500 is a high-efficiency Class D audio amplifier that features an integrated boost converter, to deliver a constant output power over a wide range of battery supply voltages.

The boost converter operates at 2MHz, requiring only a small (2.2µH) external inductor and capacitor.

The automatic level control has a battery tracking function that reduces the output swing as the supply voltage drops, preventing collapse of battery voltage.

The amplifier has differential inputs and an internal fully differential design. The MAX98500 also features three gain settings (6dB, 15.5dB, and 20dB) that are selectable with a logic input.

The MAX98500 is available in a small, 0.5mm pitch 16-bump WLP package (2.1mm x 2.1mm). It is specified over the extended -40°C to +85°C temperature range.

Applications

  • Active Speaker Accessories
  • Cell Phones
  • GPS Devices
  • Mobile Internet Devices
  • Smartphones

MAX98500
Boosted 2.2W Class D Amplifier with Automatic Level Control
MAX98500: Simplified Block Diagram
Add to myAnalog

Add product to the Products section of myAnalog (to receive notifications), to an existing project or to a new project.

Create New Project
Ask a Question

Documentation

Learn More
Add to myAnalog

Add media to the Resources section of myAnalog, to an existing project or to a new project.

Create New Project

Software Resources

Can't find the software or driver you need?

Request a Driver/Software

Evaluation Kits

MAX98500EVKIT

Evaluation Kit for the MAX98500

Features and Benefits

  • 2.5V to 5.5V Single-Supply Operation
  • Output Power: 2.2W into 8Ω, 10% THD+N
  • Selectable Gain Settings (6dB, 15.5dB, and 20dB)
  • Boosted Class D Output
  • Differential or Single-Ended Input Signals
  • Boost Converter Shutdown
  • Speaker Output Shutdown
  • Fully Assembled and Tested

Product Details

The MAX98500 evaluation kit (EV kit) is a fully assembled and tested circuit board that uses the MAX98500 boosted Class D amplifier to drive a mono bridge-tied-load (BTL) speaker in portable audio applications. Designed to operate from a 2.5V to 5.5V DC power supply, the EV kit delivers 2.2W into an 8Ω load. The EV kit accepts differential or single-ended input signals, features three selectable gain settings (6dB, 15.5dB, and 20dB), and provides separate speaker and boost shutdown inputs.

Applications

  • Active Speaker Accessories
  • Cell Phones
  • GPS Devices
  • Mobile Internet Devices
  • Smartphones

MAX98500EVKIT
Evaluation Kit for the MAX98500

Latest Discussions

No discussions on MAX98500 yet. Have something to say?

Start a Discussion on EngineerZone®

Recently Viewed