MAX8900C

Obsolete

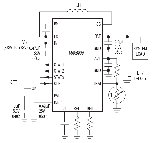
1.2A Switch-Mode Li+ Chargers with ±22V Input Rating and JEITA Battery Temperature Monitoring

JEITA-Compliant Battery Chargers that Minimize Solution Size and Heat in Space-Constrained Consumer Electronics

Viewing:

Overview

  • 3.25MHz Switching Li+/Li-Poly Battery Charger
  • JEITA Battery Temperature Monitor Adjusts Charge Current and Termination Voltage
  • 4.2V ±0.5% Battery Regulation Voltage (Alternate 4.1V Target Available on Request)
  • Adjustable Done Current Threshold
    • Adjustable from 10mA to 200mA
    • ±1mA Accuracy at 10mA
  • High-Efficiency and Low Heat
  • Uses a 2.0mm x 1.6mm Inductor
  • Positive and Negative Input Voltage Protection (±22V)
  • Up to +20V Operating Range (Alternate OVLO Ranges Available on Request)
  • Supports No-Battery Operation
  • Fault Timer
  • Charge Status Outputs
  • 2.44mm x 2.67mm x 0.64mm Package

The MAX8900_ is a high-frequency, switch-mode charger for a 1-cell lithium ion (Li+) or lithium polymer (Li-Poly) battery. It delivers up to 1.2A of current to the battery from 3.4V to 6.3V (MAX8900A/MAX8900C) or 3.4V to 8.7V (MAX8900B). The 3.25MHz switch-mode charger is ideally suited to small portable devices such as headsets and ultra-portable media players because it minimizes component size and heat.

Several features make the MAX8900_ perfect for high-reliability systems. The MAX8900_ is protected against input voltages as high as +22V and as low as -22V. Battery protection features include low voltage prequalification, charge fault timer, die temperature monitoring, and battery temperature monitoring. The battery temperature monitoring adjusts the charge current and termination voltage as described in the JEITA* specification for safe use of secondary lithium-ion batteries.

Charge parameters are easily adjustable with external components. An external resistance adjusts the charge current from 50mA to 1200mA. Another external resistance adjusts the prequalification and done current thresholds from 10mA to 200mA. The done current threshold is very accurate achieving ±1mA at the 10mA level. The charge timer is adjustable with an external capacitor.

The MAX8900_ is available in a 0.4mm pitch, 2.44mm x 2.67mm x 0.64mm WLP package.

Applications

  • Digital Cameras
  • eBook
  • GPS, PND
  • Headsets and Media Players
  • Smartphones
  • USB Charging

MAX8900C
1.2A Switch-Mode Li+ Chargers with ±22V Input Rating and JEITA Battery Temperature Monitoring
MAX8900A, MAX8900B: Simplified Applications Circuit
Add to myAnalog

Add product to the Products section of myAnalog (to receive notifications), to an existing project or to a new project.

Create New Project
Ask a Question

Documentation

Learn More
Add to myAnalog

Add media to the Resources section of myAnalog, to an existing project or to a new project.

Create New Project

Software Resources

Can't find the software or driver you need?

Request a Driver/Software

Evaluation Kits

MAX8900AEVKIT

Evaluation Kit for the MAX8900A and MAX8900B

Features and Benefits

  • 3.25MHz Switching Li+/Li-Poly Battery Charger
  • JEITA Battery Temperature Monitor Adjusts Charge Current and Termination Voltage
    • On-Board 3380K NTC Thermistor
    • On-Board Potentiometer Allows Easy Evaluation
  • Battery Fast-Charge Current-Limit Adjustment Range of 50mA to 1200mA
    • Dynamic Charge Current Programming Using MOSFET and Resistor Array on the EV Kit
    • Potentiometer Adjustment Available
  • Prequalification and Done Threshold Adjustment Range of 10mA to 200mA
    • Dynamic Charge Current Programming Using MOSFET and Resistor Array on the EV Kit
    • Potentiometer Adjustment Available
  • Selectable Charge Source Connector 2.1mm Barrel or Micro-USB
  • Three Status LED Indicators
  • Fully Assembled and Tested

Product Details

The MAX8900A evaluation kit (EV kit) is a fully assembled and tested circuit for evaluating the MAX8900A switch-mode Li+/Li-Poly charger with ±22V input rating and JEITA* battery temperature monitoring. The MAX8900A charges a 1-cell lithium-ion (Li+) or lithium-polymer (Li-Poly) battery. The MAX8900A delivers up to 1.2A of current to the battery from a 3.4V to 6.3V supply. External resistors and potentiometers adjust the fast-charge current and the prequalification and done current thresholds. A JEITA battery temperature monitor adjusts charge current and termination voltage.

The MAX8900A EV kit comes with the MAX8900A installed, but can also be used to evaluate the MAX8900B with IC replacement of U1. Request a free sample of the MAX8900B when you order the MAX8900A EV kit.

Applications

  • Digital Cameras
  • eBook
  • GPS, PND
  • Headsets and Media Players
  • Smartphones
  • USB Charging

MAX8900AEVKIT
Evaluation Kit for the MAX8900A and MAX8900B

Latest Discussions

No discussions on MAX8900C yet. Have something to say?

Start a Discussion on EngineerZone®

Recently Viewed