MAX8664

PRODUCTION

Low-Cost, Dual-Output, Step-Down Controller with Fast Transient Response

Lowest Cost, Dual-Output Regulator for a Wide Range of Applications

Viewing:

Overview

  • ±0.8% Output Accuracy Over Load and Line
  • Operates from a Single 4.5V to 28V Supply
  • Simple Compensation for Any Type of Output Capacitor
  • Internal 6.5V Regulator for Gate Drive
  • Integrated Boost Diodes
  • Adjustable Output from 0.6V to 0.9 x VIN
  • Digital Soft-Start Reduces Inrush Current
  • 100kHz to 1MHz Adjustable Switching
  • 180° Out-of-Phase Operation Reduces Input Ripple Current
  • Overcurrent and Overvoltage Protection
  • External Reference Input for Second Controller
  • Prebiased Startup Operation

The MAX8664 dual-output PWM controller is a low-cost, high-performance solution for systems requiring dual power supplies. It provides two individual outputs that operate 180° out-of-phase to minimize input current ripple, and therefore, capacitance requirements. Built-in drivers are capable of driving external MOSFETs to deliver up to 25A output current from each channel. The MAX8664 operates from a 4.5V to 28V input voltage source and generates output voltages from 0.6V up to 90% of the input voltage on each channel. Total output regulation error is less than ±0.8% over load, line, and temperature.

The MAX8664 operates with a constant switching frequency adjustable from 100kHz to 1MHz. Built-in boost diodes reduce external component count. Digital soft-start eliminates input inrush current during startup. The second output has an optional external REFIN2, facilitating tracking supply applications. Each output is capable of sourcing and sinking current, making the device a great solution for DDR applications.

The MAX8664 employs Maxim's proprietary peak voltage-mode control architecture that provides superior transient response during either load or line transients. This architecture is easily stabilized using two resistors and one capacitor for any type of output capacitors. Fast transient response requires less output capacitance, consequently reducing total system cost. The MAX8664B latches off both controllers during a fault condition, while the MAX8664A allows one controller to continue to function when there is a fault in the other controller.

Applications

  • ASIC/CPU/DSP Power Supplies
  • Desktop and Notebook PCs
  • Graphic Cards
  • Network-Power Supply
  • POL Power Supply
  • Printer Power Supply
  • Set-Top Box Power Supply

MAX8664
Low-Cost, Dual-Output, Step-Down Controller with Fast Transient Response
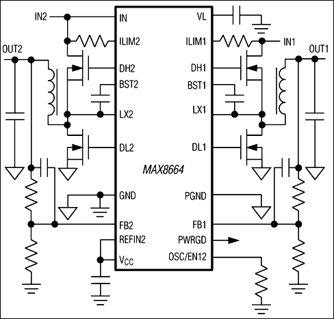
MAX8664: Typical Operating Circuit
Add to myAnalog

Add product to the Products section of myAnalog (to receive notifications), to an existing project or to a new project.

Create New Project
Ask a Question

Documentation

Learn More
Add to myAnalog

Add media to the Resources section of myAnalog, to an existing project or to a new project.

Create New Project

Software Resources

Can't find the software or driver you need?

Request a Driver/Software

Hardware Ecosystem

Parts Product Life Cycle Description
Switching Regulators & Controllers 4
MAX5066 PRODUCTION Configurable, Single-/Dual-Output, Synchronous Buck Controller for High-Current Applications
MAX8538 PRODUCTION Dual-Synchronous Buck Controllers for Point-of-Load, Tracking, and DDR Memory Power Supplies
MAX1858 PRODUCTION Dual 180° Out-of-Phase PWM Step-Down Controller with Power Sequencing and POR
MAX1858A LAST TIME BUY Dual 180° Out-of-Phase Buck Controllers with Sequencing/Prebias Startup and POR
Modal heading
Add to myAnalog

Add product to the Products section of myAnalog (to receive notifications), to an existing project or to a new project.

Create New Project

Evaluation Kits

MAX8664EVKIT

Evaluation Kit for the MAX8664A and MAX8664B

Features and Benefits

  • ±0.8% Output Accuracy Over Load and Line
  • Operates from a Single 10.8V to 13.2V Supply
  • OUT1 Provides 2.5V at Up to 8A
  • OUT2 Provides 1.8V at Up to 8A
  • Digital Soft-Start Reduces Inrush Current
  • 180° Out-Of-Phase Operation Reduces Input Ripple Current
  • Overcurrent and Overvoltage Protection
  • External Reference Input for Second Controller
  • Prebiased Startup Operation
  • Fully Assembled and Tested

Product Details

The MAX8664 evaluation kit (EV kit) is a fully assembled and tested circuit for evaluating the MAX8664A/MAX8664B dual-output step-down controllers. The MAX8664 EV kit operates with a 600kHz switching frequency and is optimized for operation from a 10.8V to 13.2V supply. The EV kit can operate down to 4.5V with minor changes. The two step-down outputs provide up to 8A each at 2.5V for OUT1 and 1.8V for OUT2. Options are provided for sequencing or tracking of OUT2. The MAX8664A (independent fault action) comes installed in the EV kit and it can be replaced with the MAX8664B (joint fault action) with no other required component changes.

Applications

  • ASIC/CPU/DSP Power Supplies
  • Desktop and Notebook PCs
  • Graphic Cards
  • Network-Power Supply
  • POL Power Supply
  • Printer Power Supply
  • Set-Top Box Power Supply

MAX8664EVKIT
Evaluation Kit for the MAX8664A and MAX8664B

Latest Discussions

No discussions on MAX8664 yet. Have something to say?

Start a Discussion on EngineerZone®

Recently Viewed