MAX7457

Obsolete

Video Switch for Dual SCART Connectors

Viewing:

Overview

  • 4-Channel Video Filter/Buffer for RGB and CVBS Signals with Auxiliary Input
  • Allows Auxiliary Input for CVBS Video Loop-Through Applications
  • Filter Response Ideal for NTSC, PAL, and Interlaced SDTV Video Signals
  • 43dB (typ) Stopband Attenuation at 27MHz
  • ±0.75dB (max) Passband Ripple Out to 5MHz
  • Blanking Level Voltage on Cable < 1V
  • Each Channel Drives Two 150Ω Video Loads
  • +5V Single-Supply Operation
  • Available in 5mm x 5mm x 0.8mm, 16-Pin TQFN
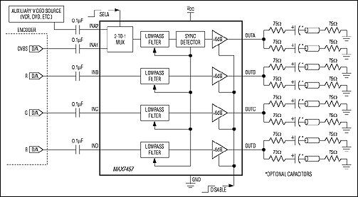
  • The MAX7457 4-channel video switch is ideal for anti-aliasing and DAC-smoothing video applications or wherever analog video is reconstructed from a digital data stream such as cable/satellite/terrestrial set-top boxes (STBs), DVD players, hard disk recorders (HDRs), and personal video recorders (PVRs). The MAX7457 filters and buffers CVBS and RGB video signals, making it ideal for dual SCART (peritelevision) STBs with an auxiliary CVBS input. The MAX7457 operates from a single +5V supply and has a flat passband out to 5MHz with a stopband attenuation of 43dB at 27MHz, making it ideal for NTSC, PAL, and standard-definition digital TV (SDTV) video systems.

    The MAX7457 output buffers have a fixed gain of +6dB and are capable of driving two standard 150Ω video loads. The channel for CVBS video has high-frequency boost circuitry that enhances picture sharpness with up to +1.2dB of gain boost without degradation in the stopband. The video output drivers can be disabled by an external control input.

    The MAX7457 is available in a 16-pin, 5mm x 5mm x 0.8mm TQFN package, and is specified over the extended (-40°C to +85°C) temperature range.

    Applications

    • Desktop Video Editors
    • Digital VCRs
    • DVD Players
    • Game Consoles

    MAX7457
    Video Switch for Dual SCART Connectors
    MAX7457: Typical Operating Circuit
    Add to myAnalog

    Add product to the Products section of myAnalog (to receive notifications), to an existing project or to a new project.

    Create New Project
    Ask a Question

    Documentation

    Learn More
    Add to myAnalog

    Add media to the Resources section of myAnalog, to an existing project or to a new project.

    Create New Project

    Software Resources

    Can't find the software or driver you need?

    Request a Driver/Software

    Latest Discussions

    No discussions on MAX7457 yet. Have something to say?

    Start a Discussion on EngineerZone®

    Recently Viewed