MAX6952

PRODUCTION

4-Wire Interfaced, 2.7V to 5.5V, 4-Digit 5 x 7 Matrix LED Display Driver

Viewing:

Overview

  • High-Speed 26MHz with SPI-/QSPI-™/ MICROWIRE™-Compatible Serial Interface
  • 2.7V to 5.5V Operation
  • Drives Four Monocolor or Two Bicolor Cathode-Row 5 x 7 Matrix Displays
  • Built-In ASCII 104-Character Font
  • 24 User-Definable Characters Available
  • Automatic Blinking Control for Each Segment
  • 36µA Low-Power Shutdown (Data Retained)
  • 16-Step Digital Brightness Control
  • Display Blanked on Power-Up
  • Slew-Rate-Limited Segment Drivers for Lower EMI
  • 36-Pin SSOP and 40-Pin DIP Packages
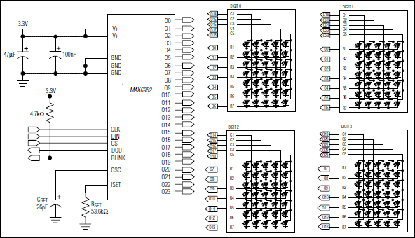
  • The MAX6952 is a compact cathode-row display driver that interfaces microprocessors to 5 x 7 dot-matrix LED displays through an SPI™-compatible serial interface. The MAX6952 drives up to four digits (140 LEDs).

    Included on chip are an ASCII 104-character font, multiplex scan circuitry, column and row drivers, and static RAM that stores each digit, as well as font data for 24 user-definable characters. The segment current for the LEDs is set by an internal digit-by-digit digital brightness control.

    The device includes a low-power shutdown mode, segment blinking (synchronized across multiple drivers, if desired), and a test mode that forces all LEDs on. The LED drivers are slew rate limited to reduce EMI. For a 2-wire interfaced version, refer to the MAX6953 data sheet. An EV kit is available for the MAX6952.

    Applications

    • Audio/Video Equipment
    • Gaming Machines
    • Industrial Displays
    • Medical Equipment
    • Message Boards

    MAX6952
    4-Wire Interfaced, 2.7V to 5.5V, 4-Digit 5 x 7 Matrix LED Display Driver
    MAX6952: Typical Application Circuit
    Add to myAnalog

    Add product to the Products section of myAnalog (to receive notifications), to an existing project or to a new project.

    Create New Project
    Ask a Question

    Documentation

    Learn More
    Add to myAnalog

    Add media to the Resources section of myAnalog, to an existing project or to a new project.

    Create New Project

    Software Resources

    Can't find the software or driver you need?

    Request a Driver/Software

    Hardware Ecosystem

    Parts Product Life Cycle Description
    LED Drivers 11
    MAX6953 Obsolete 2-Wire Interfaced, 2.7V to 5.5V, 4-Digit 5 x 7 Matrix LED Display Driver
    MAX6950 PRODUCTION Serially Interfaced, +2.7V to +5.5V, 5- and 8-Digit LED Display Drivers
    MAX6951 PRODUCTION Serially Interfaced, +2.7V to +5.5V, 5- and 8-Digit LED Display Drivers
    MAX6954 PRODUCTION 4-Wire Interfaced, 2.7V to 5.5V LED Display Driver with I/O Expander and Key Scan
    MAX6955 PRODUCTION 2-Wire Interfaced, 2.7V to 5.5V LED Display Driver with I/O Expander and Key Scan
    MAX6956 PRODUCTION 2-Wire-Interfaced, 2.5V to 5.5V, 20-Port or 28-Port LED Display Driver and I/O Expander
    MAX6957 PRODUCTION 4-Wire-Interfaced, 2.5V to 5.5V, 20-Port and 28-Port LED Display Driver and I/O Expander
    MAX6958 PRODUCTION 2-Wire Interfaced, 3V to 5.5V, 4-Digit, 9-Segment LED Display Drivers with Keyscan
    MAX6959 PRODUCTION 2-Wire Interfaced, 3V to 5.5V, 4-Digit, 9-Segment LED Display Drivers with Keyscan
    MAX7219 PRODUCTION Serially Interfaced, 8-Digit, LED Display Drivers
    MAX7221 PRODUCTION Serially Interfaced, 8-Digit, LED Display Drivers
    Modal heading
    Add to myAnalog

    Add product to the Products section of myAnalog (to receive notifications), to an existing project or to a new project.

    Create New Project

    Evaluation Kits

    MAX6952EVKIT

    Evaluation Kit for the MAX6952

    Features and Benefits

    • 8-Character Red 5 x 7 Matrix Cathode-Row Display
    • SPI-Compatible Serial Interface
    • Operates from a 2.7V to 5.5V Supply Range
    • Reconfigurable for Standalone Operation with an External Microcontroller
    • Easy-to-Use Menu-Driven Software
    • Windows 95/98/2000-Compatible Software
    • Fully Assembled and Tested

    Product Details

    The MAX6952 evaluation kit (EV kit) is an assembled and tested printed circuit board (PCB) that demonstrates the MAX6952 SPI™-interfaced four-digit 5 x 7 matrix LED display driver. Two cascaded MAX6952s are used to drive eight 5 x 7 monocolor matrix displays. The EV kit is powered by a user-supplied 2.7VDC to 5.5VDC power supply. The SPI-compatible serial interface is connected to an IBM-compatible PC parallel port for easy evaluation. The EV kit can be reconfigured for interfacing to a user's microcontroller for standalone operation.

    Windows® 95/98/2000-compatible software provides a user-friendly interface to demonstrate the features of the MAX6952 IC. The program is menu driven and offers a graphic interface with control buttons.

     

    Applications

    • Audio/Video Equipment
    • Gaming Machines
    • Industrial Displays
    • Medical Equipment
    • Message Boards

    MAX6952EVKIT
    Evaluation Kit for the MAX6952

    Latest Discussions

    No discussions on MAX6952 yet. Have something to say?

    Start a Discussion on EngineerZone®

    Recently Viewed