MAX5988A

Obsolete

IEEE 802.3af-Compliant, High-Efficiency, Class 1/Class 2 Powered Devices with Integrated DC-DC Converters

Reduce BOM Costs with Highly Integrated Powered Devices for PoE Applications

Viewing:

Overview

  • High Integration Saves Space and BOM Cost
    • Efficient, Integrated DC-DC Converter (with Integrated Switches)
    • Built-In Output-Voltage Monitoring
    • Protects Against Overload, Output Short Circuit, Output Overvoltage, and Overtemperature
    • Integrated TVS Diode Withstands Cable Discharge Event (CDE)
    • Internal LDO Regulator with Up to 100mA Load
  • Application-Specific Features Speed Design
    • IEEE 802.3af Compliant
    • PoE Class 1/Class 2 Classification Set with Single Resistor
    • Intelligent Maintain Power Signature (MPS)
    • Simplified Wall Adapter Interface
    • Pass 2kV, 200m CAT-6 Cable Discharge Event
  • High Efficiency During Light Loads Reduces Power Consumption
    • Sleep and Ultra-Low-Power Mode
    • Frequency Foldback for High-Efficiency Light-Load Operation
    • Back-Bias Capability to Optimize the Efficiency
  • Robust Performance
    • 8.8V to 60V Wide Input Voltage Range
    • Hiccup-Mode Runaway Current Limit
    • 49mA (typ) Inrush Current Limit
    • Open-Drain (Active-Low RESET) Output
  • Easy to Design With
    • 3.0V to 14V Programmable Output Voltage Range
    • Internal Compensation
    • Fixed 215kHz Switching Frequency
    • Fixed 3.3V or Adjustable Output Voltage through an External Resistive Divider (LDO)

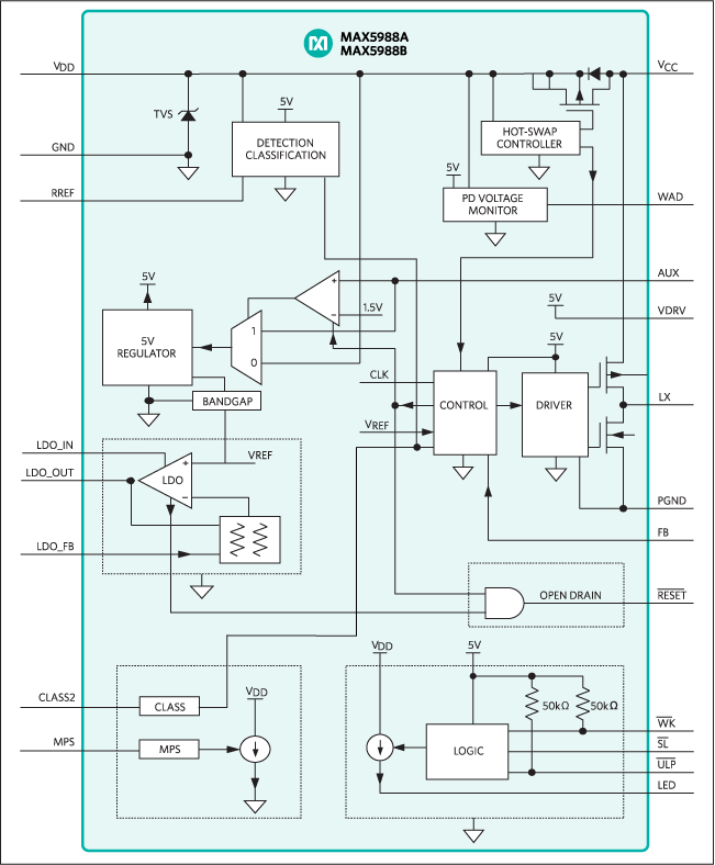
The MAX5988A/MAX5988B provide a complete power-supply solution as IEEE® 802.3af-compliant Class 1/Class 2 Powered Devices (PDs) in a Power-over-Ethernet (PoE) system. The devices integrate the PD interface with an efficient DC-DC converter, offering a low external part count PD solution. The devices also include a low-dropout regulator, MPS, sleep, and ultra-low power modes.
The PD interface provides a detection signature and a Class 1/Class 2 classification signature with a single external resistor. The PD interface also provides an isolation power MOSFET, a 60mA (max) inrush current limit, and a 321mA (typ) operating current limit.

The integrated step-down DC-DC converter uses a peak current-mode control scheme and provides an easy-to-implement architecture with a fast transient response. The step-down converter operates in a wide input voltage range from 8.8V to 60V and supports up to 6.49W of input power at 1.3A load. The DC-DC converter operates at a fixed 215kHz switching frequency, with an efficiency-boosting frequency foldback that reduces the switching frequency by half at light loads.

The devices feature an input undervoltage-lockout (UVLO) with wide hysteresis and long deglitch time to compensate for twisted-pair cable resistive drop and to assure glitch-free transition during power-on/-off conditions. The devices also feature overtemperature shutdown, short-circuit protection, output overvoltage protection, and hiccup current limit for enhanced performance and reliability.

All devices are available in a 20-pin, 4mm × 4mm, TQFN power package and operate over the -40°C to +85°C temperature range.

Applications

  • IEEE® 802.3af-Powered Devices
  • IP Phones
  • IP Security Cameras
  • WiMAX® Base Stations
  • Wireless Access Nodes

MAX5988A
IEEE 802.3af-Compliant, High-Efficiency, Class 1/Class 2 Powered Devices with Integrated DC-DC Converters
MAX5988A, MAX5988B: Functional Diagram
Add to myAnalog

Add product to the Products section of myAnalog (to receive notifications), to an existing project or to a new project.

Create New Project
Ask a Question

Documentation

Learn More
Add to myAnalog

Add media to the Resources section of myAnalog, to an existing project or to a new project.

Create New Project

Software Resources

Can't find the software or driver you need?

Request a Driver/Software

Evaluation Kits

MAX5988AEVKIT

Evaluation Kit for the MAX5988A

Features and Benefits

  • IEEE 802.3af/at-Compliant PD Interface Circuit
  • PoE Class 1/Class 2
  • -36V to -57V Input Range
  • Demonstrates an Integrated 6.49W Step-Down DC-DC Converter
  • +5V Output at 1.15A
  • Inrush Current Limit of 49mA (typ)
  • Evaluates Endspan and Midspan Ethernet Systems
  • Simplified Wall Adapter Interface
  • Proven PCB Layout
  • Fully Assembled and Tested

Product Details

The MAX5988A evaluation kit (EV kit) is a fully assembled and tested surface-mount circuit board featuring an Ethernet port, network powered-device (PD) interface controller circuit for -57V supply rail systems. The EV kit uses the MAX5988A IEEE® 802.3af/at-compliant network PD interface controller in a 20-pin TQFN package with an exposed pad. The IC is used in Power-over-LAN (PoL) applications requiring DC power from an Ethernet network port for PDs such as IP phones, wireless access nodes, and security cameras.

The EV kit receives power from IEEE 802.3af/atcompliant power-sourcing equipment (PSE). Refer to the MAX5988A IC data sheet for PSE controllers. The PSE provides the required -36V to -57V DC power over an unshielded twisted-pair Ethernet network cable to the EV kit’s RJ45 magnetic jack. The EV kit features a 1 x 1 gigabit RJ45 magnetic jack and two active full-wave rectifiers (DM1, DM2) for separating the DC power provided by an endspan or midspan Ethernet system.

The EV kit can also be powered by a wall adapter power source. The EV kit provides PCB pads to accept the output of a wall adapter power source. When a wall adapter power source is detected, it always takes precedence over the PSE source and allows the wall adapter to power the EV kit.

The EV kit demonstrates the full functionality of the IC, such as PD detection signature, PD classification signature, inrush current control, input undervoltage lockout (UVLO), and an integrated DC-DC step-down converter. The integrated step-down converter operates at a fixed 215kHz switching frequency and is configured for a nonisolated +5V DC output that can deliver 1.5A of current.

Warning: The EV kit is designed to operate with high voltages. Dangerous voltages are present on this EV kit and on equipment connected to it. Users who power up this EV kit or power the sources connected to it must be careful to follow safety procedures appropriately to work with highvoltage electrical equipment.

Under severe fault or failure conditions, this EV kit may dissipate large amounts of power, which could result in the mechanical ejection of a component or of component debris at high velocity. Operate this kit with care to avoid possible personal injury.

Applications

  • IEEE® 802.3af-Powered Devices
  • IP Phones
  • IP Security Cameras
  • WiMAX® Base Stations
  • Wireless Access Nodes

MAX5988AEVKIT
Evaluation Kit for the MAX5988A

Latest Discussions

No discussions on MAX5988A yet. Have something to say?

Start a Discussion on EngineerZone®

Recently Viewed