MAX5959

Obsolete

Quad PCI Express, Hot-Plug Controllers

Industry's First Quad, PCI Express Hot-Plug Controllers Save Board Space and Cost

Viewing:

Overview

  • PCIe Compliant
  • Hot Swap 12V, 3.3V, and 3.3V Auxiliary for 4 PCIe Slots
  • Integrated Power MOSFETs for Auxiliary Supply Rails
  • Controls di/dt and dV/dt
  • Active Current Limiting Protects Against Overcurrent/Short-Circuit Conditions
  • Programmable Current-Limit Timeout
  • Active-Low PWRGD Signal Outputs with Programmable Power-On Reset (POR) (160ms Default)
  • Latched Active-Low FAULT Signal Output After Overcurrent or Overtemperature Fault
  • Attention Switch Inputs/Outputs with 4ms Debounce
  • Present-Detect Inputs
  • Force-On Inputs Facilitate Testing/Debug
  • Thermal Shutdown
  • Allow Control Through SMBus with an I/O Expander

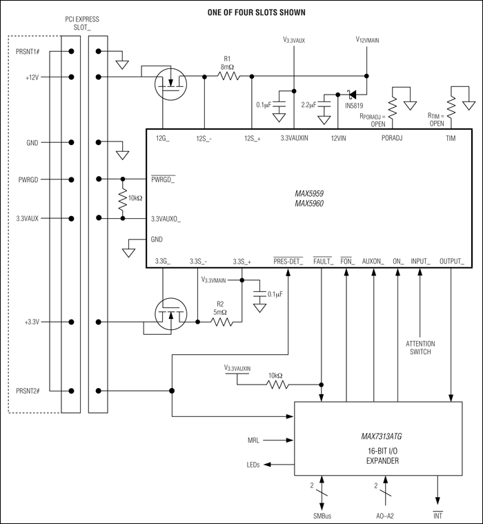
The MAX5959/MAX5960 quad hot-plug controllers are designed for PCI Express® (PCIe) applications. These devices provide hot-plug control for the main 12V, 3.3V, and 3.3V auxiliary supplies of four PCIe slots. The MAX5959/MAX5960s' logic inputs/outputs allow interfacing directly with the system hot-plug management controller or through an SMBus™ with an external I/O expander such as the MAX7313. An integrated debounced attention switch and present-detect signals simplify system design.

The MAX5959/MAX5960 drive eight external n-channel MOSFETs to control the 12V and 3.3V main outputs. The 3.3V auxiliary outputs are controlled through 0.2Ω n-channel MOSFETs. Internal charge pumps provide the gate drive for the 12V outputs while the gate drive of the 3.3V output is driven by the 12V input supply clamped to 5.5V above the respective 3.3V main supply rail. The 3.3V auxiliary outputs are completely independent from the main outputs with their own charge pumps.

At power-up, the MAX5959/MAX5960 keep all the MOSFETs off until the supplies rise above their respective undervoltage lockout (UVLO) thresholds. Upon a turn-on command, the MAX5959/MAX5960 enhance the external and internal MOSFETs slowly with a constant gate current to limit the power-supply inrush current.

The MAX5959/MAX5960 actively limit the current to protect all outputs at all times and shut down if an overcurrent condition persists longer than the programmable overcurrent timeout. After an overcurrent or overtemperature fault condition, the MAX5959L/MAX5960L latch off while the MAX5959A/MAX5960A automatically restart after a restart time delay. The MAX5959/MAX5960 are offered in latch-off or autorestart versions (see the Selector Guide located in the full data sheet).

The MAX5959/MAX5960 are available in an 80-pin TQFP package and operate over the -40°C to +85°C temperature range.

Applications

  • Desktop/Mobile Server Platforms
  • Servers
  • Workstations

MAX5959
Quad PCI Express, Hot-Plug Controllers
MAX5959, MAX5960: Typical Application Circuit
Add to myAnalog

Add product to the Products section of myAnalog (to receive notifications), to an existing project or to a new project.

Create New Project
Ask a Question

Documentation

Learn More
Add to myAnalog

Add media to the Resources section of myAnalog, to an existing project or to a new project.

Create New Project

Software Resources

Can't find the software or driver you need?

Request a Driver/Software

Hardware Ecosystem

Parts Product Life Cycle Description
Protection Switches & Controllers 2
MAX5916 Obsolete Dual PCI 2.2 Hot-Swap Controllers
MAX5915 Obsolete Dual PCI 2.2 Hot-Swap Controllers
Modal heading
Add to myAnalog

Add product to the Products section of myAnalog (to receive notifications), to an existing project or to a new project.

Create New Project

Evaluation Kits

MAX5960LEVKIT

Evaluation Kit/Evaluation System for the MAX5959A/MAX5959L/MAX5960A/MAX5960L

Features and Benefits

  • Demonstrates PCI Express x16 Quad Hot-Plug Design
  • Independent Output Controls for Each Channel
    • 12V and Up to 5.5A (Adjustable)
    • 3.3V and Up to 3.3A (Adjustable)
    • 3.3VAUX and Up to 0.550A
  • Evaluates Hot-Plugging PCI Express x1, x4, x8, or x16 Line Cards
  • Demonstrates Input Inrush Current Control
  • Demonstrates Output Overcurrent/Short-Circuit Protection
  • Undervoltage Lockout Protection for 12V, 3.3V, and 3.3V Auxiliary Supplies
  • Configurable Power-On Reset (POR)
  • Independent On/Off Controls for Each Channel's 12V/3.3V Main and 3.3V Aux Power
  • Latched Output (MAX5960L) after Fault Conditions; also Evaluates MAX5959A, MAX5960A Autoretry
  • Input/Output Interface Using MAX7313 I/O Expanders (SMBus Interface) or Local Control
  • Can Be Controlled Locally Without Software
  • Windows 98SE/2000/XP-Compatible Software
  • Fully Assembled and Tested

Product Details

The MAX5960L evaluation kit (EV kit) is a fully assembled and tested surface-mount quad hot-plug controller printed-circuit board (PCB) with four PCI Express® hot-plug slots. The circuit uses a MAX5960L IC in an 80-pin TQFP package. The EV kit provides independent power control for the 12V, 3.3V, and 3.3V auxiliary outputs at four PCI Express x16 connectors. The EV kit demonstrates the MAX5960L IC's inrush current control, output overcurrent/short-circuit protection, and input undervoltage monitoring features.

The MAX5960L IC controls two separate external n-channel MOSFETs for the 12V and 3.3V outputs of each channel, respectively. Additionally, the MAX5960L has internal MOSFETs that control the 3.3V auxiliary outputs of channels A, B, C, and D. Switches are provided to independently enable/disable each channels' main (12V, 3.3V) and auxiliary supply (3.3V).

The MAX5960L EV kit can be reconfigured for evaluating a x1, x4, or x8 PCI Express quad hot-plug design. Alternatively, the EV kit can also be used to demonstrate the MAX5960L hot-plug features without using the PCI Express x16 connectors.

The EV kit includes three MAX7313 I/O expanders that enable communication through an SMBus™ interface for the MAX5960L signals and some of the PCI Express channel signals. A CMAXQUSB interface board can be used to enable PC communication through the SMBus interface. Simple Windows® 98SE/2000/XP-compatible software is provided to access each MAX7313 I/O expander register at the bit level. The MAX5960L EV kit can also be used in local control, without any software.

Order the MAX5960LEVCMAXQU for a complete PC-based evaluation of the MAX5960L. Order the MAX5960LEVKIT if you already have a CMAXQUSB interface board or do not require PC-based evaluation of the MAX5960L.

MAX5960LEVCMAXQU

Evaluation Kit/Evaluation System for the MAX5959A/MAX5959L/MAX5960A/MAX5960L

Features and Benefits

  • Demonstrates PCI Express x16 Quad Hot-Plug Design
  • Independent Output Controls for Each Channel
    • 12V and Up to 5.5A (Adjustable)
    • 3.3V and Up to 3.3A (Adjustable)
    • 3.3VAUX and Up to 0.550A
  • Evaluates Hot-Plugging PCI Express x1, x4, x8, or x16 Line Cards
  • Demonstrates Input Inrush Current Control
  • Demonstrates Output Overcurrent/Short-Circuit Protection
  • Undervoltage Lockout Protection for 12V, 3.3V, and 3.3V Auxiliary Supplies
  • Configurable Power-On Reset (POR)
  • Independent On/Off Controls for Each Channel's 12V/3.3V Main and 3.3V Aux Power
  • Latched Output (MAX5960L) after Fault Conditions; also Evaluates MAX5959A, MAX5960A Autoretry
  • Input/Output Interface Using MAX7313 I/O Expanders (SMBus Interface) or Local Control
  • Can Be Controlled Locally Without Software
  • Windows 98SE/2000/XP-Compatible Software
  • Fully Assembled and Tested

Product Details

The MAX5960L evaluation kit (EV kit) is a fully assembled and tested surface-mount quad hot-plug controller printed-circuit board (PCB) with four PCI Express® hot-plug slots. The circuit uses a MAX5960L IC in an 80-pin TQFP package. The EV kit provides independent power control for the 12V, 3.3V, and 3.3V auxiliary outputs at four PCI Express x16 connectors. The EV kit demonstrates the MAX5960L IC's inrush current control, output overcurrent/short-circuit protection, and input undervoltage monitoring features.

The MAX5960L IC controls two separate external n-channel MOSFETs for the 12V and 3.3V outputs of each channel, respectively. Additionally, the MAX5960L has internal MOSFETs that control the 3.3V auxiliary outputs of channels A, B, C, and D. Switches are provided to independently enable/disable each channels' main (12V, 3.3V) and auxiliary supply (3.3V).

The MAX5960L EV kit can be reconfigured for evaluating a x1, x4, or x8 PCI Express quad hot-plug design. Alternatively, the EV kit can also be used to demonstrate the MAX5960L hot-plug features without using the PCI Express x16 connectors.

The EV kit includes three MAX7313 I/O expanders that enable communication through an SMBus™ interface for the MAX5960L signals and some of the PCI Express channel signals. A CMAXQUSB interface board can be used to enable PC communication through the SMBus interface. Simple Windows® 98SE/2000/XP-compatible software is provided to access each MAX7313 I/O expander register at the bit level. The MAX5960L EV kit can also be used in local control, without any software.

Order the MAX5960LEVCMAXQU for a complete PC-based evaluation of the MAX5960L. Order the MAX5960LEVKIT if you already have a CMAXQUSB interface board or do not require PC-based evaluation of the MAX5960L.

MAX5960LEVKIT
Evaluation Kit/Evaluation System for the MAX5959A/MAX5959L/MAX5960A/MAX5960L
MAX5960LEVCMAXQU
Evaluation Kit/Evaluation System for the MAX5959A/MAX5959L/MAX5960A/MAX5960L

Latest Discussions

No discussions on MAX5959 yet. Have something to say?

Start a Discussion on EngineerZone®

Recently Viewed