MAX5916

Obsolete

Dual PCI 2.2 Hot-Swap Controllers

Viewing:

Overview

  • PCI 2.2 Compliant
  • Independent Power Controls for +3.3V, +5V, ±12V, and +3.3V Auxiliary Supplies of Two PCI Cards
  • Internal MOSFET Switches for ±12V and +3.3V Auxiliary Outputs
  • Separate ON/OFF Control Input for Each Channel
  • Independent +3.3V Auxiliary Output ON/OFF Control
  • Overcurrent Foldback with Timeout and Shutdown Protection for ±12V and +3.3V Auxiliary Rails with Status Report
  • Brick Wall with Timeout and Shutdown Protection for +5V and +3.3V Rails with Status Report
  • Output Undervoltage Monitoring for +3.3V, +5V, +12V, and +3.3V Auxiliary Rails with Status Report
  • +3.3V Auxiliary Autorestart
  • Intelligent Selective Thermal Shutdown Control Shuts Down Only the Channel with an Overcurrent Fault
  • 28-Pin TSSOP Package

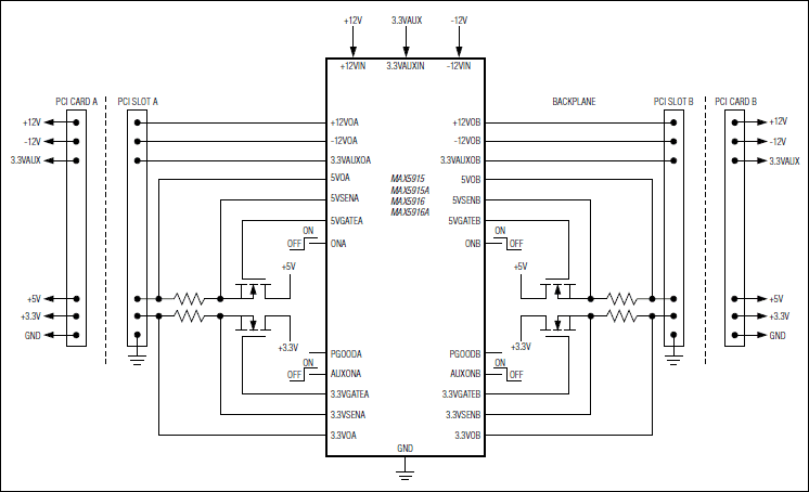
The MAX5915/MAX5915A/MAX5916/MAX5916A dual PCI 2.2 hot-swap controllers allow for safe insertion and removal of two PCI cards into live PCI slots or backplanes by limiting the inrush current at startup. After startup, these devices provide protection against short-circuit, overcurrent, and undervoltage conditions.

The MAX5915/MAX5915A/MAX5916/MAX5916A provide independent power controls for +3.3V, +5V, ±12V, and +3.3V auxiliary supplies of two PCI cards. These devices provide intelligent selective thermal shutdown control that shuts down the channel with an overcurrent fault. All devices include internal power MOSFETs for the +12V, -12V, and +3.3V auxiliary outputs. These devices use internal charge pumps to activate the gates of the internal FETs controlling the +3.3V auxiliary supply. Internal FETs and current-sense circuitry regulate the ±12V and the +3.3V auxiliary supplies. Channels A and B operate independently, allowing a single device to monitor two PCI card slots.

The MAX5915/MAX5915A offer latched fault protection and the MAX5916/MAX5916A offer autorestart fault protection. The devices are available in the low-profile 28-pin TSSOP package.

Applications

  • PCI 2.2 Server
  • PCI Server
  • RAID

MAX5916
Dual PCI 2.2 Hot-Swap Controllers
MAX5915, MAX5915A, MAX5916, MAX5916A: Typical Operating Circuit
Add to myAnalog

Add product to the Products section of myAnalog (to receive notifications), to an existing project or to a new project.

Create New Project
Ask a Question

Documentation

Learn More
Add to myAnalog

Add media to the Resources section of myAnalog, to an existing project or to a new project.

Create New Project

Software Resources

Can't find the software or driver you need?

Request a Driver/Software

Latest Discussions

No discussions on MAX5916 yet. Have something to say?

Start a Discussion on EngineerZone®

Recently Viewed