MAX5621

Obsolete

16-Bit DACs with 16-Channel Sample-and-Hold Outputs

16-Bit DACs with 16-Channel Sample-and-Hold Outputs for Applications Where a High Number of Programmable Voltages are Required

Viewing:

Overview

  • Integrated 16-Bit DAC and 16-Channel SHA with SRAM and Sequencer
  • 16 Voltage Outputs
  • 0.005% Output Linearity
  • 200µV Output Resolution
  • Flexible Output Voltage Range
  • Remote Ground Sensing
  • Fast Sequential Loading: 1.3µs per Register
  • Burst and Immediate Mode Addressing
  • No External Components Required for Setting Gain and Offset
  • Integrated Output Clamp Diodes
  • Three Output Impedance Options
    • MAX5621 (50Ω), MAX5622 (500Ω), and MAX5623 (1kΩ)

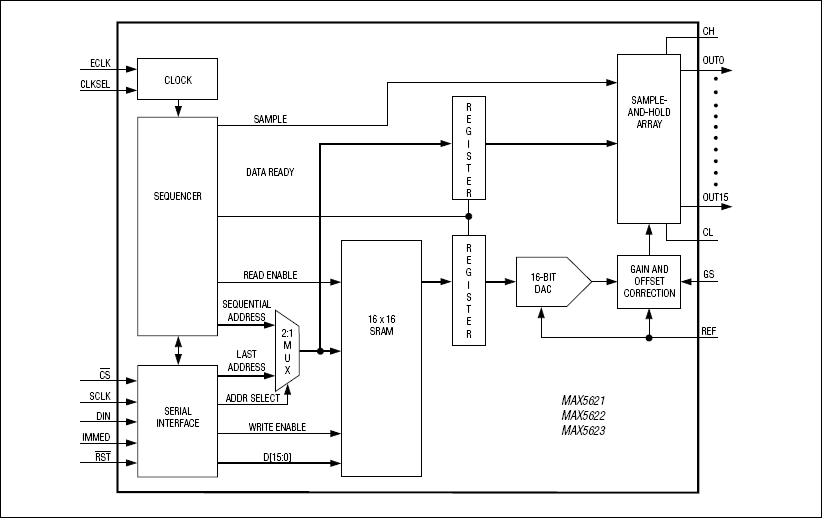
The MAX5621/MAX5622/MAX5623 are 16-bit digital-to-analog converters (DACs) with 16 sample-and-hold (SHA) outputs for applications where a high number of programmable voltages are required. These devices include a clock oscillator and a sequencer that updates the DAC with codes from an internal SRAM. No external components are required to set offset and gain.

The MAX5621/MAX5622/MAX5623 feature a -4.5V to +9.2V output voltage range. Other features include a 200µV/step resolution, with output linearity error, typically 0.005% of full-scale range (FSR). The 100kHz refresh rate updates each SHA every 320µs, resulting in negligible output droop. Remote ground sensing allows the outputs to be referenced to the local ground of a separate device.

These devices are controlled through a 20MHz SPI™/QSPI™/MICROWIRE™-compatible 3-wire serial interface. Immediate update mode allows any channel's output to be updated within 20µs. Burst Mode® allows multiple values to be loaded into memory in a single, high-speed data burst. All channels are updated within 330µs after data has been loaded. Each device features an output clamp and output resistors for filtering. The MAX5621 features a 50Ω output impedance and is capable of driving up to 250pF of output capacitance. The MAX5622 features a 500Ω output impedance and is capable of driving up to 10nF of output capacitance. The MAX5623 features a 1kΩ output impedance and is capable of driving up to 10nF of output capacitance. The MAX5621/MAX5622/MAX5623 are available in 64-pin TQFP (12mm x 12mm) and 68-pin thin QFN (10mm x 10mm) packages.

Applications

  • Automated Test Equipment (ATE)
  • Industrial Process Controls
  • Instrumentation
  • MEMS Mirror Servo Control

MAX5621
16-Bit DACs with 16-Channel Sample-and-Hold Outputs
MAX5621, MAX5622, MAX5623: Functional Block Diagram
Add to myAnalog

Add product to the Products section of myAnalog (to receive notifications), to an existing project or to a new project.

Create New Project
Ask a Question

Documentation

Learn More
Add to myAnalog

Add media to the Resources section of myAnalog, to an existing project or to a new project.

Create New Project

Software Resources

Can't find the software or driver you need?

Request a Driver/Software

Hardware Ecosystem

Parts Product Life Cycle Description
Digital to Analog Converters (DACs) 3
MAX5631 Obsolete 16-Bit DACs with 32-Channel Sample-and-Hold Outputs
MAX5632 Obsolete 16-Bit DACs with 32-Channel Sample-and-Hold Outputs
MAX5633 PRODUCTION 16-Bit DACs with 32-Channel Sample-and-Hold Outputs
Modal heading
Add to myAnalog

Add product to the Products section of myAnalog (to receive notifications), to an existing project or to a new project.

Create New Project

Latest Discussions

No discussions on MAX5621 yet. Have something to say?

Start a Discussion on EngineerZone®

Recently Viewed