MAX548A
PRODUCTION+2.5V to +5.5V, Low-Power, Single/Dual, 8-Bit Voltage-Output DACs in µMAX Package
Dual, Serial, Voltage-Output DACs in a µMAX Package
- Part Models
- 6
- 1ku List Price
- Starting From $4.16
Overview
- +2.5V to +5.5V Single-Supply Operation
- ±1LSB (max) TUE
- Power-On Reset Clears All Registers to Zero
- Low Operating Current:
- 150µA (MAX548A/MAX549A, VREF = +2.5V)
- 75µA (MAX550A, VREF = +2.5V)
- 150µA (MAX548A/MAX549A, VREF = +2.5V)
- 1µA Shutdown Mode
- 10MHz, 3-Wire Serial Interface Compatible with SPI/QSPI and Microwire
- µMAX Package-50% Smaller than 8-Pin SO
- Independent Shutdown of DACs (MAX548A/MAX549A)
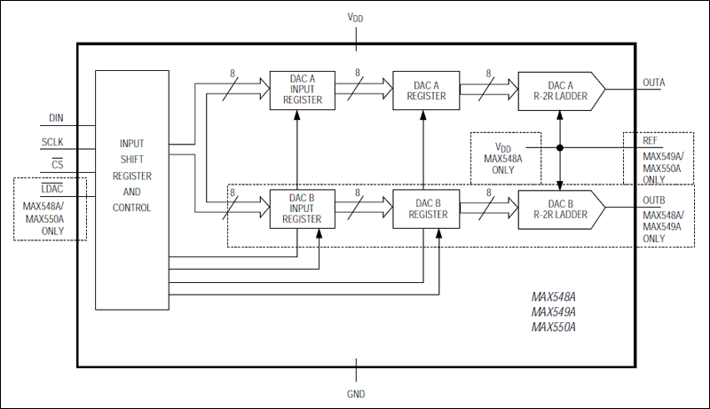
The MAX548A/MAX549A/MAX550A serial, 8-bit voltage-output digital-to-analog converters (DACs) operate from a single +2.5V to +5.5V supply. Their ±1LSB TUE specification is guaranteed over temperature. Operating current (supply current plus reference current) is typically 75µA per DAC with VDD = 2.5V. In shutdown, the DAC is disconnected from the reference, reducing current drain to less than 1µA. The MAX548A/MAX549A allow each DAC to be shut down independently.
The 10MHz, 3-wire serial interface is compatible with SPI/QSPI and Microwire interface standards. Double-buffered inputs provide flexibility when updating the DACs; the input and DAC registers can be updated individually or simultaneously.
The MAX548A is a dual DAC with an asynchronous load input; it uses VDD as the reference input. The MAX549A is a dual DAC with an external reference input. The MAX550A is a single DAC with an external reference input and an asynchronous load input.
The MAX548A/MAX549A/MAX550A's low power consumption and small µMAX® and DIP packages make these devices ideal for portable and battery-powered applications.
Applications
- Battery-Powered Applications
- Comparator-Level Settings
- Digital Gain and Offset Control
- GaAs Amp Bias Control
- General Purpose
- VCXO Control
Documentation
Data Sheet 1
Reliability Data 1
ADI has always placed the highest emphasis on delivering products that meet the maximum levels of quality and reliability. We achieve this by incorporating quality and reliability checks in every scope of product and process design, and in the manufacturing process as well. "Zero defects" for shipped products is always our goal. View our quality and reliability program and certifications for more information.
| Part Model | Pin/Package Drawing | Documentation | CAD Symbols, Footprints, and 3D Models |
|---|---|---|---|
| MAX548ACPA+ | Plastic Dual-In-Line, Narrow (0.3in) | ||
| MAX548ACUA+ | Micro-MAX, Thin Shrink Small-Outline | ||
| MAX548ACUA+T | Micro-MAX, Thin Shrink Small-Outline | ||
| MAX548AEPA+ | Plastic Dual-In-Line, Narrow (0.3in) | ||
| MAX548AEUA+ | Micro-MAX, Thin Shrink Small-Outline | ||
| MAX548AEUA+T | Micro-MAX, Thin Shrink Small-Outline |
| Part Models | Product Lifecycle | PCN |
|---|---|---|
|
Apr 7, 2023 - 2361C WAFER FAB |
||
| MAX548ACPA+ | PRODUCTION | |
| MAX548ACUA+ | PRODUCTION | |
| MAX548ACUA+T | PRODUCTION | |
| MAX548AEPA+ | PRODUCTION | |
| MAX548AEUA+ | PRODUCTION | |
| MAX548AEUA+T | PRODUCTION | |
This is the most up-to-date revision of the Data Sheet.
Software Resources
Can't find the software or driver you need?
Request a Driver/SoftwareLatest Discussions
No discussions on MAX548A yet. Have something to say?
Start a Discussion on EngineerZone®