MAX547
PRODUCTIONOctal, 13-Bit Voltage-Output DAC with Parallel Interface
Octal, Parallel, Voltage-Output DACs
- Part Models
- 12
- 1ku List Price
- Starting From $36.25
Overview
- Full 13-Bit Performance without Adjustments
- 8 DACs in One Package
- Buffered Voltage Outputs
- Calibrated Linearity
- Guaranteed Monotonic to 13 Bits
- ±5V Supply Operation
- Unipolar or Bipolar Outputs Swing to ±4.5V
- Fast Output Settling (5µs to ±1/2LSB)
- Double-Buffered Digital Inputs
- Asynchronous Load Inputs Load Pairs of DAC Latches
- Asynchronous active-low CLR Input Resets DACs to Analog Ground
- Power-On Reset Circuit Resets DACs to Analog Ground
- Microprocessor and TTL/CMOS Compatible
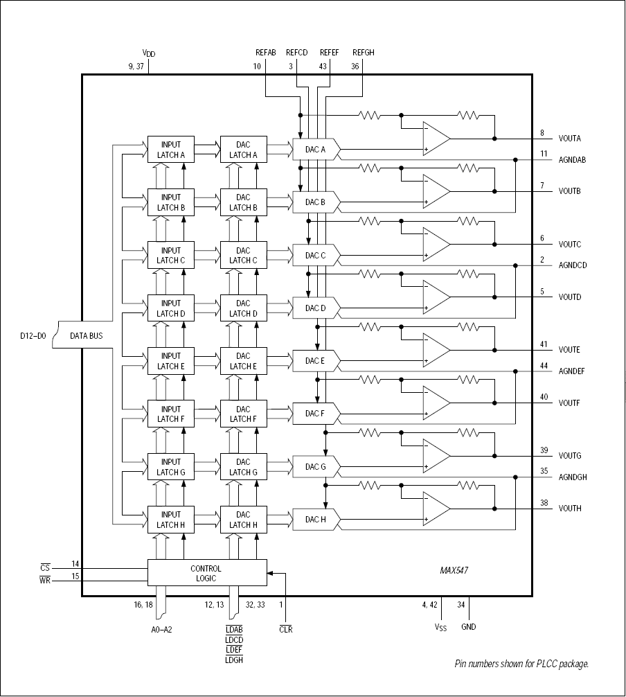
The MAX547 contains eight 13-bit, voltage-output digital-to-analog converters (DACs). On-chip precision output amplifiers provide the voltage outputs. The MAX547 operates from a ±5V supply. Bipolar output voltages with up to ±4.5V voltage swing can be achieved with no external components. The MAX547 has four separate reference inputs; each is connected to two DACs, providing different full-scale output voltages for every DAC pair.
The MAX547 features double-buffered interface logic with a 13-bit parallel data bus. Each DAC has an input latch and a DAC latch. Data in the DAC latch sets the output voltage. The eight input latches are addressed with three address lines. Data is loaded to the input latch with a single write instruction. An asynchronous load (active-low LD_) input transfers data from the input latch to the DAC latch. The four active-low LD_ inputs each control two DACs, and all DAC latches can be updated simultaneously by asserting all active-low LD_ pins. An asynchronous clear (active-low CLR) input resets the output of all eight DACs to AGND_. Asserting active-low CLR resets both the DAC and the input latch to bipolar zero (1000hex). On power-up, reset circuitry performs the same function as active-low CLR. All logic inputs are TTL/CMOS compatible. The MAX547 is available in 44-pin plastic quad flat pack and 44-pin PLCC packages.
Applications
- Automated Test Equipment (ATE)
- Avionics and Military Systems
- Digital Gain and Offset Control
- General Purpose
- Industrial Process Controls
Documentation
Data Sheet 1
Reliability Data 1
Technical Articles 1
ADI has always placed the highest emphasis on delivering products that meet the maximum levels of quality and reliability. We achieve this by incorporating quality and reliability checks in every scope of product and process design, and in the manufacturing process as well. "Zero defects" for shipped products is always our goal. View our quality and reliability program and certifications for more information.
| Part Model | Pin/Package Drawing | Documentation | CAD Symbols, Footprints, and 3D Models |
|---|---|---|---|
| MAX547ACMH+ | 44-MQFP-10X10X2(+3.2) | ||
| MAX547ACMH+D | 44-MQFP-10X10X2(+3.2) | ||
| MAX547ACQH+D | 44-PLCC-N/A | ||
| MAX547AEMH+ | 44-MQFP-10X10X2(+3.2) | ||
| MAX547AEQH+D | 44-PLCC-N/A | ||
| MAX547BCMH+ | 44-MQFP-10X10X2(+3.2) | ||
| MAX547BCMH+D | 44-MQFP-10X10X2(+3.2) | ||
| MAX547BCMH+T | 44-MQFP-10X10X2(+3.2) | ||
| MAX547BCMH+TD | 44-MQFP-10X10X2(+3.2) | ||
| MAX547BCQH+D | 44-PLCC-N/A | ||
| MAX547BEMH+ | 44-MQFP-10X10X2(+3.2) | ||
| MAX547BEQH+D | 44-PLCC-N/A |
This is the most up-to-date revision of the Data Sheet.
Software Resources
Can't find the software or driver you need?
Request a Driver/SoftwareLatest Discussions
No discussions on MAX547 yet. Have something to say?
Start a Discussion on EngineerZone®