MAX5290
PRODUCTIONBuffered, Fast-Settling, Dual, 12-/10-/8-Bit, Voltage-Output DACs
Buffered, Fast-Settling, Dual, 12-/10-/8-Bit, Voltage-Output DACs Provide Excellent Static Accuracy
- Part Models
- 1
- 1ku List Price
- Starting From $6.44
Overview
- Dual, 12-/10-/8-Bit Serial DACs in 4mm x 4mm Thin QFN and TSSOP Packages
- 3µs (max) 12-Bit Settling Time to 1/2 LSB
- Integral Nonlinearity
- 1 LSB (max) MAX5290/MAX5291 A-Grade (12-Bit)
- 1 LSB (max) MAX5292/MAX5293 (10-Bit)
- 1/2 LSB (max) MAX5294/MAX5295 (8-Bit)
- Guaranteed Monotonic, ±1 LSB (max) DNL
- Two User-Programmable Digital I/O Ports
- Single +2.7V to +5.25V Analog Supply
- +1.8V to AVDD Digital Supply
- 20MHz 3-Wire SPI-/QSPI-/MICROWIRE- and DSP-Compatible Serial Interface
- Glitch-Free Outputs Power Up to Zero Scale, Midscale or Full Scale
- Unity-Gain- or Force-Sense-Configured Output Buffers
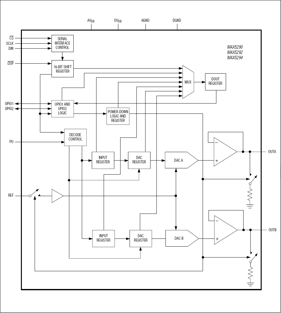
The MAX5290–MAX5295 dual, 12-/10-/8-bit, voltage-output digital-to-analog converters (DACs) offer buffered outputs and a 3µs maximum settling time at the 12-bit level. The DACs operate from a 2.7V to 5.25V analog supply and a separate 1.8V to 3.6V digital supply. The 20MHz 3-wire serial interface is compatible with SPI™, QSPI™, MICROWIRE™, and digital signal processor (DSP) protocol applications. Multiple devices can share a common serial interface in direct access or daisy-chained configuration. The MAX5290–MAX5295 provide two multifunctional, user-programmable, digital I/O ports. The externally selectable power-up states of the DAC outputs are either zero scale, midscale, or full scale. Software-selectable FAST and SLOW settling modes decrease settling time in FAST mode, or reduce supply current in SLOW mode.
The MAX5290/MAX5291 are 12-bit DACs, the MAX5292/MAX5293 are 10-bit DACs, and the MAX5294/MAX5295 are 8-bit DACs. The MAX5290/MAX5292/MAX5294 provide unity-gain-configured output buffers, while the MAX5291/MAX5293/MAX5295 provide force-sense-configured output buffers. The MAX5290–MAX5295 are specified over the extended -40°C to +85°C temperature range, and are available in space-saving 4mm x 4mm, 16-pin thin QFN and 6.5mm x 5mm, 14-pin and 16-pin TSSOP packages.
Applications
- Automated Test Equipment (ATE)
- Automatic Tuning
- Digital Offset and Gain Adjustments
- Fast Parallel DAC to Serial DAC Upgrades
- Industrial Process Controls
- Microprocessor (µP)-Controlled Systems
- Motion Control
- Portable Instrumentation
- Power Amplifier Control
- Programmable Attenuators
- Programmable Voltage and Current Sources
Documentation
Data Sheet 1
Reliability Data 1
Technical Articles 3
ADI has always placed the highest emphasis on delivering products that meet the maximum levels of quality and reliability. We achieve this by incorporating quality and reliability checks in every scope of product and process design, and in the manufacturing process as well. "Zero defects" for shipped products is always our goal. View our quality and reliability program and certifications for more information.
| Part Model | Pin/Package Drawing | Documentation | CAD Symbols, Footprints, and 3D Models |
|---|---|---|---|
| MAX5290BEUD+ | Thin Shrink Small-Outline Package |
This is the most up-to-date revision of the Data Sheet.
Software Resources
Can't find the software or driver you need?
Request a Driver/SoftwareHardware Ecosystem
| Parts | Product Life Cycle | Description |
|---|---|---|
| Digital to Analog Converters (DACs) 6 | ||
| MAX5590 | PRODUCTION | Buffered, Fast-Settling, Octal, 12/10/8-Bit, Voltage-Output DACs |
| MAX5591 | PRODUCTION | Buffered, Fast-Settling, Octal, 12/10/8-Bit, Voltage-Output DACs |
| MAX5592 | PRODUCTION | Buffered, Fast-Settling, Octal, 12/10/8-Bit, Voltage-Output DACs |
| MAX5593 | PRODUCTION | Buffered, Fast-Settling, Octal, 12/10/8-Bit, Voltage-Output DACs |
| MAX5594 | PRODUCTION | Buffered, Fast-Settling, Octal, 12/10/8-Bit, Voltage-Output DACs |
| MAX5595 | PRODUCTION | Buffered, Fast-Settling, Octal, 12/10/8-Bit, Voltage-Output DACs |
Latest Discussions
No discussions on MAX5290 yet. Have something to say?
Start a Discussion on EngineerZone®