MAX5264

Obsolete

Octal, 14-Bit, Voltage-Output DAC with Parallel Interface for ATE

Viewing:

Overview

  • Full 14-Bit Performance Without Adjustments
  • 8 DACs in a Single Package
  • Buffered Voltage Outputs
  • Unipolar or Bipolar Voltage Swing to +9V and -4V
  • 22µs Output Settling Time
  • Drives Up to 10,000pF Capacitive Load
  • Low Output Glitch: 30mV
  • Low Power Consumption: 10mA (typ)
  • Small 44-Pin MQFP Package
  • Double-Buffered Digital Inputs
  • Asynchronous Load Updates All DACs Simultaneously
  • Asynchronous CLR-bar Forces All DACs to DUTGND Potential

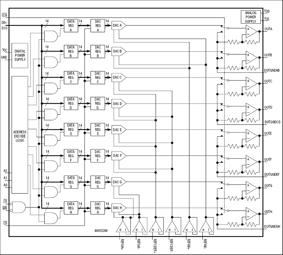
The MAX5264 contains eight 14-bit, voltage-output digital-to-analog converters (DACs). On-chip precision output amplifiers provide the voltage outputs. The device operates from +14V/-9V supplies. Its bipolar output voltage swing ranges from +9V to -4V and is achieved with no external components. The MAX5264 has three pairs of differential reference inputs; two of these pairs are connected to two DACs each, and a third pair is connected to four DACs. The references are independently controlled, providing different full-scale output voltages to the respective DACs. The MAX5264 operates within the following voltage ranges: VDD = +7V to +14V, VSS = -5V to -9V, and VCC = +4.75V to +5.25V.

The MAX5264 features double-buffered interface logic with a 14-bit parallel data bus. Each DAC has an input latch and a DAC latch. Data in the DAC latch sets the output voltage. The eight input latches are addressed with three address lines. Data is loaded to the input latch with a single write instruction. An asynchronous load input (active-low LD) transfers data from the input latch to the DAC latch. The active-low LD input controls all DACs; therefore, all DACs can be updated simultaneously by asserting the active-low LD pin. An asynchronous active-low CLR input sets the output of all eight DACs to the respective DUTGND input of the op amp. Note that active-low CLR is a CMOS input, which is powered by VDD. All other logic inputs are TTL/CMOS compatible. The "A" grade of the MAX5264 has a maximum INL of ±4LSBs, while the "B" grade has a maximum INL of ±8LSBs. Both grades are available in 44-pin MQFP packages.

Applications

  • Arbitrary Function Generators
  • Automated Test Equipment (ATE)
  • Avionics and Military Systems
  • Digital Gain and Offset Control
  • Industrial Process Controls
  • Minimum Component Count Analog Systems
  • SONET Applications

MAX5264
Octal, 14-Bit, Voltage-Output DAC with Parallel Interface for ATE
MAX5264: Functional Block Diagram
Add to myAnalog

Add product to the Products section of myAnalog (to receive notifications), to an existing project or to a new project.

Create New Project
Ask a Question

Documentation

Learn More
Add to myAnalog

Add media to the Resources section of myAnalog, to an existing project or to a new project.

Create New Project

Software Resources

Can't find the software or driver you need?

Request a Driver/Software

Latest Discussions

No discussions on MAX5264 yet. Have something to say?

Start a Discussion on EngineerZone®

Recently Viewed