MAX34406

PRODUCTION

Quad Current-Sense Amplifier with Overcurrent Threshold Comparators

Accurate Current Measurement with Automatic Overcurrent Shutdown for Four Supply Rails

Viewing:

Overview

  • Four Precision Current-Sense Amplifiers
  • Fixed Gains of 25V/V, 50V/V, 100V/V, and 200V/V
  • Less Than ±600µV of Input Offset
  • Less Than ±0.6% of Gain Error (T/F/H) or ±0.8% of Gain Error (W)
  • Wide 2.0V to 28V Common Mode Range
  • Analog Voltage Outputs for Each Amplifier
  • Independent Overcurrent Comparators with Fixed 1.0V Threshold
  • Low Power Consumption
  • -40°C to +85°C Temperature Range
  • Small 24-Pin TQFN (4mm x 4mm) Package

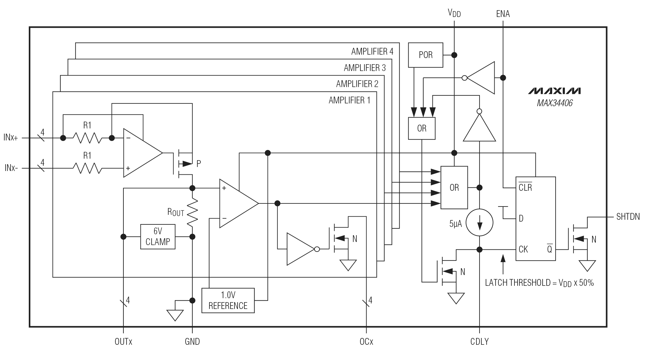
The MAX34406 is a quad, high-side, unidirectional, current-sense amplifier that offers precision accuracy. It provides analog outputs for each of the four amplifiers that can be routed to an external ADC, and contains four overcurrent comparators with a fixed 1.0V threshold. All four comparators are logically ORed, and the result can be delayed/filtered with an external capacitor before it is fed to a latched common shutdown open-drain output pin.

Applications

  • Base Stations
  • Industrial Controls
  • Network Switches/Routers
  • Servers
  • Smart Grid Network Systems

MAX34406
Quad Current-Sense Amplifier with Overcurrent Threshold Comparators
MAX34406 Block Diagram MAX34406 Pin Configuration
Add to myAnalog

Add product to the Products section of myAnalog (to receive notifications), to an existing project or to a new project.

Create New Project
Ask a Question

Documentation

Learn More
Add to myAnalog

Add media to the Resources section of myAnalog, to an existing project or to a new project.

Create New Project

Software Resources

Can't find the software or driver you need?

Request a Driver/Software

Tools & Simulations

LTspice


Models for the following parts are available in LTspice:

  • MAX34406F
  • MAX34406H
  • MAX34406T
  • MAX34406W
LTspice

LTspice® is a powerful, fast and free simulation software, schematic capture and waveform viewer with enhancements and models for improving the simulation of analog circuits.


Evaluation Kits

MAX34406EVKIT

Evaluation Kit for the MAX34406

Features and Benefits

  • Quick Evaluation of the MAX34406
  • Fully Assembled and Tested
  • Ready for Operation Out of the Box
  • Configured for 4A Thresholds on Each Channel
  • Support Currents Up to 32A on Each Channel
  • Access to Sense Resistors for Threshold Adjustment
  • Amplifier Filtering Can be Added
  • Labeled Test Points for Key Signals
  • PCB Mounting Holes

Product Details

The MAX34406 evaluation kit (EV kit) simplifies evaluation of the MAX34406 quad current-sense amplifier with overcurrent threshold comparators. The EV kit is fully assembled and ready for operation. It is shipped with four 10mΩ sense resistors in parallel on each channel, which creates an effective sense resistance of 2.5mΩ. The EV kit ships with the MAX34406 device installed, which provides a fixed gain of 100V/V. The 2.5mΩ sense resistance and 100V/V gain provide an overcurrent threshold of 4A on each channel. The sense resistors on the EV kit can be changed to adjust the overcurrent threshold. The PCB and the terminals on the EV kit can support currents up to 32A on each channel.

Applications

  • Base Stations
  • Industrial Controls
  • Network Switches/Routers
  • Servers
  • Smart Grid Network Systems

MAX34406EVKIT
Evaluation Kit for the MAX34406

Latest Discussions

No discussions on MAX34406 yet. Have something to say?

Start a Discussion on EngineerZone®

Recently Viewed