MAX265

Obsolete

Resistor-Pin-Programmable, Universal Switched Capacitor Filter

Viewing:

Overview

MAX265
Resistor-Pin-Programmable, Universal Switched Capacitor Filter
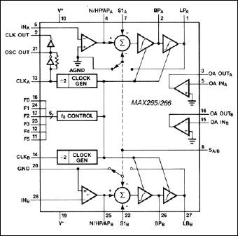
MAX265, MAX266: Functional Diagram
Add to myAnalog

Add product to the Products section of myAnalog (to receive notifications), to an existing project or to a new project.

Create New Project
Ask a Question

Documentation

Learn More
Add to myAnalog

Add media to the Resources section of myAnalog, to an existing project or to a new project.

Create New Project

Software Resources

Can't find the software or driver you need?

Request a Driver/Software

Latest Discussions

No discussions on MAX265 yet. Have something to say?

Start a Discussion on EngineerZone®

Recently Viewed