MAX2557

Obsolete

Multiband, Multimode RF-to-Bits Femto-Basestation Radio Receiver

TS25.104-Compliant, Complete RF-to-Digital Bits Receive Subsystem for WCDMA Band II and V Femto-Basestation Applications

Viewing:

Overview

  • Complete RF-to-Digital-Bits Radio Receiver Subsystem
  • Supports
    • HSPA-FDD Bands II and V Uplink
    • HSPA-FDD Bands II and V Downlink Monitoring
    • GSM Monitoring in U.S. Cellular and PCS Bands
  • TS25.104 Compliant
  • Compatible with UMTS1900 and UMTS850 Interference Environments
  • High-Dynamic-Range Continuous-Time Sigma-Delta ADCs Allow Simple AGC Implementation with Switched Gain States
  • MAX-PHY Digital Rx Interface with Single-Bit I/Q Bitstream, No Analog Signals
  • On-Chip Fractional-N Frequency Synthesizers for LO and Sampling Clock Generation
  • Dual-Buffered Reference Outputs to Drive Transmit IC and Baseband DSP
  • Programmable Rail-to-Rail GPO Pins Controlled by Serial Interface for External Component Control
  • Operation Controlled Entirely by 3-Wire Serial Interface, No Analog Control Signals Necessary

The MAX2557 direct-conversion RF-to-bits radio receiver is designed for HSPA-FDD femto basestations in bands II and V. The device has dedicated receive paths to enable downlink activities in both bands. The MAX2557 also provides GSM monitoring capability in the U.S. cellular and U.S. PCS bands.

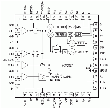
The unique RF-to-bits architecture of the MAX2557 integrates four LNAs with inputs/outputs internally matched to 50Ω, quadrature mixers, baseband anti-aliasing filters, programmable-gain RF and baseband amplifiers, fractional-N RF synthesizer, RF VCO, fractional-N frequency synthesizer for ADC sampling clock, and high-dynamic-range I/Q continuous-time sigma-delta ADCs. The sigma-delta modulators perform I and Q analog-to-digital conversion onto 1-bit digital streams. A programmable LVDS-like interface, with its own frac-N clock generation system, is used for the data transfer to the baseband/DSP, where the final decimation, equalization, and digital channel filtering are performed in compliance with the MAX-PHY digital section definition. Digital IP blocks are available from Maxim. The MAX2557 modes of operation are programmable by a 3-wire serial bus.

The MAX2557 is specified for operation in the extended -40°C to +85°C temperature range and is available in a 7mm x 7mm x 1.4mm fcLGA package with exposed pad (EP).

Applications

  • UMTS Femto—Bands II and V Basestations

MAX2557
Multiband, Multimode RF-to-Bits Femto-Basestation Radio Receiver
MAX2557: Pin Configuration
Add to myAnalog

Add product to the Products section of myAnalog (to receive notifications), to an existing project or to a new project.

Create New Project
Ask a Question

Documentation

Reliability Data 1

Technical Articles 1

Request an NDA

Complete documentation is available upon completion of a Non-Disclosure Agreement (NDA).

Request an NDA
Learn More
Add to myAnalog

Add media to the Resources section of myAnalog, to an existing project or to a new project.

Create New Project

Software Resources

Can't find the software or driver you need?

Request a Driver/Software

Hardware Ecosystem

Parts Product Life Cycle Description
Analog to Digital Converters (ADCs) 1
MAX2547 Obsolete WCDMA/HSPA Band I RF-to-Bits Femto-Basestation Radio Receiver
Digital to Analog Converters (DACs) 2
MAX2599 Obsolete Femto Basestation Bits-to-RF Radio Transmitter
MAX2597 Obsolete Femto-Basestation Bits-to-RF Radio Transmitter
Modal heading
Add to myAnalog

Add product to the Products section of myAnalog (to receive notifications), to an existing project or to a new project.

Create New Project

Latest Discussions

No discussions on MAX2557 yet. Have something to say?

Start a Discussion on EngineerZone®

Recently Viewed