MAX25500

RECOMMENDED FOR NEW DESIGNS

4 × 24 Automotive LED Matrix Driver

Industry-First Matrix LED Driver for Automotive Applications

Viewing:

Overview

  • Flexible Configuration
    • Integrated Column Drivers
    • Integrated Column Drivers
    • Programmable Dither for Enhanced Resolution
    • Optional Individual Programmable Delays
    • Optional Pseudorandom Fine Delay on Each Output
  • Extensive Diagnostics
    • Shorted or Open LEDs
    • Programmable VLED Undervoltage/Overvoltage Detection with Flag
    • Adjacent SNK_ to SNK_ Short Detection
    • Shorted SNK_ or SRC_ to GND
    • ISET Out of Range
    • Thermal Warning/Shutdown
  • 24 Row Drivers
    • Up to 72mA Peak Output Current
    • Individual Current Control for Each LED Zone
    • Very Narrow Minimum Current Pulse for Maximum Dimming Ratio
    • Ghosting Elimination Features
  • FB Output to Control External DC-DC Converter
  • High-Speed Daisy-Chain
  • VSYNC Synchronization Input (Programmable Active High/Low)
  • 48-Lead TQFN and TSSOP Packages
  • AEC-Q100 Grade 1

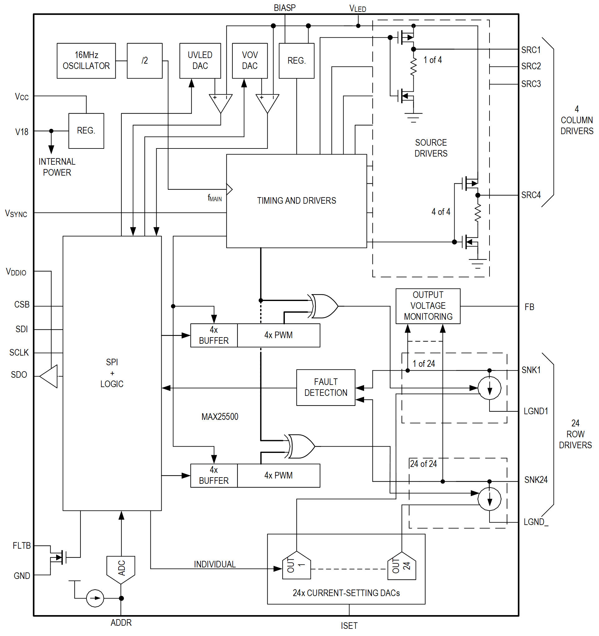
The MAX25500 is a 4 × 24-channel modular matrix backlight driver for use with local-dimming automotive displays. The integrated current outputs can sink up to 72mA Light Emitting Diode (LED) current each. The source drive pins provide current to the columns of the matrix on a multiplexed basis. Device power comes from an external 3.3V or 5V supply, while the LED current-sink outputs can operate at up to 14V.

A feedback output pin (FB) is provided to control an external DC-DC converter so that voltage headroom can be optimized and the overall system power dissipation re

The device is highly flexible due to its programmability using the serial peripheral interface (SPI). Among the programmable parameters are the LED current, individual pulse-width modulation (PWM) settings, and multiplex ratio.

The device features a high-speed SPI for control using a daisy-chain or star configuration. Up to 16 devices can be daisy-chained to reduce connection complexity.

The MAX25500 is available in TQFN and TSSOP packages, and operates in the −40°C to 125°C temperature range.

Applications

  • Central Information Displays
  • Instrument Clusters
  • Interior Lighting

MAX25500
4 × 24 Automotive LED Matrix Driver
MAX25500 Block Diagram
Add to myAnalog

Add product to the Products section of myAnalog (to receive notifications), to an existing project or to a new project.

Create New Project
Ask a Question

Documentation

Data Sheet 1

Technical Articles 1

Request an NDA

Complete documentation is available upon completion of a Non-Disclosure Agreement (NDA).

Request an NDA
Learn More
Add to myAnalog

Add media to the Resources section of myAnalog, to an existing project or to a new project.

Create New Project

Software Resources

Can't find the software or driver you need?

Request a Driver/Software

Tools & Simulations

Software Development 1


Evaluation Kits

MAX25500TEVKITC

Evaluation Kit for the MAX25500/MAX25501

Features and Benefits

  • SPI Programmability
  • Dedicated GUI
  • Proven PCB and Thermal Design
  • Fully Assembled and Tested.

Complete documentation is available upon completion of a Non-Disclosure Agreement (NDA). To request an NDA, click here.

Product Details

The MAX25500 evaluation kit (EV kit) demonstrates the MAX25500 and the MAX25501, 4x24-channel modular matrix backlight drivers with ASIL B features (MAX25501 only) for use with local-dimming automotive displays.

The EV kit operates from a DC supply voltage between 3V and 5V (VCC) while the on-board 4x48 LED matrix can be powered either from the on-board MAX20077 buck converter, the on-board MAX20048 buck-boost converter or from an external power supply connected to VLED. The EV kit can be configured to operate alone or with other MAX25500 EV kits in a daisy-chain or star connection.

The EV kit also demonstrates short-LED (this includes SNK_ to SNK_, SRC_ to VLED, SRC_ to GND shorts), open-LED, VLED Undervoltage and Overvoltage and overtemperature-fault protection.

The EV kit provides an SPI interface that can operate in conjunction with the MINIQUSB+ adapter board or a thirdparty SPI master. The EV kit also includes Windows®- compatible software that provides a simple graphical user interface (GUI) for exercising the features of the IC.

Note: Eight different EV kit versions exist, each designed to accommodate one of the two available MAX25500/ MAX25501 IC packages (TQFN and TSSOP), featuring one of the two available SPI control interfaces (Daisychain and Star). The instructions given in the following paragraphs equally apply to all the EV kit versions. See the Ordering Information table at the end of this document for details on the different EV kits.

MAX25500QEVKITB

Evaluation Kit for the MAX25500/MAX25501

Features and Benefits

  • SPI Programmability
  • Dedicated GUI
  • Proven PCB and Thermal Design
  • Fully Assembled and Tested.

Complete documentation is available upon completion of a Non-Disclosure Agreement (NDA). To request an NDA, click here.

Product Details

The MAX25500 evaluation kit (EV kit) demonstrates the MAX25500 and the MAX25501, 4x24-channel modular matrix backlight drivers with ASIL B features (MAX25501 only) for use with local-dimming automotive displays.

The EV kit operates from a DC supply voltage between 3V and 5V (VCC) while the on-board 4x48 LED matrix can be powered either from the on-board MAX20077 buck converter, the on-board MAX20048 buck-boost converter or from an external power supply connected to VLED. The EV kit can be configured to operate alone or with other MAX25500 EV kits in a daisy-chain or star connection.

The EV kit also demonstrates short-LED (this includes SNK_ to SNK_, SRC_ to VLED, SRC_ to GND shorts), open-LED, VLED Undervoltage and Overvoltage and overtemperature-fault protection.

The EV kit provides an SPI interface that can operate in conjunction with the MINIQUSB+ adapter board or a thirdparty SPI master. The EV kit also includes Windows®- compatible software that provides a simple graphical user interface (GUI) for exercising the features of the IC.

Note: Eight different EV kit versions exist, each designed to accommodate one of the two available MAX25500/ MAX25501 IC packages (TQFN and TSSOP), featuring one of the two available SPI control interfaces (Daisychain and Star). The instructions given in the following paragraphs equally apply to all the EV kit versions. See the Ordering Information table at the end of this document for details on the different EV kits.

MAX25500TEVKITA

Evaluation Kit for the MAX25500/MAX25501

Features and Benefits

  • SPI Programmability
  • Dedicated GUI
  • Proven PCB and Thermal Design
  • Fully Assembled and Tested.

Complete documentation is available upon completion of a Non-Disclosure Agreement (NDA). To request an NDA, click here.

Product Details

The MAX25500 evaluation kit (EV kit) demonstrates the MAX25500 and the MAX25501, 4x24-channel modular matrix backlight drivers with ASIL B features (MAX25501 only) for use with local-dimming automotive displays.

The EV kit operates from a DC supply voltage between 3V and 5V (VCC) while the on-board 4x48 LED matrix can be powered either from the on-board MAX20077 buck converter, the on-board MAX20048 buck-boost converter or from an external power supply connected to VLED. The EV kit can be configured to operate alone or with other MAX25500 EV kits in a daisy-chain or star connection.

The EV kit also demonstrates short-LED (this includes SNK_ to SNK_, SRC_ to VLED, SRC_ to GND shorts), open-LED, VLED Undervoltage and Overvoltage and overtemperature-fault protection.

The EV kit provides an SPI interface that can operate in conjunction with the MINIQUSB+ adapter board or a thirdparty SPI master. The EV kit also includes Windows®- compatible software that provides a simple graphical user interface (GUI) for exercising the features of the IC.

Note: Eight different EV kit versions exist, each designed to accommodate one of the two available MAX25500/ MAX25501 IC packages (TQFN and TSSOP), featuring one of the two available SPI control interfaces (Daisychain and Star). The instructions given in the following paragraphs equally apply to all the EV kit versions. See the Ordering Information table at the end of this document for details on the different EV kits.

MAX25500TEVKITB

Evaluation Kit for the MAX25500/MAX25501

Features and Benefits

  • SPI Programmability
  • Dedicated GUI
  • Proven PCB and Thermal Design
  • Fully Assembled and Tested.

Complete documentation is available upon completion of a Non-Disclosure Agreement (NDA). To request an NDA, click here.

Product Details

The MAX25500 evaluation kit (EV kit) demonstrates the MAX25500 and the MAX25501, 4x24-channel modular matrix backlight drivers with ASIL B features (MAX25501 only) for use with local-dimming automotive displays.

The EV kit operates from a DC supply voltage between 3V and 5V (VCC) while the on-board 4x48 LED matrix can be powered either from the on-board MAX20077 buck converter, the on-board MAX20048 buck-boost converter or from an external power supply connected to VLED. The EV kit can be configured to operate alone or with other MAX25500 EV kits in a daisy-chain or star connection.

The EV kit also demonstrates short-LED (this includes SNK_ to SNK_, SRC_ to VLED, SRC_ to GND shorts), open-LED, VLED Undervoltage and Overvoltage and overtemperature-fault protection.

The EV kit provides an SPI interface that can operate in conjunction with the MINIQUSB+ adapter board or a thirdparty SPI master. The EV kit also includes Windows®- compatible software that provides a simple graphical user interface (GUI) for exercising the features of the IC.

Note: Eight different EV kit versions exist, each designed to accommodate one of the two available MAX25500/ MAX25501 IC packages (TQFN and TSSOP), featuring one of the two available SPI control interfaces (Daisychain and Star). The instructions given in the following paragraphs equally apply to all the EV kit versions. See the Ordering Information table at the end of this document for details on the different EV kits.

Complete documentation is available upon completion of a Non-Disclosure Agreement (NDA). To request an NDA, click here.

MAX25500QEVKITA

Evaluation Kit for the MAX25500/MAX25501

Features and Benefits

  • SPI Programmability
  • Dedicated GUI
  • Proven PCB and Thermal Design
  • Fully Assembled and Tested.

Complete documentation is available upon completion of a Non-Disclosure Agreement (NDA). To request an NDA, click here.

Product Details

The MAX25500 evaluation kit (EV kit) demonstrates the MAX25500 and the MAX25501, 4x24-channel modular matrix backlight drivers with ASIL B features (MAX25501 only) for use with local-dimming automotive displays.

The EV kit operates from a DC supply voltage between 3V and 5V (VCC) while the on-board 4x48 LED matrix can be powered either from the on-board MAX20077 buck converter, the on-board MAX20048 buck-boost converter or from an external power supply connected to VLED. The EV kit can be configured to operate alone or with other MAX25500 EV kits in a daisy-chain or star connection.

The EV kit also demonstrates short-LED (this includes SNK_ to SNK_, SRC_ to VLED, SRC_ to GND shorts), open-LED, VLED Undervoltage and Overvoltage and overtemperature-fault protection.

The EV kit provides an SPI interface that can operate in conjunction with the MINIQUSB+ adapter board or a thirdparty SPI master. The EV kit also includes Windows®- compatible software that provides a simple graphical user interface (GUI) for exercising the features of the IC.

Note: Eight different EV kit versions exist, each designed to accommodate one of the two available MAX25500/ MAX25501 IC packages (TQFN and TSSOP), featuring one of the two available SPI control interfaces (Daisychain and Star). The instructions given in the following paragraphs equally apply to all the EV kit versions. See the Ordering Information table at the end of this document for details on the different EV kits.

MAX25500TEVKITC
Evaluation Kit for the MAX25500/MAX25501
MAX25500QEVKITB
Evaluation Kit for the MAX25500/MAX25501
MAX25500TEVKITA
Evaluation Kit for the MAX25500/MAX25501
MAX25500TEVKITB
Evaluation Kit for the MAX25500/MAX25501
MAX25500QEVKITA
Evaluation Kit for the MAX25500/MAX25501

Latest Discussions

Recently Viewed