MAX1758

PRODUCTION

Stand-Alone, Switch-Mode Li+ Battery Charger with Internal 28V Switch

Viewing:

Overview

  • Stand-Alone Charger for Up to 4 Li+ Batteries
  • ±0.8% Battery Regulation Voltage Accuracy
  • Low-Dropout 98% Duty Cycle
  • Safely Precharges Near-Dead Cells
  • Continuous Voltage and Temperature Monitoring
  • 0.1µA Shutdown Battery Current
  • Input Voltage Up to 28V
  • Up to 1.5A Programmable Charge Current
  • Safety Timer Prevents Overcharging
  • Input Current Limiting
  • Space-Saving 28-Pin SSOP
  • 300kHz PWM Oscillator Reduces Noise

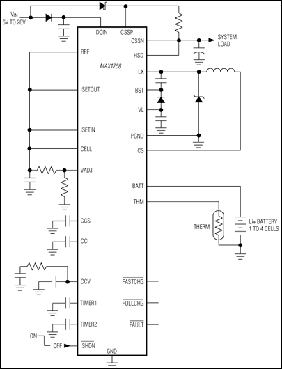
The MAX1758 is a switch-mode lithium-ion (Li+) battery charger that charges one-to-four cells. It provides a regulated charging current accurate to ±10% and a regulated voltage with only a ±0.8% total voltage error at the battery terminals. The internal high-side switch delivers a programmable current of up to 1.5A to charge the battery. The built-in safety timer automatically terminates charging once the adjustable time limit has been reached.

The MAX1758 regulates the voltage set point and charging current using two loops that work together to transition smoothly between voltage and current regulation. An additional control loop monitors the total current drawn from the input source (charging + system), and automatically reduces battery-charging current, preventing overload of the input supply and allowing the use of a low-cost wall adapter.

The per-cell battery regulation voltage is set between 4.0V and 4.4V using standard 1% resistors. The number of cells is set from 1-to-4 by pin strapping. Battery temperature is monitored by an external thermistor to prevent charging outside the acceptable temperature range.

The MAX1758 is available in a space-saving 28-pin SSOP package. Use the MAX1758EVKIT to help reduce design time. For a stand-alone charger with a 14V switch, refer to the MAX1757 data sheet. For a charger controller capable of up to 4A charging current, refer to the MAX1737 data sheet.

Applications

  • Desktop Cradle Chargers
  • Handheld Instruments (PDAs, Palmtops)
  • Li+ Battery Packs
  • Notebook Computers

MAX1758
Stand-Alone, Switch-Mode Li+ Battery Charger with Internal 28V Switch
MAX1758: Typical Operating Circuit
Add to myAnalog

Add product to the Products section of myAnalog (to receive notifications), to an existing project or to a new project.

Create New Project
Ask a Question

Documentation

Learn More
Add to myAnalog

Add media to the Resources section of myAnalog, to an existing project or to a new project.

Create New Project

Software Resources

Can't find the software or driver you need?

Request a Driver/Software

Evaluation Kits

MAX1758EVKIT

Evaluation Kit for the MAX1757, MAX1758

Features and Benefits

  • Complete Li+ Charging Solution up to 3-Series Cells (MAX1757) and 4-Series Cells (MAX1758)
  • 1.5A Battery-Charging Current
  • Low Heat/High Efficiency
  • 300kHz PWM Operation
  • Up to 14V Input Voltage Range (MAX1757)
  • Up to 28V Input Voltage Range (MAX1758)
  • 28-Pin SSOP Package
  • Surface-Mount Construction
  • Fully Assembled and Tested

Product Details

The MAX1757/MAX1758 evaluation kits (EV kits) are assembled and tested PC boards that implement a step-down, switching lithium-ion (Li+) battery charger. The MAX1757 EV kit can be set to charge 1- to 3-series cells, and the MAX1758 EV kit can be set to charge 1- to 4-series cells. The cell voltage can be set between 4.0V and 4.4V using standard 1% resistors while maintaining 1% overall regulation voltage accuracy. Three LEDs indicate the charging status.

The MAX1757/MAX1758 EV kits detect faulty cells and terminate charging. Two capacitors are used to set the charge termination, prequalification, and fault timeout periods. A user-supplied thermistor may be connected to either EV kit to monitor battery temperature and suspend charging for over-/undertemperature conditions.

Applications

  • Desktop Cradle Chargers
  • Handheld Instruments (PDAs, Palmtops)
  • Li+ Battery Packs
  • Notebook Computers
  • PDAs

MAX1757EVKIT

Evaluation Kit for the MAX1757, MAX1758

Features and Benefits

  • Complete Li+ Charging Solution up to 3-Series Cells (MAX1757) and 4-Series Cells (MAX1758)
  • 1.5A Battery-Charging Current
  • Low Heat/High Efficiency
  • 300kHz PWM Operation
  • Up to 14V Input Voltage Range (MAX1757)
  • Up to 28V Input Voltage Range (MAX1758)
  • 28-Pin SSOP Package
  • Surface-Mount Construction
  • Fully Assembled and Tested

Product Details

The MAX1757/MAX1758 evaluation kits (EV kits) are assembled and tested PC boards that implement a step-down, switching lithium-ion (Li+) battery charger. The MAX1757 EV kit can be set to charge 1- to 3-series cells, and the MAX1758 EV kit can be set to charge 1- to 4-series cells. The cell voltage can be set between 4.0V and 4.4V using standard 1% resistors while maintaining 1% overall regulation voltage accuracy. Three LEDs indicate the charging status.

The MAX1757/MAX1758 EV kits detect faulty cells and terminate charging. Two capacitors are used to set the charge termination, prequalification, and fault timeout periods. A user-supplied thermistor may be connected to either EV kit to monitor battery temperature and suspend charging for over-/undertemperature conditions.

Applications

  • Desktop Cradle Chargers
  • Handheld Instruments (PDAs, Palmtops)
  • Li+ Battery Packs
  • Notebook Computers
  • PDAs

MAX1758EVKIT
Evaluation Kit for the MAX1757, MAX1758
MAX1757EVKIT
Evaluation Kit for the MAX1757, MAX1758

Latest Discussions

Recently Viewed