MAX15158Z

PRODUCTION

High-Voltage Multiphase Boost Controller

Multiphase Boost Controller designed for High Power Boost/Inverting Buck-Boost Configurations up to Quad - Phases

Viewing:

Overview

  • Wide Operating Range
    • 8V to 76V Input Voltage Range for Booost Configuration and -8V to -76V Input Voltage Range for Inverting-Buck-Boost Configuration
    • 3.3V to 60V Output Voltage Range on the Top of Input Voltage
    • 120kHz to 1MHz Switching Frequency Range
    • -40°C to +125°C Temperature Range
    • Single/Dual/Quad-Phase Operation
    • Active Phase Current Balance Control
  • Integration Reduces Design Footprint
    • Internal LDO for Bias Supply Generation
    • Multiphase Multiple Controller Synchronization and Interleave
    • Output Voltage Sense Level Shifter
  • Robust Fault Protection Improves Quality and Reliability
    • Adjustable Input Undervoltage Lockout
    • Adjustable Cycle-by-Cycle Peak Current Limit and Fast Overcurrent Protection
    • Selectable Feedback Overvoltage Protection
    • Thermal Shutdown
  • Flexible and Simple System Design
    • Adjustable Slope Compensation
    • Low-Side MOSFET Gate Monitoring for Accurate Current Sensing
    • Discontinuous-Conduction-Mode Operation is Supported when Using a Diode in Place of the High-Side MOSFET
  • Small 5mm x 5mm TQFN Package, 0.5mm Pitch

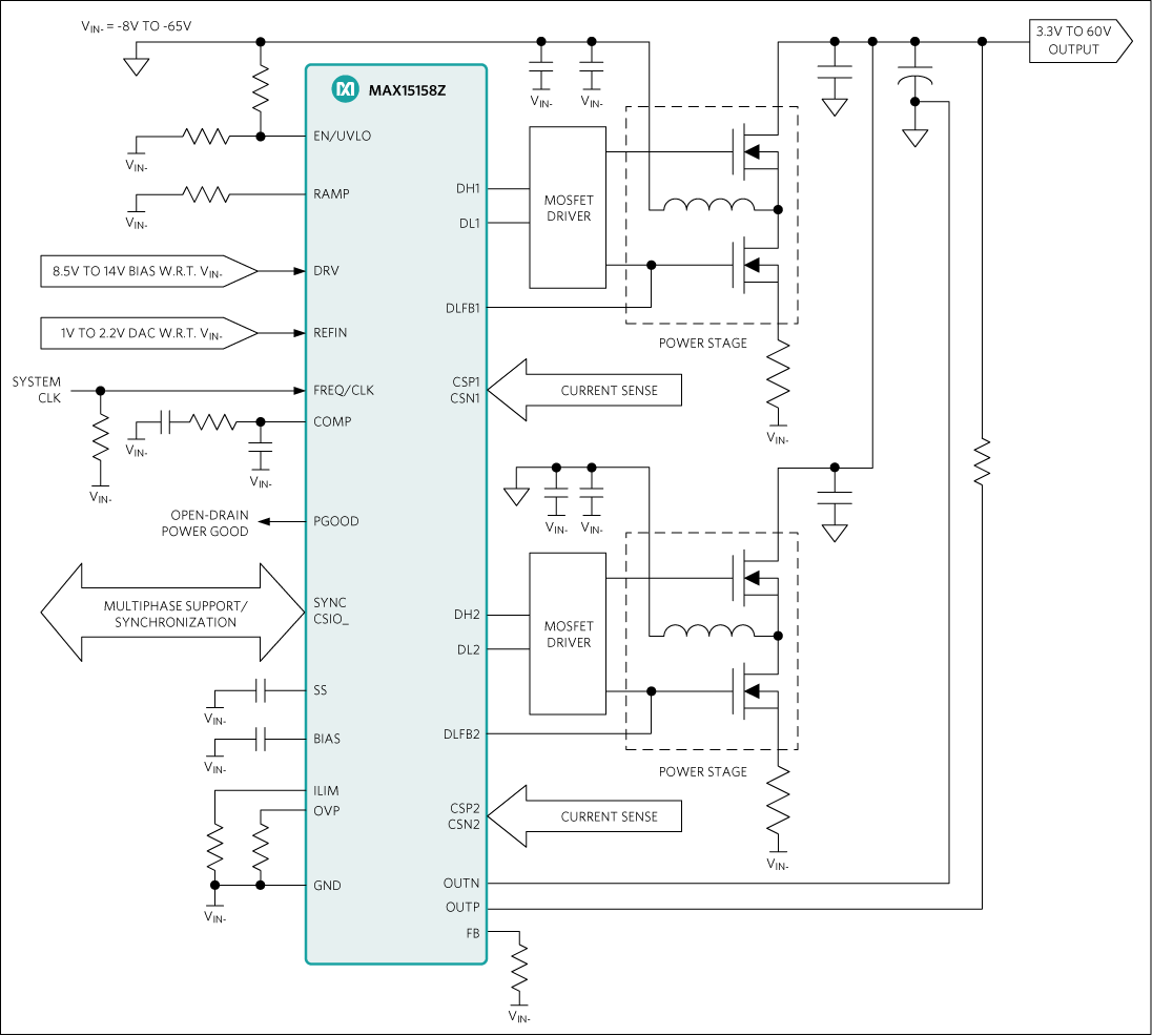
MAX15158Z is a high-voltage multiphase boost controller designed to support up to two MOSFET drivers and four external MOSFETs in single-phase or dual-phase boost/inverting-buck-boost configurations. Two devices can be stacked up for quad-phase operation. The output voltage of MAX15158Z can be dynamically set through the 1V to 2.2V reference input (REFIN) for modular design support.

The switching frequency is controlled either through an external resistor setting the internal oscillator or by synchronizing the regulator to an external clock. The device is designed to support 120kHz to 1MHz switching frequencies. The controller has a dedicated enable/input undervoltage-lockout (EN/UVLO) pin to configure for flexible power sequencing.

MAX15158Z has a dedicated RAMP pin to adjust internal slope compensation. The device features adjustable overcurrent protection. The device incorporates current sense amplifiers to accurately measure the current of each phase across external sense resistors to implement accurate phase current sharing. The controller is also protected against output overvoltage, input undervoltage and thermal shutdown.

The device is available in 5mm x 5mm, 32-pin TQFN package and supports -40°C to 125°C junction temperature range.

Applications

  • Automotive
  • Communication
  • Industrial
  • Multiphase Boost

MAX15158Z
High-Voltage Multiphase Boost Controller
MAX15158Z: Typical Application Circuit
Add to myAnalog

Add product to the Products section of myAnalog (to receive notifications), to an existing project or to a new project.

Create New Project
Ask a Question

Documentation

Learn More
Add to myAnalog

Add media to the Resources section of myAnalog, to an existing project or to a new project.

Create New Project

Software Resources

Can't find the software or driver you need?

Request a Driver/Software

Tools & Simulations

EE-Sim Power® Tools 1

The EE-Sim DC-DC Converter Tool uses your requirements to quickly create a complete power design including a schematic, BOM with commercially available parts, and time and frequency domain simulations. Your customized schematic can be downloaded for further analysis in the standalone EE-Sim OASIS Simulator, featuring SIMPLIS and SIMetrix SPICE engines.

Start EE-Sim Now

Evaluation Kits

MAX15158ZEVKIT

Evaluation Kit for the MAX15158Z

Features and Benefits

  • -8V to -60V Input Voltage Range for Inverting Buck- Boost Configuration
  • 3.3V to 60V Output Voltage Range on Top of Input Voltage
  • -40°C to 125°C Temperature Range
  • Banana Jacks for Input and Output Voltage
  • Configurable Output Voltage and Compensation Parameters
  • Adjustable Current Limit
  • Fully Assembled and Tested

Product Details

The MAX15158Z evaluation kit (EV kit) provides a proven design to evaluate the MAX15158Z, a high-voltage multiphase boost controller designed to support up to two MOSFET drivers and four external MOSFETs in singlephase or dual-phase inverting-buck-boost configuration. The EV kit operates from a -8V to -60V input voltage range and supports output voltage range of 3.3V to 60V. The EV kit uses the MAX15158Z on a proven six-layer PCB design. Two pieces of MAX15013 are used as the MOSFET driver for the EV kit. The EV kit also features an onboard buck converter MAX17552 to provide 10V supply voltage to MAX15158Z and the MOSFET driver.

Applications

  • Automotive
  • Communication
  • Industrial
  • Multiphase Boost

MAX15158EVKIT

Evaluation Kit for the MAX15158/MAX15158A/MAX15158Z

Features and Benefits

  • -8V to -60V Input Voltage Range for Inverting Buck- Boost Configuration
  • 3.3V to 60V Output Voltage Range on Top of Input Voltage
  • -40°C to 125° C Temperature Range
  • Banana Jacks for Input and Output Voltage
  • Configurable Output Voltage and Compensation Parameters
  • Adjustable Current Limit
  • Fully Assembled and Tested

Product Details

The MAX15158, MAX15158A, and MAX15158Z evaluation kits (EV kits) provide proven designs to evaluate the MAX15158, MAX15158A, and MAX15158Z, high-voltage multiphase boost controllers designed to support up to two MOSFET drivers and four external MOSFETs in single-phase or dual-phase inverting-buck-boost configurations. These EV kits operate from a -8V to -60V input voltage range and supports output voltage range of 3.3V to 60V. These EV kits use the MAX15158, MAX15158A, and MAX15158Z on a proven six-layer PCB design. Two pieces of MAX15013 are used as the MOSFET driver for the EV kits. These EV kits also feature an on-board buck converter (MAX17552) to provide 10V supply voltage to MAX15158/MAX15158A/MAX15158Z and the MOSFET driver.

Applications

  • Automotive
  • Communication
  • Industrial

MAX15158AEVKIT

Evaluation Kit for the MAX15158/MAX15158A/MAX15158Z

Features and Benefits

  • -8V to -60V Input Voltage Range for Inverting Buck- Boost Configuration
  • 3.3V to 60V Output Voltage Range on Top of Input Voltage
  • -40°C to 125° C Temperature Range
  • Banana Jacks for Input and Output Voltage
  • Configurable Output Voltage and Compensation Parameters
  • Adjustable Current Limit
  • Fully Assembled and Tested

Product Details

The MAX15158, MAX15158A, and MAX15158Z evaluation kits (EV kits) provide proven designs to evaluate the MAX15158, MAX15158A, and MAX15158Z, high-voltage multiphase boost controllers designed to support up to two MOSFET drivers and four external MOSFETs in single-phase or dual-phase inverting-buck-boost configurations. These EV kits operate from a -8V to -60V input voltage range and supports output voltage range of 3.3V to 60V. These EV kits use the MAX15158, MAX15158A, and MAX15158Z on a proven six-layer PCB design. Two pieces of MAX15013 are used as the MOSFET driver for the EV kits. These EV kits also feature an on-board buck converter (MAX17552) to provide 10V supply voltage to MAX15158/MAX15158A/MAX15158Z and the MOSFET driver.

Applications

  • Automotive
  • Communication
  • Industrial

MAX15158ZEVKIT
Evaluation Kit for the MAX15158Z
MAX15158EVKIT
Evaluation Kit for the MAX15158/MAX15158A/MAX15158Z
MAX15158AEVKIT
Evaluation Kit for the MAX15158/MAX15158A/MAX15158Z

Latest Discussions

No discussions on MAX15158Z yet. Have something to say?

Start a Discussion on EngineerZone®

Recently Viewed