MAX14918

RECOMMENDED FOR NEW DESIGNS

SPI / Parallel Controlled Quad Low-Side Switches with Reverse Current Detection

Viewing:

Overview

  • +5V (V5) or +7V to +65V (VDD) Supply Voltage Operation
  • 700mA DC Capability Per Channel across Temperature Range
  • 140mΩ (typ) On-Resistance Per Channel
  • Settable Load Current Limit 100mA (typ) to 900mA (typ)
  • +5V to +48V Load Voltage Range
  • 2x Inrush Load Current Option for 10ms (min)
  • Robust Design Features
    • Internal Inductive Energy Clamp at +55V (typ)
    • Short-Circuit Protection at OUT_ of up to +49V
    • Reverse Current Detection against Load-Supply Miswiring
    • ±1.2kV/42Ω Surge Protection
    • ±8kV Contact and ±25kV Air-Gap ESD Protection
    • -40°C to +125°C Operating Ambient Temperature
  • Diagnostic FAULT Indication for
    • Thermal Overload
    • Reverse Load Current Detection
    • Undervoltage Lockout (UVLO) on V5 Supply
  • Compact 24-Pin, 4mm x 5mm TQFN Package

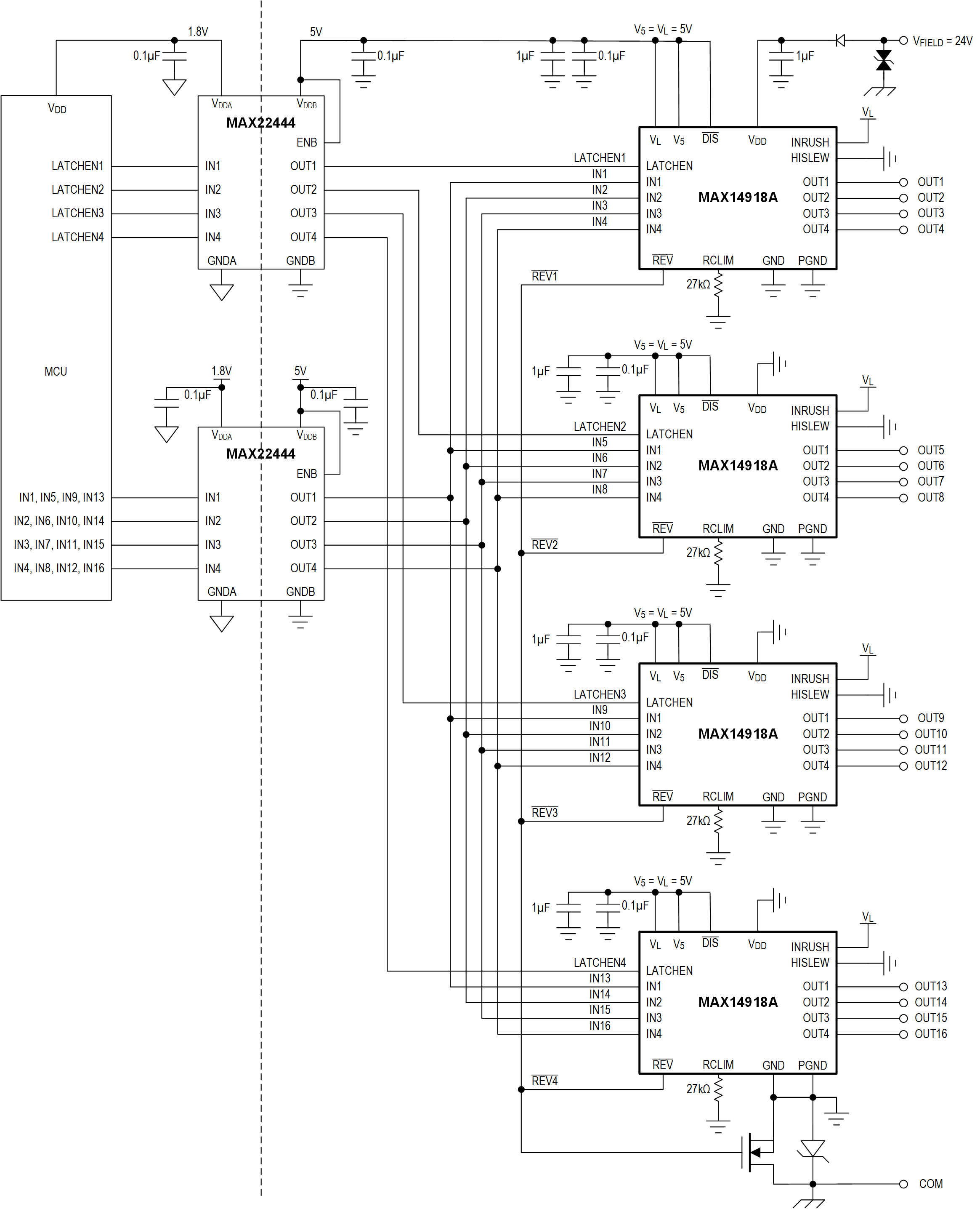
The MAX14918 and MAX14918A are quad 700mA lowside switches for industrial applications. Each device features four 140mΩ (typ) on-resistance (RON) switches with integrated ±1.2kV/42Ω surge protection. Two or more outputs can be connected in parallel to provide higher load current.

The maximum load current is actively limited and is resistor settable between 100mA (typ) and 900mA (typ). For load that draws high inrush current, the MAX14918 and MAX14918A have the inrush mode which provides 2x current after switch turn-on for 10ms (min).

The MAX14918 has an SPI allowing control of multiple MAX14918 devices through a common daisy-chained interface for high channel-count applications, minimizing galvanic isolation channels. Per-channel diagnostics are returned on the serial data output (SDO). Data corruption on the serial data input (SDI) is automatically detected and signaled on the SPIFLT output.

The MAX14918A offers a pin-based switch control with a latch option (LATCHEN) which allows sharing of the four IN_ control signals among multiple MAX14918A devices.

Slew rate control provides controlled turn-on edge for reducing electromagnetic interference or EMI emissions. Simultaneously, a global DIS control signal allows disabling of all OUT_ switches quickly.

The integrated 5V low dropout (LDO) regulator in the MAX14918 and MAX14918A can be used to power external isolators or other logic circuitry.

APPLICATIONS

  • Industrial Digital Outputs
  • Relay and Solenoid Drivers
  • Programmable Logic Controllers and Distributed Control Systems
  • Motor Control
  • Industrial/Process/Building Automation
MAX14918
SPI / Parallel Controlled Quad Low-Side Switches with Reverse Current Detection
MAX14918 Typical Applications Crcuit1 MAX14918 Ttypical Applications Circuit MAX14918 Pin Configuration
Add to myAnalog

Add product to the Products section of myAnalog (to receive notifications), to an existing project or to a new project.

Create New Project
Ask a Question

Documentation

Learn More
Add to myAnalog

Add media to the Resources section of myAnalog, to an existing project or to a new project.

Create New Project

Tools & Simulations

Software Development 1


Evaluation Kits

eval board
MAX14918EVKIT

Evaluation Kit for MAX14918

Features and Benefits

  • Easy Evaluation of the MAX14918
  • Robust Operation with a Wide Range of Output Voltages and Load Conditions
  • Robust Design at Field Outputs
    • Internal Inductive Fast Demagnetization
    • Short-Circuit Protection
    • Up to ±1.2kV IEC 61000-4-5 Surge Protection
    • Up to ±8kV IEC 61000-4-2 Contact ESD Protection
    • Up to ±25kV IEC 61000-4-2 Air-Gap ESD Protection
  • Onboard MOSFET for Output Reverse-Current Protection
  • LED Indication of Fault and Reverse-Current Detection Conditions
  • EV Kit Logic Side is USB-Powered
  • Optional Onboard Isolated 5V to Power the MAX14918 from the USB Supply
  • Galvanic Power and Data Isolation Using MAX14483 and ADuM6028 
  • Supports SPI Daisy-Chain Mode and SPI Independent Mode
  • Windows 10® Compatible Software
  • Proven PCB Layout
  • Fully Assembled and Tested
  • RoHS Compliant

Product Details

The MAX14918 evaluation kit (EV kit) provides the hardware and software necessary to evaluate the MAX14918, SPI controlled quad low-side switches with reverse-current detection. The MAX14918 EV kit receives commands from a PC through the USB port and creates SPI transactions for communication between the software and the MAX14918 on the EV kit. The MAX14918 EV kit also has a Pmod™-compatible connector for SPI communication with an external host device such as an MCU or FPGA.

The MAX14918 EV kit includes a graphic user interface (GUI) that provides communication between the target device and the PC. The GUI allows individual control of each output channel and reading of each channel status through SPI.

The EV kit features galvanic isolation for both power and SPI and provides the option to power the MAX14918 from an isolated +5V generated from the USB supply. The EV kit also features reverse-current protection to prevent damage caused by miswiring faults at output and COM return terminals. The EV kit comes with two MAX14918ATG+ devices in the 4mm x 5mm 24-pin TQFN package, installed as U1 and U2.

The EV kit can operate in multiple modes, as shown in the MAX14918 EV Kit Block Diagram:

  • USB Daisy-Chain Mode (Default Mode): U1 and U2 are connected in the SPI daisy-chain mode, and both devices receive SPI commands through the onboard USB-to-SPI interface from the Analog Devices-supplied EV kit software.
  • USB Single-Device Mode (U1 Only): U1 is connected in the SPI independent mode. U2 is disconnected from the SPI and unpowered. U1 receives SPI commands through the onboard USB-to-SPI interface from the Analog Devices-supplied EV kit software.
  • Pmod Mode: Both U1 and U2 SPI signals are disconnected from the onboard USB-to-SPI interface and are connected to the onboard Pmod connector. This industry standard connector interfaces with popular MCU or FPGA platforms. A user is required to generate firmware to provide the SPI commands.

MAX14918EVKIT
Evaluation Kit for MAX14918
MAX14918EVKIT Board Photo Angle View MAX14918EVKIT Board Photo Top View MAX14918EVKIT Board Photo Bottom View

Latest Discussions

Recently Viewed