MAX14811

Dual, Unipolar/Bipolar, High-Voltage Digital Pulsers with Fault Condition Management

Highly Integrated, Dual Digital Pulser Implements Active Clamping Technology to Improve Pulse Quality

Viewing:

Overview

  • Fault Condition Management
  • Highly Integrated, High-Voltage, High-Frequency Unipolar/Bipolar Pulser
  • 9Ω Output Impedance and 2.0A (typ) Output Current
  • 27Ω Active Clamp
  • Pulser and Clamp Overvoltage Protection
  • 0 to +220V Unipolar or ±110V Bipolar Outputs
  • Matched Rise/Fall Times and Matched Propagation Delays
  • CMOS-Compatible Logic Inputs
  • 7mm x 7mm, 56-Pin TQFN Package

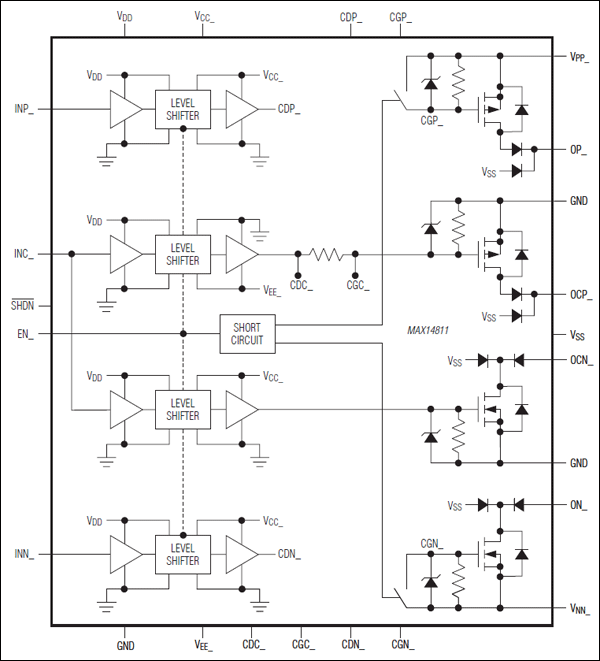
The MAX14811 integrated circuit generates high-voltage, high-frequency unipolar or bipolar pulses from low-voltage logic inputs. The dual pulser features independent logic inputs, independent high-voltage pulser outputs with active clamps, and independent high-voltage supply inputs.

The device features fault condition management to protect the outputs. The outputs enter three-state if both INP_ and INN_ are logic-high. The device has a 9Ω output impedance for the high-voltage outputs and a 27Ω impedance for the active clamp. The high-voltage outputs are guaranteed to provide 2.0A (typ) output current. All the pulser outputs and clamp outputs have overvoltage protection.

The device uses three logic inputs per channel to control the positive and negative pulses and active clamp. Also included are two independent enable inputs. Disabling EN_ ensures the output MOSFETs are not accidentally turned on during fast power-supply ramping. This allows for faster ramp times and shorter delays between pulsing modes. A low-power shutdown mode reduces power consumption to less than 1µA. All digital inputs are CMOS compatible.

The device is available in a 7mm x 7mm, 56-pin TQFN exposed-pad package and is specified over the 0°C to +70°C commercial temperature range.

Applications

  • Cleaning Equipment
  • Industrial Imaging/Flaw Detection
  • Piezoelectric Drivers
  • Test Equipment
  • Ultrasound Medical Imaging

MAX14811
Dual, Unipolar/Bipolar, High-Voltage Digital Pulsers with Fault Condition Management
MAX14811: Functional Diagram
Add to myAnalog

Add product to the Products section of myAnalog (to receive notifications), to an existing project or to a new project.

Create New Project
Ask a Question

Documentation

Learn More
Add to myAnalog

Add media to the Resources section of myAnalog, to an existing project or to a new project.

Create New Project

Software Resources

Can't find the software or driver you need?

Request a Driver/Software

Hardware Ecosystem

Parts Product Life Cycle Description
MOSFET & Gate Drivers 2
MAX4940 PRODUCTION Dual/Quad, Unipolar/Bipolar, High-Voltage Digital Pulsers
MAX4811 PRODUCTION Dual, Unipolar/Bipolar, High-Voltage Digital Pulsers
Modal heading
Add to myAnalog

Add product to the Products section of myAnalog (to receive notifications), to an existing project or to a new project.

Create New Project

Latest Discussions

No discussions on MAX14811 yet. Have something to say?

Start a Discussion on EngineerZone®

Recently Viewed