MAX14721

PRODUCTION

High-Accuracy, Adjustable Power Limiters

Industry's First Dynamic Power Limiters with Thermal Controlled Current Foldback

Viewing:

Overview

  • Robust, High-Power Protection Reduces System Downtime
    • Wide Input Supply Range: +5.5V to +60V
    • Programmable Input Supply Overvoltage Setting Up to 40V
    • Thermal Foldback Current-Limit Protection
    • Negative Input Tolerance to -60V (for -60V External pFET Rating)
    • Low 76mΩ (typ) RON
    • Reverse Current-Blocking Protection with External pFET
  • Enables Safer Startup By Preventing Overheating of FETs
    • Dual-Stage Current Limiting
    • 1.0x Startup Current (MAX14721)
    • 1.5x Startup Current (MAX14722)
    • 2.0x Startup Current (MAX14723)
  • Flexible Design Enables Reuse and Less Requalification
    • Adjustable OVLO and UVLO Thresholds
    • Programmable Forward Current Limit From 0.2A to 2A with ±15% Accuracy Over Full Temperature Range
    • Normal and High-Voltage Enable Inputs (EN and Active-Low HVEN)
    • Protected External pFET Gate Drive
  • Saves Board Space and Reduces External BOM Count
    • 20-Pin, 5mm x 5mm TQFN Package
    • Integrated nFET

The MAX14721–MAX14723 adjustable overvoltage, undervoltage, and overcurrent protection devices guard systems against overcurrent faults in addition to positive overvoltage and reverse-voltage faults. When used with an optional external p-channel MOSFET, the devices also protect downstream circuitry from voltage faults up to +60V, -60V (for -60V external pFET rating). The devices feature a low, 76mΩ, on-resistance integrated FET.

During startup, the devices are designed to charge large capacitances on the output in a continuous mode for applications where large reservoir capacitors are used on the inputs to downstream devices. Additionally, the MAX14721–MAX14723 feature a dual-stage, current-limit mode in which the current is continuously limited to 1x, 1.5x, and 2x the programmed limit, respectively, for a short time after startup. This enables faster charging of large loads during startup.

The MAX14721–MAX14723 also feature reverse-current and overtemperature protection. The devices are available in a 20-pin (5mm x 5mm) TQFN package and operate over a -40°C to 125°C temperature range.

Applications

  • Control and Automation
  • High-Power Applications
  • Human Machine Interfaces
  • Industrial Power Systems
  • Motion System Drives

MAX14721
High-Accuracy, Adjustable Power Limiters
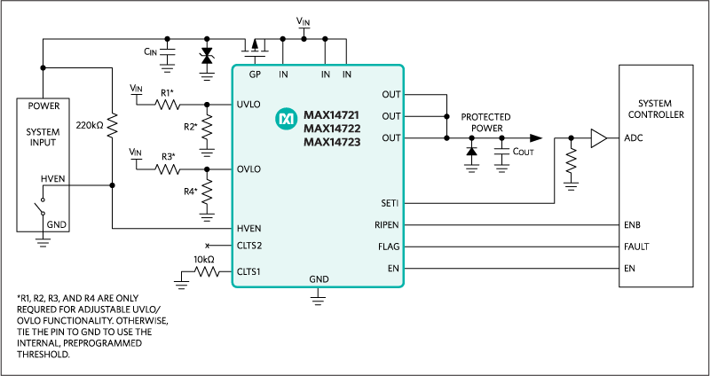
MAX14721, MAX14722, MAX14723: Typical Application Circuit
Add to myAnalog

Add product to the Products section of myAnalog (to receive notifications), to an existing project or to a new project.

Create New Project
Ask a Question

Documentation

Learn More
Add to myAnalog

Add media to the Resources section of myAnalog, to an existing project or to a new project.

Create New Project

Software Resources

Can't find the software or driver you need?

Request a Driver/Software

Evaluation Kits

MAX14721EVKIT

Evaluation Kit for the MAX14721/MAX14722 and MAX14723

Features and Benefits

  • 5.5V to 58V Operating Voltage Range
  • External pMOSFET Installed
  • Proven PCB Layout
  • Fully Assembled and Tested

Product Details

The MAX14721 evaluation kit (EV kit) is a fully assembled and tested circuit board that demonstrates the MAX14721 overvoltage, undervoltage, and overcurrent-protection device. The EV kit features an external pMOSFET and LED input/output reading. The EV kit comes with the MAX14721ATP+ installed, but can also be used to evaluate the pin-compatible MAX14722 and MAX14723 devices with IC replacement of U1. Request samples from Maxim when ordering the EV kit.

Applications

  • Control and Automation
  • High-Power Applications
  • Human Machine Interfaces
  • Industrial Power Systems
  • Motion System Drives

MAX14721EVKIT
Evaluation Kit for the MAX14721/MAX14722 and MAX14723

Latest Discussions

No discussions on MAX14721 yet. Have something to say?

Start a Discussion on EngineerZone®

Recently Viewed