MAX1409

Obsolete

Low-Power, 16-Bit Multichannel DAS with Internal Reference, 10-Bit DACs, and RTC

Viewing:

Overview

  • +2.7V to +3.6V Supply Voltage Range in Standby, Idle, and Run Mode (Down to 1.8V in Sleep Mode)
  • 1.15mA Run Mode Supply Current
  • 2.5µA Sleep Mode Supply Current (Wake-Up, RTC, and Voltage Monitor Active)
  • Multichannel 16-Bit Sigma-Delta ADC
    • ±1.5 LSB (typ) Integral Nonlinearity
    • 30Hz or 60Hz Continuous Conversion Rate
    • Buffered or Unbuffered Mode
    • Gain of +1/3, +1, or +2V/V
    • Unipolar or Bipolar Mode
    • On-Chip Offset Calibration
  • 10-Bit Force/Sense DACs
  • Buffered 1.25V, 18ppm/°C (typ) Bandgap Reference Output
  • SPI™/QSPI™ or MICROWIRE™-Compatible Serial Interface
  • System Support Functions
    • RTC (Valid til 9999) and Alarm
    • High-Frequency PLL Clock Output (2.4576MHz)
    • +1.8V and +2.7V Active-Low RESET and Power-Supply Voltage Monitors
    • Signal Detect Comparator
    • Interrupt Generator (Active-Low INT and Active-Low DRDY)
    • Three-State Digital Output
    • Wake-Up Circuitry
  • 28-Pin SSOP (MAX1407/MAX1408/MAX1414), 20-Pin SSOP (MAX1409)

The MAX1407/MAX1408/MAX1409/MAX1414 are low-power, general-purpose, multichannel data-acquisition systems (DAS). These devices are optimized for low-power applications. All the devices operate from a single +2.7V to +3.6V power supply and consume a maximum of 1.15mA in Run mode and only 2.5µA in Sleep mode.

The MAX1407/MAX1408/MAX1414 feature a differential 8:1 input multiplexer to the ADC, a programmable three-state digital output, an output to shutdown an external power supply, and a data ready output from the ADC. The MAX1408 has eight auxiliary analog inputs, while the MAX1407/MAX1414 include four auxiliary analog inputs and two 10-bit force/sense DACs. The MAX1414 features a 50mV trip threshold for the signal-detect comparator while the others have a 0mV trip threshold. The MAX1409 is a 20-pin version of the DAS family with a differential 4:1 input multiplexer to the ADC, one auxiliary analog input, and one 10-bit force/sense DAC.

The MAX1407/MAX1408/MAX1414 are available in space-saving 28-pin SSOP packages, while the MAX1409 is available in a 20-pin SSOP package.

Applications

  • Automated Test Equipment (ATE)
  • Data Acquisition
  • Industrial Control Systems
  • Medical Instruments
  • Portable Equipment
  • Robotics

MAX1409
Low-Power, 16-Bit Multichannel DAS with Internal Reference, 10-Bit DACs, and RTC
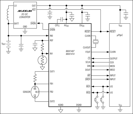
MAX1407, MAX1408, MAX1409, MAX1414: Typical Operating Circuit
Add to myAnalog

Add product to the Products section of myAnalog (to receive notifications), to an existing project or to a new project.

Create New Project
Ask a Question

Documentation

Learn More
Add to myAnalog

Add media to the Resources section of myAnalog, to an existing project or to a new project.

Create New Project

Hardware Ecosystem

Parts Product Life Cycle Description
ADC/DAC Combo Converters 2
MAX1358B PRODUCTION 16-Bit, Data-Acquisition System with ADC, DACs, UPIOs, RTC, Voltage Monitors, and Temp Sensor
MAX1359B Obsolete 16-Bit, Data-Acquisition System with ADC, DAC, UPIOs, RTC, Voltage Monitors, and Temp Sensor
Analog to Digital Converters (ADCs) 4
MX7705 PRODUCTION 16-Bit, Low-Power, 2-Channel, Sigma-Delta ADC
MAX1415 PRODUCTION 16-Bit, Low-Power, 2-Channel, Sigma-Delta ADCs
MAX11213 PRODUCTION 16-Bit, Single-Channel, Ultra-Low Power, Delta-Sigma ADC with Programmable Gain and GPIO
MAX11205 PRODUCTION 16-Bit, Single-Channel, Ultra-Low Power, Delta-Sigma ADC with 2-Wire Serial Interface
Modal heading
Add to myAnalog

Add product to the Products section of myAnalog (to receive notifications), to an existing project or to a new project.

Create New Project

Evaluation Kits

MAX1407EVSYS

Evaluation Kit for the MAX1407, MAX1408, MAX1409, and MAX1414

Features and Benefits

  • Proven PC Board Layout
  • Complete Evaluation System
  • Convenient Test Points
  • Through-Hole Prototyping Area
  • Data-Logging Software
  • Built-In Scripting Language
  • Fully Assembled and Tested

Product Details

The MAX1407 evaluation system (EV system) is a complete, multichannel, data-acquisition system (DAS) consisting of a MAX1407 evaluation kit (EV kit) and a Maxim 80C32MODULE-DIP microcontroller (µC) module. The MAX1407 is a low-power, multichannel, general-purpose DAS with a bidirectional serial interface, and several built-in system support functions. Windows® 95/98/2000/NT4.0/XP/ME-compatible software provides a handy user interface to exercise the MAX1407's features. User interface C++ source code and Intel 8051 assembly language code for the lower-level functions is provided for user convenience and expansion. A powerful scripting language is incorporated into the software, enabling quick and flexible experimentation without C, C++, or assembly language tools.

Order the complete EV system (MAX1407EVSYS) for comprehensive evaluation of the MAX1407 using a personal computer. Order the EV kit (MAX1407EVKIT) if the 80C32MODULE-DIP module has already been purchased with a previous Maxim EV system, or for custom use in other µC-based systems.

Applications

  • Automated Test Equipment (ATE)
  • Data Acquisition
  • Industrial Control Systems
  • Medical Instruments
  • Portable Equipment
  • Robotics

MAX1407EVKIT

Evaluation Kit for the MAX1407, MAX1408, MAX1409, and MAX1414

Features and Benefits

  • Proven PC Board Layout
  • Complete Evaluation System
  • Convenient Test Points
  • Through-Hole Prototyping Area
  • Data-Logging Software
  • Built-In Scripting Language
  • Fully Assembled and Tested

Product Details

The MAX1407 evaluation system (EV system) is a complete, multichannel, data-acquisition system (DAS) consisting of a MAX1407 evaluation kit (EV kit) and a Maxim 80C32MODULE-DIP microcontroller (µC) module. The MAX1407 is a low-power, multichannel, general-purpose DAS with a bidirectional serial interface, and several built-in system support functions. Windows® 95/98/2000/NT4.0/XP/ME-compatible software provides a handy user interface to exercise the MAX1407's features. User interface C++ source code and Intel 8051 assembly language code for the lower-level functions is provided for user convenience and expansion. A powerful scripting language is incorporated into the software, enabling quick and flexible experimentation without C, C++, or assembly language tools.

Order the complete EV system (MAX1407EVSYS) for comprehensive evaluation of the MAX1407 using a personal computer. Order the EV kit (MAX1407EVKIT) if the 80C32MODULE-DIP module has already been purchased with a previous Maxim EV system, or for custom use in other µC-based systems.

Applications

  • Automated Test Equipment (ATE)
  • Data Acquisition
  • Industrial Control Systems
  • Medical Instruments
  • Portable Equipment
  • Robotics

80C32MODULE

Evaluation Kit for the MAX1407, MAX1408, MAX1409, and MAX1414

Features and Benefits

  • Proven PC Board Layout
  • Complete Evaluation System
  • Convenient Test Points
  • Through-Hole Prototyping Area
  • Data-Logging Software
  • Built-In Scripting Language
  • Fully Assembled and Tested

Product Details

The MAX1407 evaluation system (EV system) is a complete, multichannel, data-acquisition system (DAS) consisting of a MAX1407 evaluation kit (EV kit) and a Maxim 80C32MODULE-DIP microcontroller (µC) module. The MAX1407 is a low-power, multichannel, general-purpose DAS with a bidirectional serial interface, and several built-in system support functions. Windows® 95/98/2000/NT4.0/XP/ME-compatible software provides a handy user interface to exercise the MAX1407's features. User interface C++ source code and Intel 8051 assembly language code for the lower-level functions is provided for user convenience and expansion. A powerful scripting language is incorporated into the software, enabling quick and flexible experimentation without C, C++, or assembly language tools.

Order the complete EV system (MAX1407EVSYS) for comprehensive evaluation of the MAX1407 using a personal computer. Order the EV kit (MAX1407EVKIT) if the 80C32MODULE-DIP module has already been purchased with a previous Maxim EV system, or for custom use in other µC-based systems.

Applications

  • Automated Test Equipment (ATE)
  • Data Acquisition
  • Industrial Control Systems
  • Medical Instruments
  • Portable Equipment
  • Robotics

MAX1407EVSYS
Evaluation Kit for the MAX1407, MAX1408, MAX1409, and MAX1414
MAX1407EVKIT
Evaluation Kit for the MAX1407, MAX1408, MAX1409, and MAX1414
80C32MODULE
Evaluation Kit for the MAX1407, MAX1408, MAX1409, and MAX1414

Latest Discussions

No discussions on MAX1409 yet. Have something to say?

Start a Discussion on EngineerZone®

Recently Viewed