MAX1043

Obsolete

10-Bit, Multichannel ADCs/DACs with FIFO, Temperature Sensing, and GPIO Ports

Viewing:

Overview

  • 10-Bit, 225ksps ADC
    • Analog Multiplexer with True-Differential Track/Hold (T/H)
    • Eight Single-Ended Channels or Four Differential Channels (Unipolar or Bipolar)
    • Excellent Accuracy: ±0.5 LSB INL, ±0.5 LSB DNL, No Missing Codes Over Temperature
  • 10-Bit, Octal, 2µs Settling DAC (MAX1021)
    • Ultra-Low-Glitch Energy (4nV•s)
    • Power-Up Options from Zero Scale or Full Scale
    • Excellent Accuracy: ±0.5 LSB INL
  • Internal Reference or External Single-Ended/Differential Reference
    • Internal Reference Voltage (2.5V)
  • Internal ±1°C Accurate Temperature Sensor
  • On-Chip FIFO Capable of Storing 16 ADC Conversion Results and One Temperature Result
  • On-Chip Channel-Scan Mode and Internal Data-Averaging Features
  • Analog Single-Supply Operation
    • +2.7V to +5.25V
  • Digital Supply: +2.7V to AVDD
  • 25MHz, SPI/QSPI/MICROWIRE Serial Interface
  • AutoShutdown Between Conversions
  • Low-Power ADC
    • 2.5mA at 225ksps
    • 22µA at 1ksps
    • 0.2µA at Shutdown
  • Low-Power DAC: 1.5mA
  • Evaluation Kit Available (Order MAX1258EVKIT)

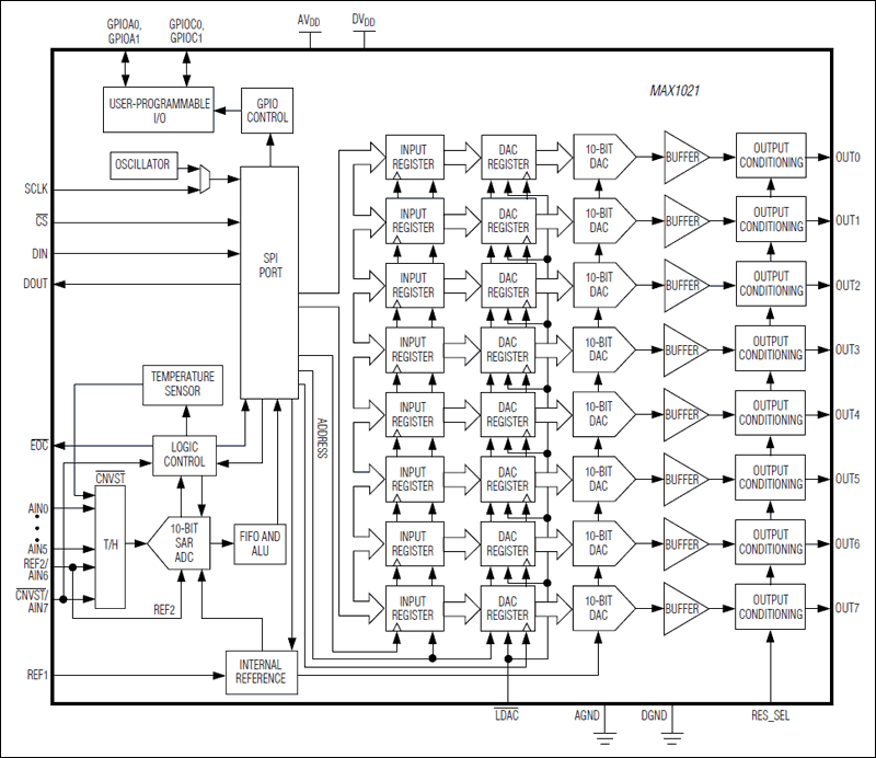
The MAX1021/MAX1043 integrate a multichannel, 10-bit, analog-to-digital converter (ADC) and a 10-bit, digital-to-analog converter (DAC) in a single IC. The devices also include a temperature sensor and configurable general-purpose I/O ports (GPIOs) with a 25MHz SPI™-/QSPI™-/MICROWIRE™-compatible serial interface. The ADC is available in an eight input-channel version. The DAC outputs settle within 2.0µs, and the ADC has a 225ksps conversion rate.

All devices include an internal reference (2.5V) to provide a well-regulated, low-noise reference for both the ADC and DAC. Programmable reference modes for the ADC and DAC allow the use of an internal reference, an external reference, or a combination of both. Features such as an internal ±1°C accurate temperature sensor, FIFO, scan modes, programmable internal or external clock modes, data averaging, and AutoShutdown™ allow users to minimize both power consumption and processor requirements. The low glitch energy (4nV•s) and low digital feedthrough (0.5nV•s) of the integrated DACs make these devices ideal for digital control of fast-response closed-loop systems.

The devices are guaranteed to operate with a supply voltage from +2.7V to +5.25V. They consume 2.5mA at 225ksps throughput, only 22µA at 1ksps throughput, and under 0.2µA in the shutdown mode. The MAX1021/MAX1043 offer four GPIOs that can be configured as inputs or outputs.

The MAX1021/MAX1043 are available in 36-pin thin QFN packages. These devices are specified over the -40°C to +85°C temperature range.

Applications

  • Closed-Loop Controls for Optical Components and Base Stations
  • Data Acquisition Systems
  • System Supervision and Control

MAX1043
10-Bit, Multichannel ADCs/DACs with FIFO, Temperature Sensing, and GPIO Ports
MAX1021, MAX1043: Functional Diagram
Add to myAnalog

Add product to the Products section of myAnalog (to receive notifications), to an existing project or to a new project.

Create New Project
Ask a Question

Documentation

Learn More
Add to myAnalog

Add media to the Resources section of myAnalog, to an existing project or to a new project.

Create New Project

Hardware Ecosystem

Parts Product Life Cycle Description
ADC/DAC Combo Converters 1
MAX1040 Obsolete 10-Bit, Multichannel ADCs/DACs with FIFO, Temperature Sensing, and GPIO Ports
Analog to Digital Converters (ADCs) 2
MAX148 PRODUCTION +2.7V to +5.25V Low-Power 8-Channel Serial 10-Bit ADCs
MAX11621 PRODUCTION 10-Bit, 300ksps ADCs with FIFO and Internal Reference
Modal heading
Add to myAnalog

Add product to the Products section of myAnalog (to receive notifications), to an existing project or to a new project.

Create New Project

Latest Discussions

No discussions on MAX1043 yet. Have something to say?

Start a Discussion on EngineerZone®

Recently Viewed