LTC4255

LAST TIME BUY

Quad Network Power Controller with I²C Compatible Interface

Viewing:

Overview

  • Controls Four Independent –48V Power Channels
  • Each Channel has Separate Relay Drivers, ON/OFF Control, Short-Circuit Protection with Current Foldback, Open-Circuit Detection, and Power Good Indication
  • Programmed via I2C Compatible Interface
  • Five Bit Programmable Digital Address Allows Control of up to 32 LTC4255s (128 Channels)
  • Interrupt on FAULT Output can be used to Eliminate Software Polling
  • Programmable Current Limit and Open-Circuit Duration Periods
  • Programmable Latchoff or Autoretry after Short-Circuit Faults
  • Programmable Autoretry Duty Cycle

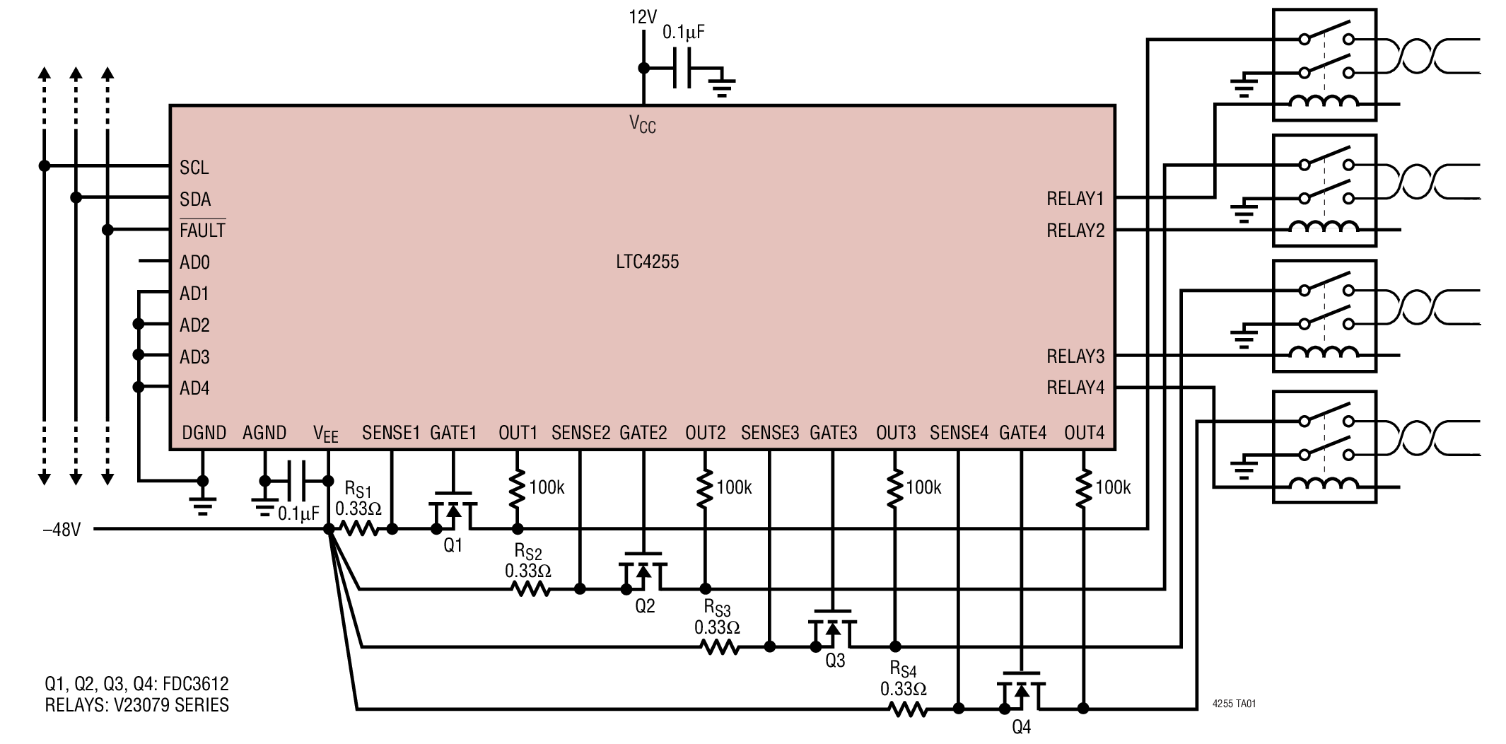
The LTC4255 is a quad –48V network power controller with independent relay drivers and I²C compatible interface. Each channel can be turned on and off via software control, while providing short-circuit protection, open-circuit detection, and power good indication. The short-circuit protection includes a current foldback feature to reduce power dissipation in the switch during shorts and start-up.

The serial interface allows up to 128 channels to be controlled with only two digital lines. A FAULT output can be used as an interrupt line to eliminate fault detection by software polling.

External switches and current sense resistors allow easy scaling of current and power dissipation levels and provide the maximum protection against voltage and current spikes.

The LTC4255 is available in the 28-pin SSOP package.

Applications

  • IP Phone Systems
  • DTE Power Distribution

LTC4255
Quad Network Power Controller with I²C Compatible Interface
Product Package 1
Add to myAnalog

Add product to the Products section of myAnalog (to receive notifications), to an existing project or to a new project.

Create New Project
Ask a Question

Documentation

Data Sheet

This is the most up-to-date revision of the Data Sheet.

Learn More
Add to myAnalog

Add media to the Resources section of myAnalog, to an existing project or to a new project.

Create New Project

Software Resources

Can't find the software or driver you need?

Request a Driver/Software

Latest Discussions

No discussions on LTC4255 yet. Have something to say?

Start a Discussion on EngineerZone®

Recently Viewed