LTC3788

PRODUCTION

2-Phase, Dual Output Synchronous Boost Controller

Viewing:

Overview

  • Synchronous Operation for Highest Efficiency and Reduced Heat Dissipation
  • Wide Input Range: 4.5V to 38V (40V Abs Max) and Operates Down to 2.5V After Start-Up
  • Output Voltages Up to 60V
  • ±1% 1.2V Reference Voltage
  • RSENSE or Inductor DCR Current Sensing
  • 100% Duty Cycle Capability for Synchronous MOSFET
  • Low Quiescent Current: 125μA
  • Phase-Lockable Frequency (75kHz to 850kHz)
  • Programmable Fixed Frequency (50kHz to 900kHz)
  • Selectable Current Limit
  • Adjustable Output Voltage Soft-Start
  • Power Good Output Voltage Monitors
  • Low Shutdown Current IQ: <8μA
  • Internal LDO Powers Gate Drive from VBIAS or EXTVCC
  • Thermally Enhanced Low Profile 32-Pin 5mm × 5mm QFN Package

The LTC3788 is a high performance 2-phase dual synchronous boost converter controller that drives all N-channel power MOSFETs. Synchronous rectification increases efficiency, reduces power losses and eases thermal requirements, allowing the LTC3788 to be used in high power boost applications.

A constant-frequency current mode architecture allows a phase-lockable frequency of up to 850kHz. OPTI-LOOP® compensation allows the transient response to be optimized over a wide range of output capacitance and ESR values. The LTC3788 features a precision 1.2V reference and dual power good output indicators. A 4.5V to 38V input supply range encompasses a wide range of system architectures and battery chemistries.

Independent SS pins for each controller ramp the output voltages during start-up. The PLLIN/MODE pin selects among Burst Mode® operation, pulse-skipping mode or continuous inductor current mode at light loads.

For a leaded 28-lead SSOP package with a fixed current limit and one PGOOD output, without phase modulation or a clock output, see the LTC3788-1 data sheet.

CLKOUT/PHASMD Adjustable Current Sense Power Good Package
LTC3788 Yes Yes 2 5 × 5 QFN-32
LTC3788-1 No No 1 SSOP-28


Applications

  • Industrial
  • Automotive
  • Medical
  • Military

LTC3788
2-Phase, Dual Output Synchronous Boost Controller
Efficiency and Power Loss vs Output Current Product Package 1
Add to myAnalog

Add product to the Products section of myAnalog (to receive notifications), to an existing project or to a new project.

Create New Project
Ask a Question

Documentation

Data Sheet

This is the most up-to-date revision of the Data Sheet.

Learn More
Add to myAnalog

Add media to the Resources section of myAnalog, to an existing project or to a new project.

Create New Project

Software Resources

Can't find the software or driver you need?

Request a Driver/Software

Tools & Simulations

LTspice 1


Models for the following parts are available in LTspice:

  • LTC3788
  • LTC3788-1

LTpowerCAD 1


Design tools for the following parts are available in LTpowerCAD:

  • LTC3788
LTspice

LTspice® is a powerful, fast and free simulation software, schematic capture and waveform viewer with enhancements and models for improving the simulation of analog circuits.

LTpowerCAD

LTpowerCAD® is a power supply design program which selects power stage components, provides detailed power efficiency, shows quick loop Bode plot stability and load transient analysis, and can export to LTspice for simulation.


Evaluation Kits

eval board
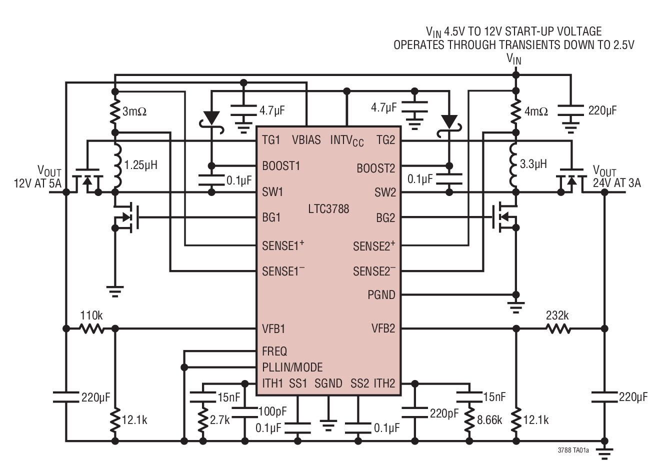
DC1409A

LTC3788EUH Demo Board | 2-Phase, Dual Output, 5V to 24VIN, VOUT = 12V @ 10A and 24V @ 5A

Product Details

Demonstration circuit DC1409 is DC/DC boost converter featuring the LTC3788 constant frequency current mode boost controller. The DC1409A operates over 5V to 24V input and provides 8A to 10A of output current at 12V output. Also, the DC1409A provides a second 24V output capable of delivering 3A to 5A. The 300kHz constant frequency operation results in small and efficient circuit. The converter provides high output voltage accuracy (typically ±3%) over wide load range with no minimum load requirement. The demonstration circuit can be easily modified to generate different output voltages. Also, the two outputs can be connected together to generate single output with two phase operation.



DC1409A
LTC3788EUH Demo Board | 2-Phase, Dual Output, 5V to 24VIN, VOUT = 12V @ 10A and 24V @ 5A
DC1409A - Schematic

Latest Discussions

No discussions on LTC3788 yet. Have something to say?

Start a Discussion on EngineerZone®

Recently Viewed