LTC3230

PRODUCTION

5-LED Main/Sub Display Driver with Dual LDO

Viewing:

Overview

  • Low Noise Charge Pump Provides High Efficiency with Automatic Mode Switching
  • Multimode Operation: 1x, 1.5x, 2x
  • Full-Scale Current Set Resistor
  • Up to 125mA Total LED Current
  • Single Wire Enable/Brightness Control for Main and Sub Display LEDs
  • 32:1 Linear LED Brightness Control
  • Dual 200mA Linear Regulators
  • Four 25mA Low Dropout Main LED Current Sources
  • One 25mA Low Dropout Sub LED Current Source
  • Low Noise Constant Frequency Operation
  • Low Shutdown Current: 3µA
  • Internal Soft-Start Limits Inrush Current During Start-Up and Mode Switching
  • Open/Short LED Protection
  • No Inductors
  • 20-Lead 3mm x 3mm QFN Package

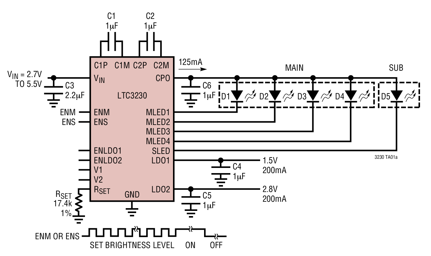
The LTC3230 is a low noise charge pump DC/DC converter designed to drive 4 Main LEDs and 1 Sub LED, plus two 200mA linear regulators to provide additional system power. The LTC3230 charge pump requires only four small ceramic capacitors and one current set resistor to form a complete LED power supply and current controller.

Built-in soft-start circuitry prevents excessive inrush cur- rent during start-up and mode changes. High switching frequency enables the use of small external capacitors. Main and Sub full-scale current settings are programmed by a single external resistor.

Charge pump efficiency is optimized based on the voltage across the LED current sources. The part powers up in 1x mode and automatically switches to the next higher mode, 1.5x and subsequently 2x, whenever any LED current source approaches dropout.

Two 200mA linear regulators have independent enable and output voltage select pins. Each regulator can be set to one of three pre-selected output voltages with tri-level input pins. The regulators may be enabled independently of the charge pump.

The LTC3230 is available in a low profile (0.75mm) 3mm x 3mm 20-lead QFN package.

Applications

  • Multi-LED Driver and Dual LDO Supplies for Cell Phone, PDA, Digital Camera and PND Applications

 

LTC3230
5-LED Main/Sub Display Driver with Dual LDO
Efficiency vs VIN Voltage Product Package 1
Add to myAnalog

Add product to the Products section of myAnalog (to receive notifications), to an existing project or to a new project.

Create New Project
Ask a Question

Documentation

Data Sheet

This is the most up-to-date revision of the Data Sheet.

Learn More
Add to myAnalog

Add media to the Resources section of myAnalog, to an existing project or to a new project.

Create New Project

Software Resources

Can't find the software or driver you need?

Request a Driver/Software

Hardware Ecosystem

Parts Product Life Cycle Description
Analog to Digital Converters (ADCs) 1
LTC2991 RECOMMENDED FOR NEW DESIGNS Octal I2C Voltage, Current, and Temperature Monitor
Level Translators & Buffers 1
LTC4311 PRODUCTION Low Voltage I2C/SMBus Accelerator
Modal heading
Add to myAnalog

Add product to the Products section of myAnalog (to receive notifications), to an existing project or to a new project.

Create New Project

Tools & Simulations

LTspice


Models for the following parts are available in LTspice:

  • LTC3230
LTspice

LTspice® is a powerful, fast and free simulation software, schematic capture and waveform viewer with enhancements and models for improving the simulation of analog circuits.


Evaluation Kits

eval board
DC1217A

LTC3230EUD | 5-LED Main/Aux Drv + Dual LDO in 3x3 QFN

Product Details

DC1217A: Demo Board for the LTC3230 5-LED Main/Sub Display Driver with Dual LDO


 


DC1217A
LTC3230EUD | 5-LED Main/Aux Drv + Dual LDO in 3x3 QFN
DC1217A - Schematic

Latest Discussions

No discussions on LTC3230 yet. Have something to say?

Start a Discussion on EngineerZone®

Recently Viewed