LTC3118

RECOMMENDED FOR NEW DESIGNS

18V, 2A Buck-Boost DC/DC Converter with Low-Loss Dual Input PowerPath

Viewing:

Overview

  • Integrated High Efficiency Dual Input PowerPath Plus Buck-Boost DC/DC Converter
  • Ideal Diode or Priority VIN Select Modes
  • VIN1 and VIN2 Range: 2.2V to 18V
  • VOUT Range: 2V to 18V
  • Either VIN Can Be Above, Below or Equal to VOUT
  • Generates 5V at 2A for VIN > 6V
  • 1.2MHz Low Noise Fixed Frequency Operation
  • Current Mode Control
  • All Internal N-Channel MOSFETs
  • Pin-Selectable PWM or Burst Mode® Operation
  • Accurate, Independent RUN Pin Thresholds
  • Up to 94% Efficiency
  • VIN and VOUT Power Good Indicators
  • IQ of 50μA in Sleep, 2μA in Shutdown
  • 4mm × 5mm 24-Lead QFN or 28-Lead TSSOP Packages

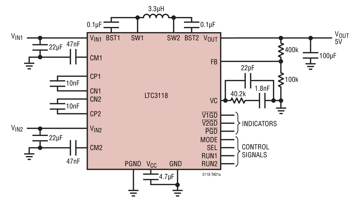
The LTC3118 is a dual-input, wide voltage range synchronous buck-boost DC/DC converter with an intelligent, integrated, low loss PowerPath control. The unique power switch architecture provides efficient operation from either input source to a programmable output voltage above, below or equal to the input. Voltage capability of up to 18V provides flexibility and voltage margin for a wide variety of applications and power sources.

The LTC3118 uses a low noise, current mode architecture with a fixed 1.2MHz PWM mode frequency that minimizes the solution footprint. For high efficiency at light loads, automatic Burst Mode operation can be selected consuming only 50μA of quiescent current in sleep.

System level features include ideal diode or VIN priority modes, VIN and VOUT power good indicators, accurate RUN comparators to program independent UVLO thresholds, and output disconnect in shutdown. Other features include 2μA shutdown current, short-circuit protection, soft-start, current limit and thermal overload protection.

The LTC3118 is offered in thermally enhanced 24-lead 4mm × 5mm QFN and 28-lead TSSOP packages.

Applications

  • Systems with Multiple Input Sources
  • Back Up Power Systems
  • Wall Adapter or Li-Ion(s) Input to 5VOUT
  • Battery or Super Capacitor Input for Reserve Power
  • Replace Diode-OR Designs with Higher Efficiency, Flexibility and Performance

LTC3118
18V, 2A Buck-Boost DC/DC Converter with Low-Loss Dual Input PowerPath
Input Switchover Response Product Package 1 Product Package 2
Add to myAnalog

Add product to the Products section of myAnalog (to receive notifications), to an existing project or to a new project.

Create New Project
Ask a Question

Documentation

Data Sheet

This is the most up-to-date revision of the Data Sheet.

Learn More
Add to myAnalog

Add media to the Resources section of myAnalog, to an existing project or to a new project.

Create New Project

Software Resources

Can't find the software or driver you need?

Request a Driver/Software

Hardware Ecosystem

Parts Product Life Cycle Description
Protection Switches & Controllers 2
LTC4417 RECOMMENDED FOR NEW DESIGNS Prioritized PowerPath Controller
LTC4419 RECOMMENDED FOR NEW DESIGNS 18V Dual Input Micropower PowerPath Prioritizer
Modal heading
Add to myAnalog

Add product to the Products section of myAnalog (to receive notifications), to an existing project or to a new project.

Create New Project

Tools & Simulations

LTspice


Models for the following parts are available in LTspice:

  • LTC3118

LTpowerCAD 1


Design tools for the following parts are available in LTpowerCAD:

  • LTC3118
LTspice

LTspice® is a powerful, fast and free simulation software, schematic capture and waveform viewer with enhancements and models for improving the simulation of analog circuits.

LTpowerCAD

LTpowerCAD® is a power supply design program which selects power stage components, provides detailed power efficiency, shows quick loop Bode plot stability and load transient analysis, and can export to LTspice for simulation.


Evaluation Kits

eval board
DC2045A

LTC3118EUFD Demo Board | Dual Input Buck-Boost, 2.5V ≤ VIN ≤ 18V, VOUT = 5V @ up to 2A

Product Details

Demonstration Circuit 2045A featuring the LTC3118 is a dual input fixed frequency synchronous buck-boost converter with an intelligent integrated low-loss Power-Path™. The unique all N-Channel architecture provides efficient operation from either input source to a programmable output voltage above, below or equal to the input. Voltage capability of up to 18V provides flexibility and voltage margin for a variety of applications and power sources.

DC2045A
LTC3118EUFD Demo Board | Dual Input Buck-Boost, 2.5V ≤ VIN ≤ 18V, VOUT = 5V @ up to 2A
DC2045A - Schematic

Latest Discussions

Recently Viewed