LTC2450-1

PRODUCTION

Easy-to-Use, Ultra-Tiny 16-Bit ΔΣ ADC

Viewing:

Overview

  • GND to VCC Single-Ended Input Range
  • 60 Conversions Per Second
  • 0.02LSB RMS Noise
  • 16-Bits, No Missing Codes
  • 0.5mV Offset Error
  • 4LSB Full-Scale Error
  • Single Conversion Settling Time for Multiplexed Applications
  • Single Cycle Operation with Auto Shutdown
  • 350µA Supply Current
  • 50nA Sleep Current
  • Internal Oscillator—No External Components Required
  • Single Supply, 2.7V to 5.5V Operation
  • SPI Interface
  • Ultra-Tiny, 2mm x 2mm DFN Package

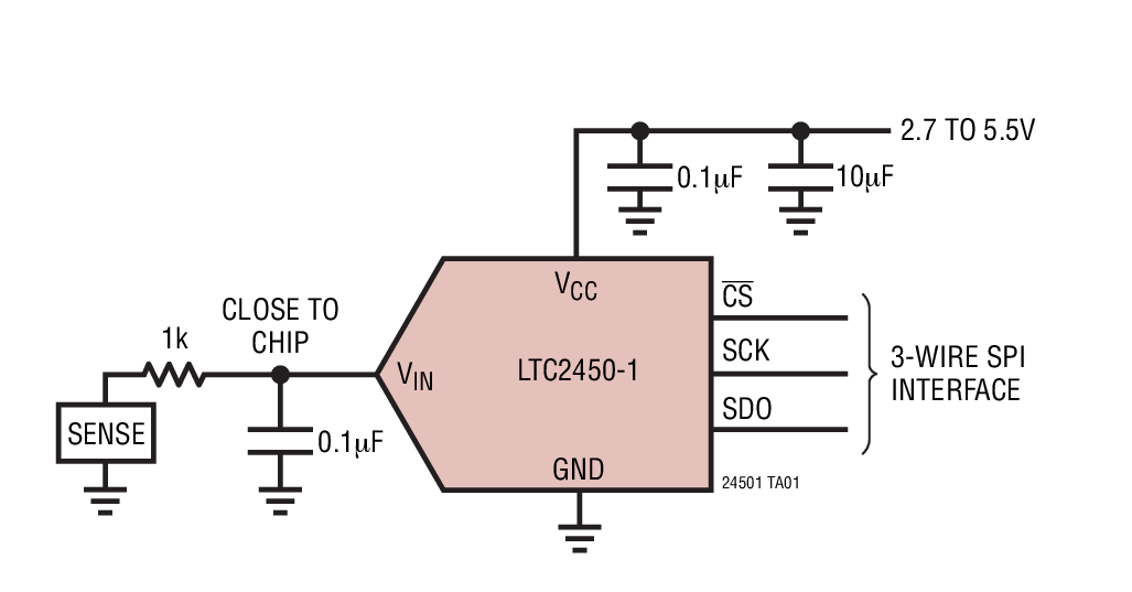
The LTC2450-1 is a low power, ultra-tiny 16-bit analog-to-digital converter designed for space constrained applications requiring 16-bit performance. The LTC2450-1 uses a single 2.7V to 5.5V supply, accepts a single-ended analog input voltage, and communicates through an SPI interface. It includes an integrated oscillator that does not require any external components. The delta-sigma modulator converter core provides single-cycle settling time for multiplexed applications. The converter is available in a 6-pin, 2mm x 2mm DFN package. The LTC2450-1 implements a proprietary input sampling scheme that reduces the average input sampling current several orders of magnitude.

The LTC2450-1 is capable of up to 60 conversions per second and, due to the very large oversampling ratio, has extremely relaxed antialiasing requirements. The converter uses its power supply voltage as the reference voltage and the single-ended, rail-to-rail input voltage range extends from GND to VCC.

Following a conversion, the LTC2450-1 can automatically enter a sleep mode and reduce its power to less than 500nA. At an output rate of 1Hz, the LTC2450-1 consumes an average of less than 25µW from a 2.7V supply.

Applications

  • System Monitoring
  • Environmental Monitoring
  • Direct Temperature Measurements
  • Instrumentation
  • Industrial Process Control
  • Data Acquisition
  • Embedded ADC Upgrades

LTC2450-1
Easy-to-Use, Ultra-Tiny 16-Bit ΔΣ ADC
Integral Nonlinearity Product Package 1
Add to myAnalog

Add product to the Products section of myAnalog (to receive notifications), to an existing project or to a new project.

Create New Project
Ask a Question

Documentation

Data Sheet

This is the most up-to-date revision of the Data Sheet.

Learn More
Add to myAnalog

Add media to the Resources section of myAnalog, to an existing project or to a new project.

Create New Project

Software Resources

Can't find the software or driver you need?

Request a Driver/Software

Hardware Ecosystem

Parts Product Life Cycle Description
Interface Transceivers 1
LTM2883 PRODUCTION SPI/Digital or I2C μModule Isolator with Adjustable ±12.5V and 5V Regulated Power
Supervisory Circuits & Reset ICs 1
LTC2934 PRODUCTION Ultra-Low Power Adjustable Supervisor with Power-Fail Output
Voltage References 1
LT6660 PRODUCTION Tiny Micropower Precision Series References in 2mm × 2mm DFN
Modal heading
Add to myAnalog

Add product to the Products section of myAnalog (to receive notifications), to an existing project or to a new project.

Create New Project

Evaluation Kits

eval board
DC1067A-B

LTC2450-1 | 16-bit 60Hz ΔΣ ADC in 2 × 2 DFN (Requires DC590B)

Product Details

DC1067A-B: Demo Board for the LTC2450-1 Easy-to-Use, Ultra-Tiny 16-Bit ΔΣ ADC.

DC1067A-B
LTC2450-1 | 16-bit 60Hz ΔΣ ADC in 2 × 2 DFN (Requires DC590B)
DC1067A-A - Schematic

Latest Discussions

No discussions on LTC2450-1 yet. Have something to say?

Start a Discussion on EngineerZone®

Recently Viewed