LTC2271

PRODUCTION

16-Bit, 20Msps Serial Low Noise Dual ADC

Viewing:

Overview

  • 2-Channel Simultaneous Sampling ADC
  • Serial LVDS Outputs: 1, 2 or 4 Bits per Channel
  • 84.1dB SNR (46μVRMS Input Referred Noise)
  • 99dB SFDR
  • Low Power: 185mW Total
  • 92mW per Channel
  • Single 1.8V Supply
  • Selectable Input Ranges: 1VP-P to 2.1VP-P
  • 200MHz Full-Power Bandwidth S/H
  • Shutdown and Nap Modes
  • Serial SPI Port for Configuration
  • Pin Compatible With LTC2190: 16-Bit, 25Msps, 104mW
  • 52-Lead (7mm × 8mm) QFN Package

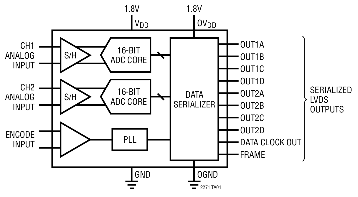
The LTC2271 is a 2-channel, simultaneous sampling 16-bit A/D converter designed for digitizing high frequency, wide dynamic range signals. It is perfect for demanding communications applications with AC performance that includes 84.1dB SNR and 99dB spurious free dynamic range (SFDR).

DC specs include ±1LSB INL (typ), ±0.2LSB DNL (typ) and no missing codes over temperature. The transition noise is 1.44LSBRMS.

To minimize the number of data lines the digital outputs are serial LVDS. Each channel outputs one bit, two bits or four bits at a time. The LVDS drivers have optional internal termination and adjustable output levels to ensure clean signal integrity.

The ENC+ and ENC inputs may be driven differentially or single ended with a sine wave, PECL, LVDS, TTL or CMOS inputs. An internal clock duty cycle stabilizer allows high performance at full speed for a wide range of clock duty cycles.

Applications

  • Low Power Instrumentation
  • Software-Defined Radios
  • Portable Medical Imaging
  • Multi-Channel Data Acquisition

LTC2271
16-Bit, 20Msps Serial Low Noise Dual ADC
Integral Non-Linearity (INL) Product Package 1
Add to myAnalog

Add product to the Products section of myAnalog (to receive notifications), to an existing project or to a new project.

Create New Project
Ask a Question

Documentation

Data Sheet 1

Reliability Data 1

User Guide 1

Data Sheet

This is the most up-to-date revision of the Data Sheet.

Learn More
Add to myAnalog

Add media to the Resources section of myAnalog, to an existing project or to a new project.

Create New Project

Software Resources

Can't find the software or driver you need?

Request a Driver/Software

Hardware Ecosystem

Parts Product Life Cycle Description
Differential Amplifiers 1
LTC6409 RECOMMENDED FOR NEW DESIGNS 10GHz GBW, 1.1nV/√Hz Differential Amplifier/ADC Driver
Phase-Locked Loop (PLL) Synthesizers 1
LTC6946 LAST TIME BUY Ultralow Noise and Spurious 0.37GHz to 6.39GHz Integer-N Synthesizer with Integrated VCO
Modal heading
Add to myAnalog

Add product to the Products section of myAnalog (to receive notifications), to an existing project or to a new project.

Create New Project

Tools & Simulations


Evaluation Kits

eval board
DC1763A-G

LTC2271: 16-bit 20Msps Low Noise ADC, Serial LVDS Outputs, 5-170MHz, Requires DC1371 and DC1075

Product Details

DC1763A-G: Demo Board for the LTC2271 16-Bit, 20Msps Serial Low Noise Dual ADC.


 


DC1763A-G
LTC2271: 16-bit 20Msps Low Noise ADC, Serial LVDS Outputs, 5-170MHz, Requires DC1371 and DC1075
DC1763A-G Demo Board DC1763A-G Demo Board DC1763A-G Demo Board DC1763A-G Demo Board DC1763A-G Demo Board DC1763A-A - Schematic

Latest Discussions

Recently Viewed