LTC2270

PRODUCTION

16-Bit, 20Msps Low Noise Dual ADC

Viewing:

Overview

  • Two-Channel Simultaneously Sampling ADC
  • 84.1dB SNR (46μVRMS Input Referred Noise)
  • 99dB SFDR
  • ±2.3LSB INL(Max)
  • Low Power: 160mW Total, 80mW per Channel
  • Single 1.8V Supply
  • CMOS, DDR CMOS, or DDR LVDS Outputs
  • Selectable Input Ranges: 1VP-P to 2.1VP-P
  • 200MHz Full Power Bandwidth S/H
  • Shutdown and Nap Modes
  • Serial SPI Port for Configuration
  • Pin Compatible with
    • LTC2180: 16-Bit, 25Msps, 78mW
    • LTC2140-14: 14-Bit, 25Msps, 50mW
  • 64-Lead (9mm × 9mm) QFN Package

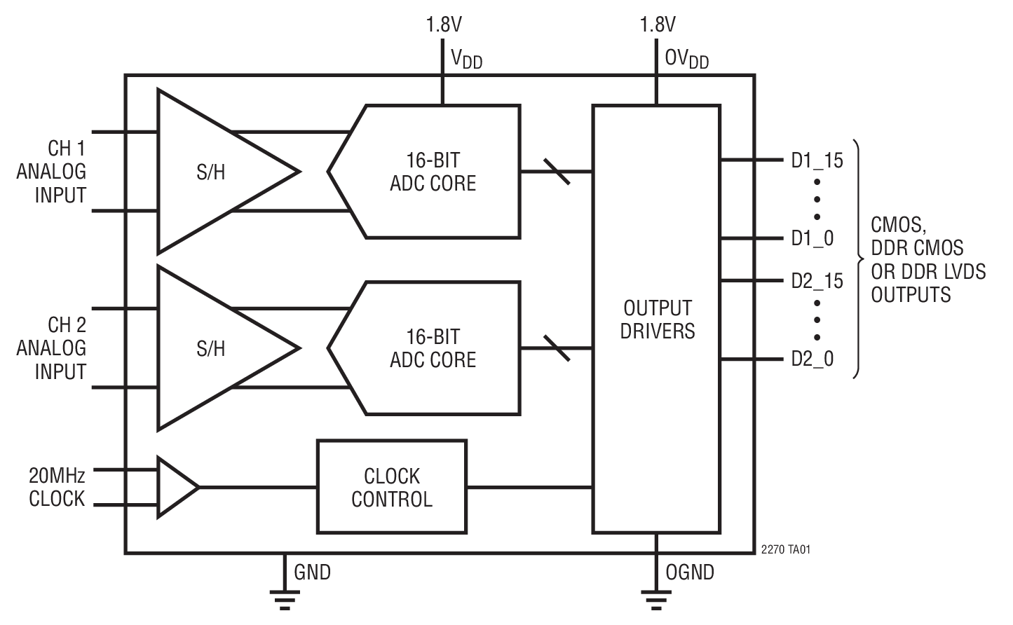
The LTC2270 is a two-channel simultaneous sampling 16-bit A/D converter designed for digitizing high frequency, wide dynamic range signals. It is perfect for demanding applications with AC performance that includes 84.1dB SNR and 99dB spurious free dynamic range (SFDR).

DC specs include ±1LSB INL (typ), ±0.2LSB DNL (typ) and no missing codes over temperature. The transition noise is 1.44LSBRMS.

The digital outputs can be either full rate CMOS, Double Data Rate CMOS, or Double Data Rate LVDS. A separate output power supply allows the CMOS output swing to range from 1.2V to 1.8V.

The ENC+ and ENC inputs may be driven differentially or single-ended with a sine wave, PECL, LVDS, TTL, or CMOS inputs. An optional clock duty cycle stabilizer allows high performance at full speed for a wide range of clock duty cycles.

Applications

  • Low Power Instrumentation
  • Software Defined Radios
  • Portable Medical Imaging
  • Multi-Channel Data Acquisition

LTC2270
16-Bit, 20Msps Low Noise Dual ADC
Integral Non-Linearity (INL) Product Package 1 Product Package 2 Product Package 3
Add to myAnalog

Add product to the Products section of myAnalog (to receive notifications), to an existing project or to a new project.

Create New Project
Ask a Question

Documentation

Data Sheet

This is the most up-to-date revision of the Data Sheet.

Learn More
Add to myAnalog

Add media to the Resources section of myAnalog, to an existing project or to a new project.

Create New Project

Software Resources

Evaluation Software 1

LinearLab Tools

A collection of Matlab and Python programs that provide direct access to Linear Technology’s data converter evaluation boards.


Hardware Ecosystem

Parts Product Life Cycle Description
Differential Amplifiers 1
LTC6409 RECOMMENDED FOR NEW DESIGNS 10GHz GBW, 1.1nV/√Hz Differential Amplifier/ADC Driver
Modal heading
Add to myAnalog

Add product to the Products section of myAnalog (to receive notifications), to an existing project or to a new project.

Create New Project

Tools & Simulations


Evaluation Kits

eval board
DC1620A-T

LTC2270: 16-bit 20Msps Low Noise Dual ADC, DDR LVDS Outputs, 5-140MHz, Requires DC890, LVDS_XFMR and DC1075

Product Details

DC1620A-T: Demo Board for LTC2270 16-Bit, 20Msps Low Noise Dual ADC.

eval board
DC1975A-A

LTC2270: 16-bit 20Msps Low Noise Dual ADC, DDR LVDS Outputs, DC-70MHz, Requires DC890, LVDS_XFMR and DC1075

Product Details

DC1975A: Demo Board for the LTC2270 16-Bit, 20Msps Low Noise Dual ADC.

DC1620A-T
LTC2270: 16-bit 20Msps Low Noise Dual ADC, DDR LVDS Outputs, 5-140MHz, Requires DC890, LVDS_XFMR and DC1075
DC1620A-A - Schematic
DC1975A-A
LTC2270: 16-bit 20Msps Low Noise Dual ADC, DDR LVDS Outputs, DC-70MHz, Requires DC890, LVDS_XFMR and DC1075
DC1975A - Schematic

Latest Discussions

No discussions on LTC2270 yet. Have something to say?

Start a Discussion on EngineerZone®

Recently Viewed